The engine will not crank?

Tiny
CHAZMAN1970
  • MEMBER
  • 2006 DODGE TRUCK
  • 5.7L
  • V8
  • 4WD
  • AUTOMATIC
  • 170,000 MILES
Unit started presenting with difficulty in getting the starter to engage when starting, turn the key and nothing would happen. This progressed for an occasional thing to now it will not crank over at all. Battery is fully charged, terminals clean, new starter, starter relay, and ignition switch. I pulled the connectors on the TIPM and nothing was corroded. All fuses checked okay. Occasionally I will hear a pronounced click like the started tried to engage but it stops immediately and then back to nothing. I might add that the electronic malfunction lamp is on due to a throttle valve issue, but I believe it should still spin over. I can bypass the control wiring on the starter relay and the starter does spin the engine so I'm confident the relay and starter are good.

The truck listed above is a 1500.
Wednesday, June 12th, 2024 AT 4:14 PM

5 Replies

Tiny
JACOBANDNICKOLAS
  • MECHANIC
  • 110,192 POSTS
Hi,

Are all battery connections good, tight, and clean? Is the ground at the engine block clean and tight?

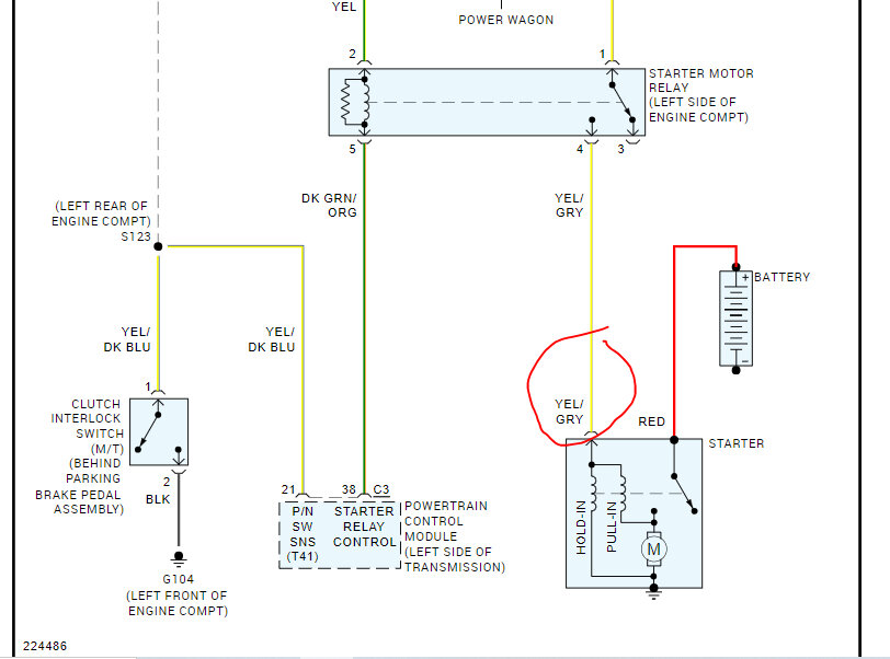
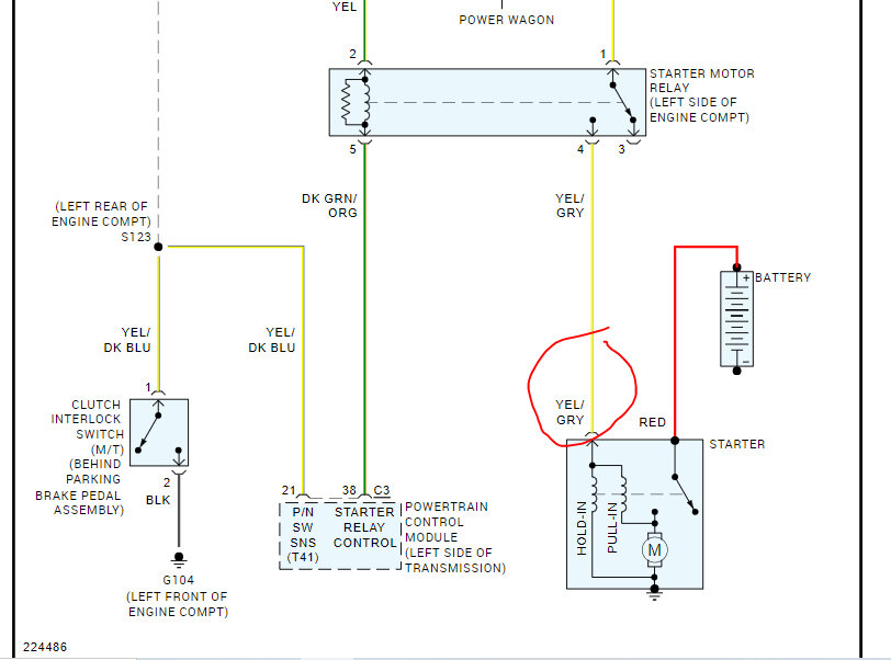
As far as the issue, I attached a wiring schematic below for the starting circuit. At the starter there will be a red, heavy gauge wire direct from the battery. There will be a smaller gauge yellow wire with a gray tracer. The smaller wire will not have power until the key is in the start position.

Have a helper turn the key to the start position while you check for power at the yellow/gray wire.

Let me know what you find.

Joe

See pics below. I had to cut the pic in half to make it readable. I did overlap the two.
Was this
answer
helpful?
Yes
No
Wednesday, June 12th, 2024 AT 9:05 PM
Tiny
CHAZMAN1970
  • MEMBER
  • 3 POSTS
Thank you for your reply, I appreciate the help. I had previously done all of that and have narrowed it to the control side circuit of the start relay. It has 12 volts to pin 30 and 12 volts to pin 85 at start but there is no ground coming from the PCM. I cannot find the yellow w/ dark blue wire that all the diagrams show, and I don't know the connector numbers in the TIPM. I want to test the circuit that goes through the park/neutral sense and see if the PCM went bad. When I connect my Solus scanner, I can see all the solenoids change as I move the shifter and the vehicle PCM "sees" the change as park. Drive or neutral so I believe the range switch is working. Note the PRNDL on the dash shows all the gears active at the same time and it doesn't change any when I move the shifter. This really is probably a simple fix if I knew the circuit components better. A little history, engine suffered a catastrophic failure on the interstate from a water pump failure. Replaced the engine and while it was out I went over the engine harness and replaced the loom where it had failed and checked the wiring for bad spots as best I could. I have checked and rechecked the harness connections for missed plugs or possible pinched wiring and all that seems fine.
Was this
answer
helpful?
Yes
No
Thursday, June 13th, 2024 AT 4:03 AM
Tiny
JACOBANDNICKOLAS
  • MECHANIC
  • 110,192 POSTS
Hi,

The ground is provided by the PCM. If you look at the pics I attached, you will notice where it says C3 38 at the starter relay control. That indicates connector 3 pin 38. That is where the ground should come from.

The ground wire you are looking for will be dark green with an orange tracer. See pic 2 below. It runs from the relay to the PCM. The wire you mentioned above (yellow/dark blue) is the power supply from the TIPM and you have power at both locations for the relay so that wire should be fine. The ground must be what is missing.

I attached a pic of the C3 connector below and highlighted pin 38.

Let me know if this helps.

Take care,

Joe

See pics below.
Was this
answer
helpful?
Yes
No
+1
Thursday, June 13th, 2024 AT 8:32 PM
Tiny
CHAZMAN1970
  • MEMBER
  • 3 POSTS
Thanks, I figured it out. The PCM is bad but so is the TIPM. PCM has failed internally and does not supply the ground to the start relay. I load tested the ground from the range selector and its good all the way to the PCM but does not come out when you crank the engine. I installed a temporary ground to the relay and the engine will crank over with the key. Also Found Pin 30 from the TIPM has no power. I back probed it at the TIPM connector and still nothing. All the fuses are good and the TIPM doesn't have and major corrosion so I believe that circuit has failed.
Was this
answer
helpful?
Yes
No
Friday, June 14th, 2024 AT 4:30 AM
Tiny
JACOBANDNICKOLAS
  • MECHANIC
  • 110,192 POSTS
Hi,

Thanks for the update. I wish it was better news. The TIPM is a common weak link. I can't even tell you how many times I have found 12v to a circuit and then when under a load, the voltages would just drop to nearly nothing. Oftentimes, it is a cracked connector pin.

On the other hand, if the PCM doesn't provide the ground path needed to complete the primary side of the relay, it won't work. It sounds like you have found the problem.

If you have a chance, let me know how things turn out for you. I'm interested in knowing.

Take care of yourself,

Joe
Was this
answer
helpful?
Yes
No
+1
Friday, June 14th, 2024 AT 7:19 PM

Please login or register to post a reply.