Fusible link

Tiny
ZEMORZEMOR
  • MEMBER
  • 2006 CHRYSLER PT CRUISER
  • 2.4L
  • 4 CYL
  • FWD
  • AUTOMATIC
  • 93,000 MILES
The fusible link between the alternator and the computer seems blown. I do not know what kind of fuse is it. Is it a special wire or something else. If its a wire what gauge is it and what amps and how to connect it in the wire coming from the alternator to the computer
Saturday, March 14th, 2015 AT 7:06 PM

5 Replies

Tiny
CARADIODOC
  • MECHANIC
  • 34,463 POSTS
You have to specify which wire to the alternator. There should only be one in the large output wire, but if that is burned open, either at least two of the six internal diodes are shorted or someone accidentally grounded that terminal for more than a few seconds. If the diodes are shorted it's not practical to try to repair the alternator. Just replace it.

The diameter of the fuse link wire depends on the maximum current rating of the alternator in your car. You just buy a new wire of the same color from an auto parts store. The new wire can be cut in half or three pieces to do multiple repairs.

The wire itself isn't special. It is just smaller in diameter than the rest of the wires it protects. The insulation IS special. It will not melt or burn.

The only issue with a fuse link wire over a regular fuse that you need to be aware of is when the wire burns open, it leaves a carbon track behind on the insulation. That carbon can conduct enough current to allow a digital voltmeter to detect a voltage. I've seen that seriously confuse more than one very experienced mechanic. You'll think 12 volts is reaching the item that doesn't work. In fact, in this type of circuit, an inexpensive test light is much more accurate because not enough current can get through that carbon to run the light. The test light will correctly show there is 0 volts there.
Was this
answer
helpful?
Yes
No
+7
Saturday, March 14th, 2015 AT 7:23 PM
Tiny
ZEMORZEMOR
  • MEMBER
  • 486 POSTS
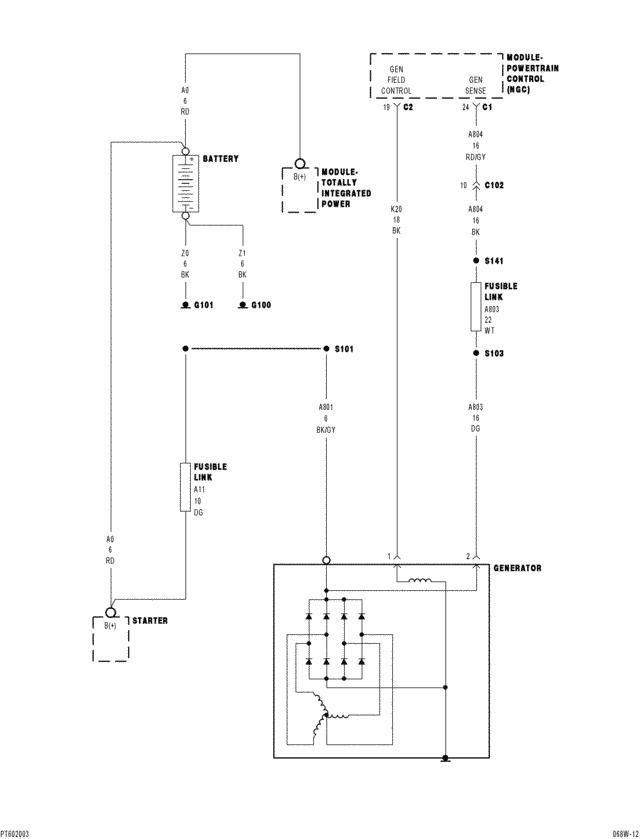
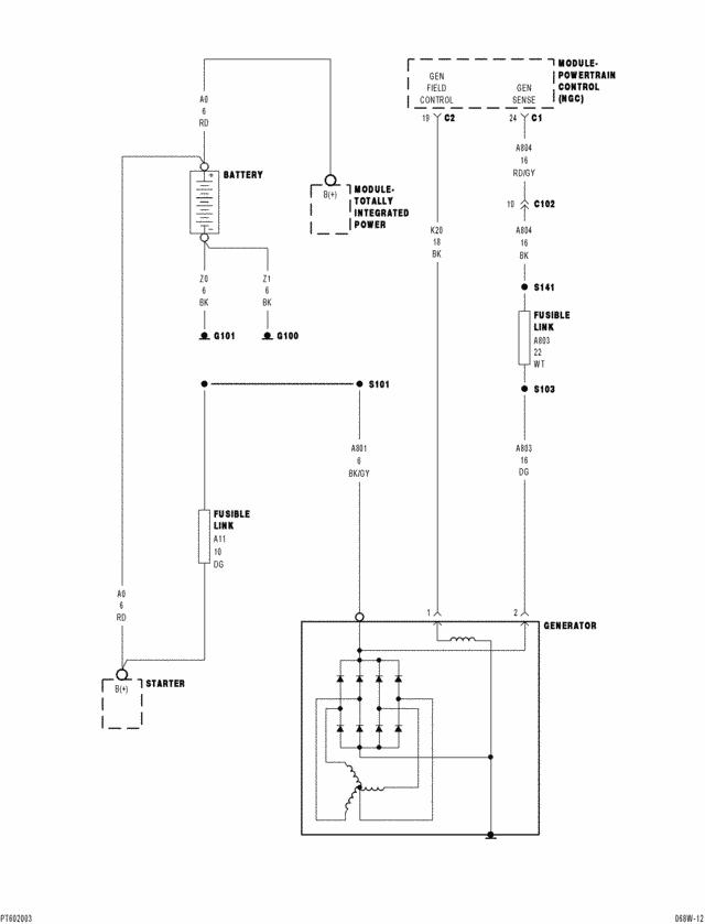
I attached the charging system diagram. I hope its the right one for the 06 pt cruiser. The fusible link that I m talking about is the one for the wire coming from the generator to the computer see image please.I hook up the voltmeter to the battery and set the voltmeter to read alternative current it was like 0.02 volt alternative current. Does that mean the diodes are good?
There is number next to the fusible link is it the gauge?
Was this
answer
helpful?
Yes
No
+6
Saturday, March 14th, 2015 AT 8:00 PM
Tiny
CARADIODOC
  • MECHANIC
  • 34,463 POSTS
My my my. Chrysler has always led the way with innovations that had positive impacts on car owners. One of them was the "AC Generator" they developed and first used on 1960 models. They copyrighted the term "alternator". In my opinion, they have always had the best designs that were by far, the easiest to diagnose and repair. So you can imagine how disappointed I am that they had to go and change it.

I used to be able to tell a lot about the charging system by taking one voltage reading on terminal 1 on the alternator or anywhere along that wire. I don't know what problem they found a solution for but with the old system you could tell instantly if the alternator's internal brushes were good. Now I need to take multiple measurements. The problem is I have to perform a continuity test from terminal 1 to ground when the ignition switch is off, and when the field winding is not spinning it is real common to find a bad connection on those brushes even when they're perfectly fine. They resume making good contact when the field winding is in motion.

Sorry for whining like a little school girl, but they could have left a good system alone. I suppose some engineer needed to justify his need for being there. I wasn't happy in the late '80s when they built the regulator into the Engine Computer because replacing it meant buying a multi-hundred dollar computer instead of a fifteen dollar box, but as it turns out, that regulator circuit has been extremely reliable and they very seldom fail. The advantage to this system is the regulator "knows" everything the computer knows. Chrysler was also first with the electronic voltage regulator in 1970, and it could vary battery charging rate according to outside temperature. Charging a battery after all is a chemical process, and at higher temperatures we need to lower charging voltage a little to prevent boiling the water out of the acid.

With the regulator inside the Engine Computer, charging voltage can be varied according to air temperature with a sensor that sits right next to the battery, so it looks at battery temperature, and other sensor readings. It can anticipate additional loads about to be turned on by the computer, like the AC compressor. The computer can also command the alternator to stop completely. It can take over five horsepower to run it, and that may be just the five horsepower you need when passing a freight train, ... Going up a steep hill, ... While pulling a big trailer, ... With Ma and the kids in back! The computer sees wide-open-throttle and other conditions that could benefit from a momentary loss of the alternator's drag on the engine.

The point is, it's a very nice system and they didn't have to change anything because they aren't going to be able to make it better. The other thing they changed is where the voltage regulator senses system voltage. That used to come off the automatic shutdown (ASD) relay that also powered the ignition coils, injectors, and fuel pump. I can probably live with them changing that to terminal 2 on the alternator since the effect is the same, but the problem is there is going to be full battery voltage or full charging voltage there depending on whether the engine is running or off. That is the same voltage you would have found on the older system except for a different reason. This is where a lot of experienced and knowledgeable mechanics are going to get confused. On the old system, that 12 volts was the current source that fed the field winding to make the electromagnetic field. On this system, it's just monitoring battery / charging voltage. There's no need to run it through the alternator.

Okay, that's enough for today's lesson. You will not be tested on this later! I don't know why they saw fit to fuse this circuit and I don't know why they ran it through the alternator. On the Ford design, they have the same wire, also with 12 volts all the time, and they also use other connections like the starter on your car as convenient tie points, but they don't go through the alternator and another potential bad connection on that terminal.

Anyway, ... To address your question, finally, yes you can tell the gauge of the wire by the designation on Chrysler's wiring diagrams. If I'm reading this one correctly, it looks like "
A833 22WT". If that's right, "A" circuits originate at the battery positive terminal and almost always have 12 volts on them as this one does. "833" is the circuit number. "22" is the gauge, and "WT" is for "white". If you ask at the parts store for a white fuse link wire, you'll get about 12" of wire of the correct gauge. You can also find these at a salvage yard. Through most of the '80s and '90s Chrysler bundled a bunch of fuse link wires and ran that bundle around the front of the left strut tower. The most common ones used were white and gray, but here and there you'll find a black, green, or orange one too.

I'm not sure what you're measuring with your meter. Most of them don't have ranges for alternating current. If they do, they can only usually measure up to two amps. That is of no use anywhere in a car. When a meter can measure AC current or AC voltage, that is only accurate at 60Hz which is house current. Alternators put out three-phase current. Professional load testers measure the resulting "ripple" voltage with no regard to frequency, (hertz) or engine speed. With one bad diode, one of the three phases will be missing and during that time voltage drops a lot. It's that difference between the lowest voltage and the highest voltage that is ripple voltage. We can't measure that with a digital meter.

I should back up a minute and start from the beginning. When testing the charging system, the only thing you can do is measure battery voltage. With the engine off, a good, fully-charged battery will read 12.6 volts. A good, fully-discharged battery will read close to 12.2 volts. Next, with the engine running, you must find between 13.75 and 14.75 volts. If you do, that only proves the system is working sufficiently for the next tests. Those require that professional load tester. An alternator is physically incapable of being forced to generate more than its design current rating. One failed diode will cut that to exactly one third. One of the common alternators for your car is rated at 120 amps. Under full load during the test, it is going to develop either 120 amps if it's good or close to 40 amps if it has a bad diode. Therefore, a bad diode will show up as only one third of normal maximum current, and high ripple voltage. There's no other way to test for a bad diode other than to disassemble the alternator, disconnect the diodes so you're testing only one at a time, then test them with the "diode test" function on your meter or with the lowest ohmmeter scale. Even that can't be done on many alternators because three diodes are sandwiched into an assembly and they get wrecked by pulling them apart. GM went even further and put all six into a sealed block with puny little tabs that break off when you try to take them apart.

My last concern is why that fuse link burned open. I forgot to mention that you test them by pulling on them. If they act like a wire, they're good. If they act like a rubber band, they're burned open. You replace them by cutting off the ends of the wires they're spliced to, splice the new link in, solder the splices, then seal them with heat-shrink tubing with hot-melt glue inside. Never use electrical tape on a car. It will unravel into a gooey mess on a hot day.

Before you do this, I would suggest using small jumper wires to connect a regular fuse in place of this link. If it doesn't blow, start the engine and see if the charging system is working by measuring battery voltage. If it is, install the new link. If the fuse blows, I'll have to think on this some more. Use a large fuse. If there's a problem, it's going to blow and protect the wiring. Fuse link wires are used because they take some time to burn open. That delay is needed to accommodate the normal surges some things draw when they're starting up. A regular fuse will blow too quickly.
Was this
answer
helpful?
Yes
No
+3
Saturday, March 14th, 2015 AT 11:37 PM
Tiny
ZEMORZEMOR
  • MEMBER
  • 486 POSTS
Ok I was looking to the wrong piece of wire the fusible link is good.I backed probe the two pins connector.I connect one lead of voltmeter to one of the the pin ( the one that give feed back to the computer the voltage) other lead to ground ( alternator case). When I start the car the voltage was 14.5 volt after few second the voltage dropped to 5 and start to go up and down 5, 7 8 10, 6 etc at that moment the battery light came on. However there is always 14.5 volt at the B+ terminal.

When I wiggled the connector and hold it the voltage went up to normal 14.5v.I thought the connector is bad I put a new one but the problem is still there.
So now I think the problem is inside the alternator where the male connector lives. Could it be a solder came off or other problems?
Was this
answer
helpful?
Yes
No
Sunday, March 15th, 2015 AT 4:39 PM
Tiny
CARADIODOC
  • MECHANIC
  • 34,463 POSTS
Yup. I think you found it, but I haven't had one of these alternators apart to know what lives inside it. My guess is you aren't going to hurt anything by taking the back cover off and peeking in there. From what I saw on your diagram, there's just going to be a jumper wire in there but it has to have mechanical connections somewhere. Besides a broken solder connection, look for a crimped terminal that has worked loose.
Was this
answer
helpful?
Yes
No
+4
Sunday, March 15th, 2015 AT 9:52 PM

Please login or register to post a reply.