My low beams don't come on change dimmer switch.

Tiny
ANONYMOUS
  • MEMBER
  • 2006 CHEVROLET TRAILBLAZER
  • 192,847 MILES
My low beams don't come on change dimmer switch &head light switch. Low beams still not working?
Friday, February 8th, 2013 AT 9:59 PM

1 Reply

Tiny
JDL
  • MECHANIC
  • 16,098 POSTS
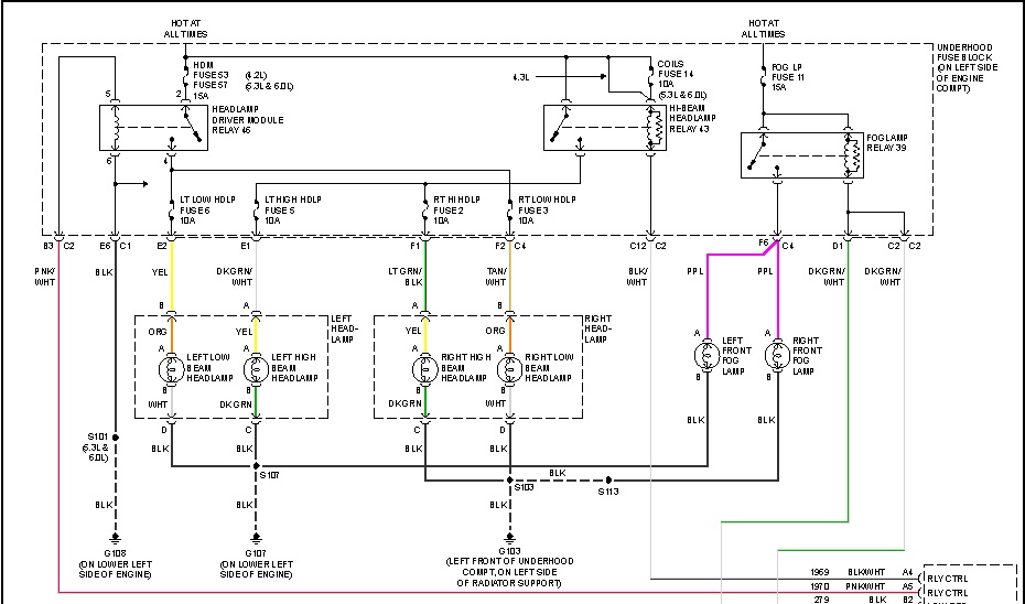
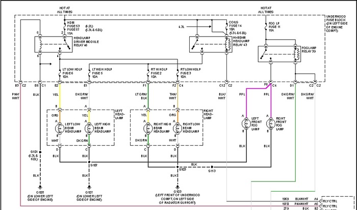
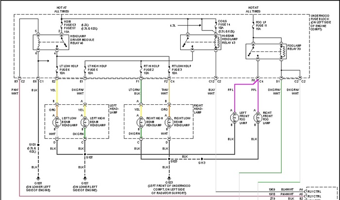
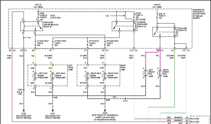
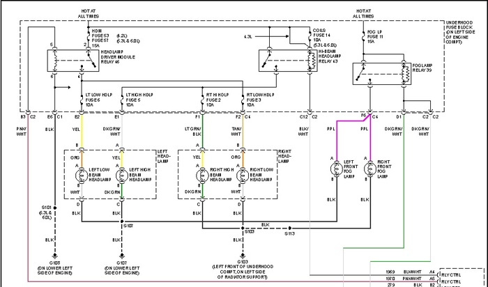
Did you check for voltage, anywhere? Use a voltage tester. Any applicable trouble codes? Check the fuse circuits in the diagram for voltage. The headlamp driver module relay is for low beams. The bcm sends voltage to coil side of that relay in order to energize.
Was this
answer
helpful?
Yes
No
Friday, February 8th, 2013 AT 10:22 PM

Please login or register to post a reply.