Wednesday, May 4th, 2011 AT 12:03 AM
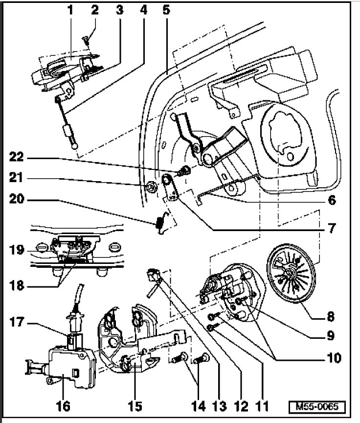
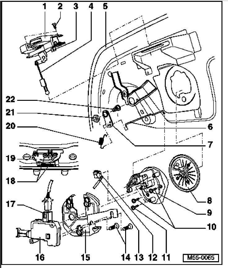
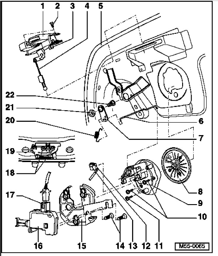
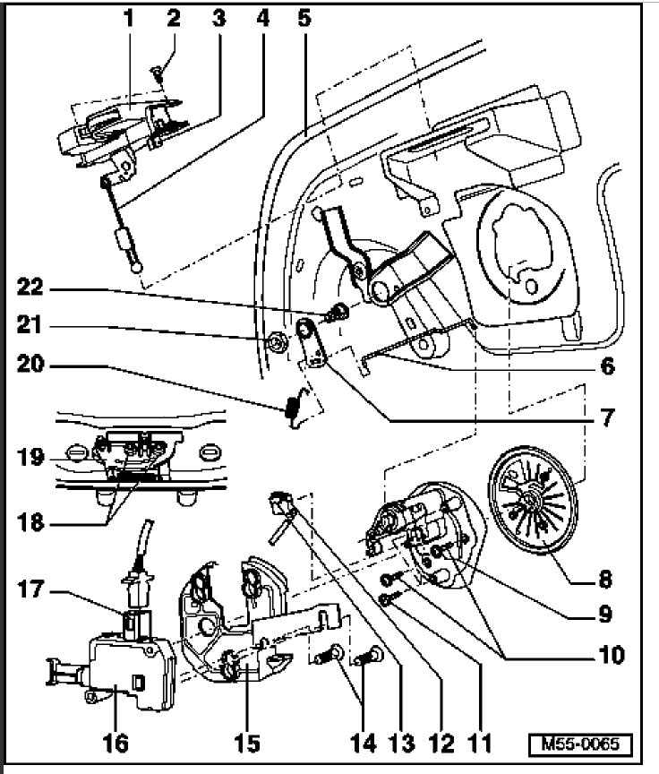
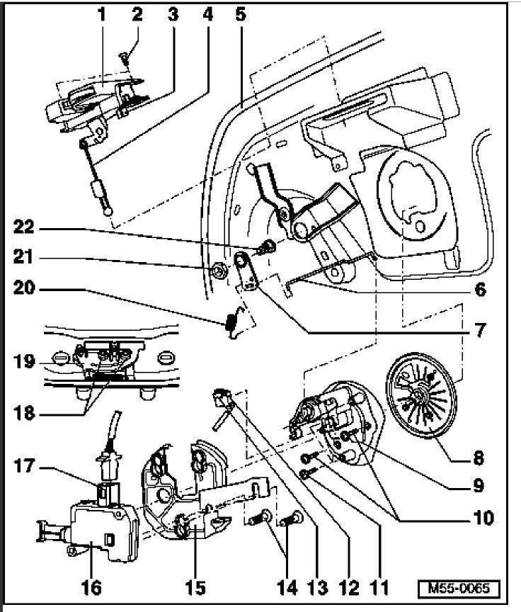
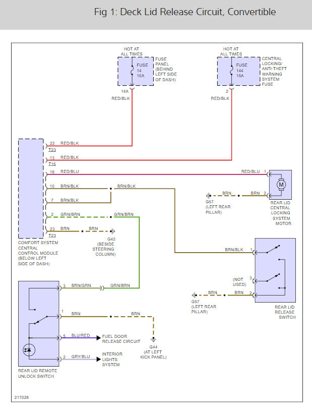
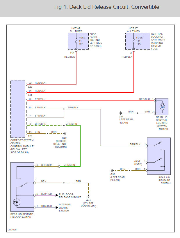
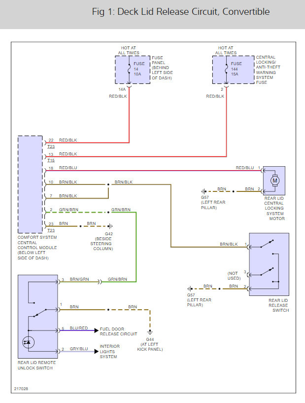
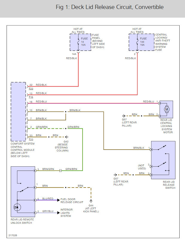
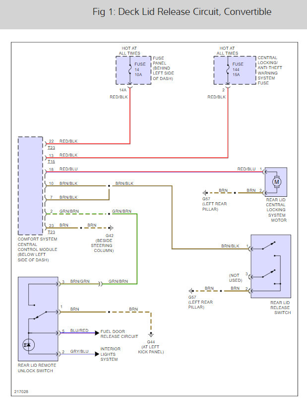
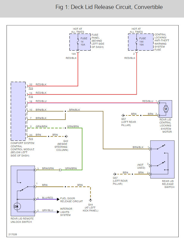
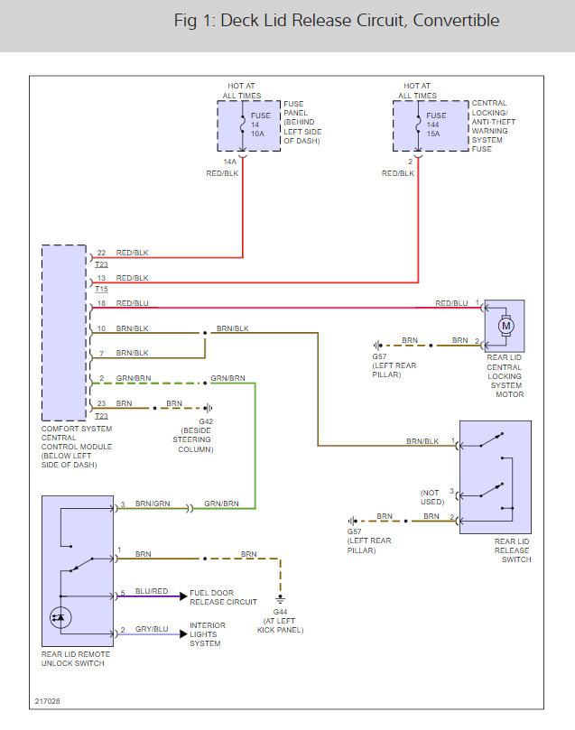
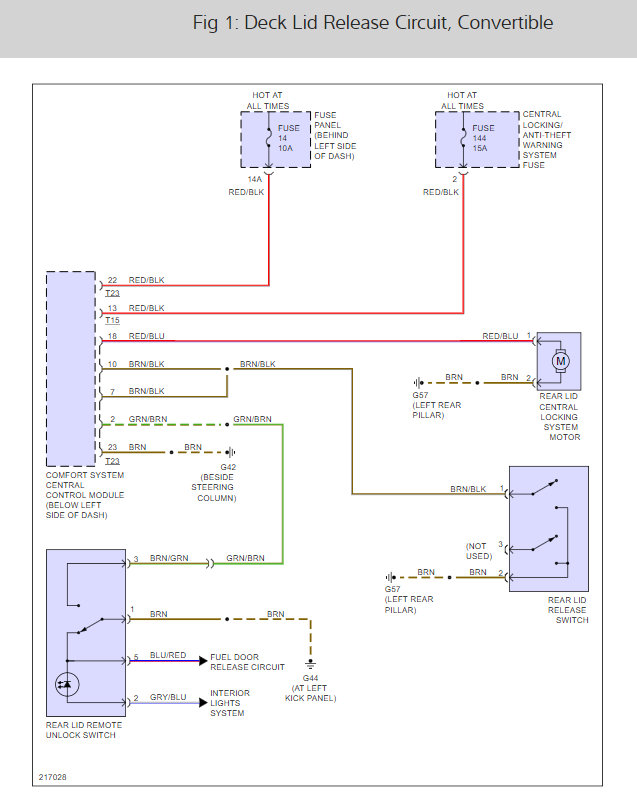
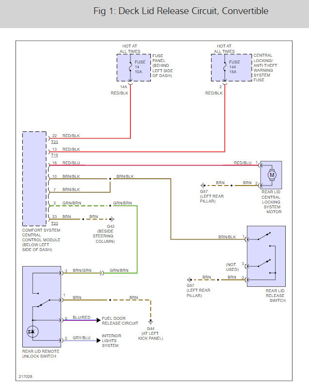
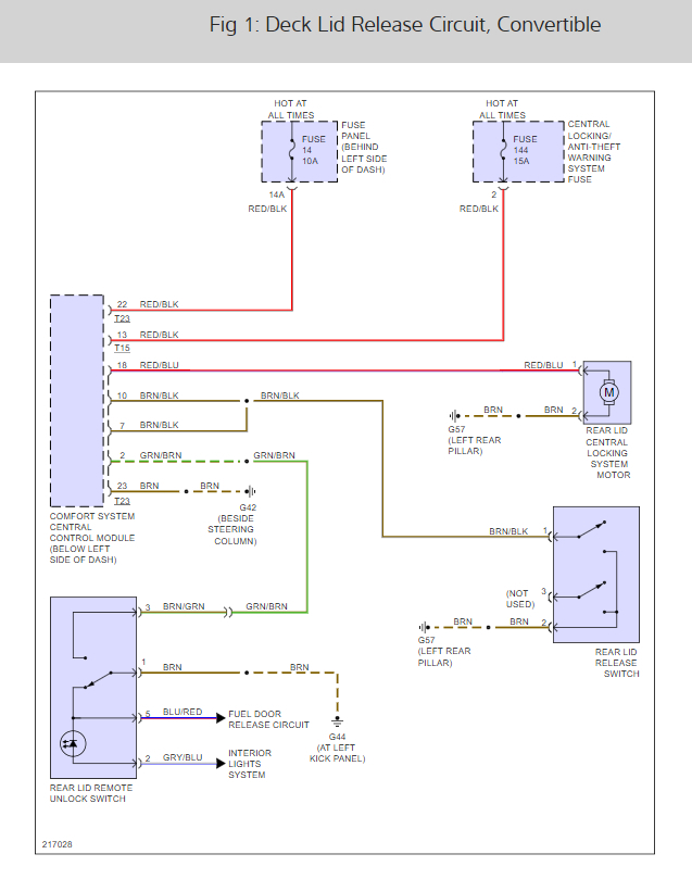
The trunk release has stopped working on the drive side door and both key fobs. The button for gas door still works fine and key fobs still work on the door locks. :( Car Does not even appear to have a way to open trunk manually with key.


















