05 Kia Amanti door locks

Tiny
FKWP99
  • MEMBER
  • 2005 KIA AMANTI
  • 6 CYL
  • FWD
  • AUTOMATIC
  • 95,000 MILES
Car will not lock with remote or push button, it will lock manually
Thursday, November 25th, 2010 AT 11:51 PM

1 Reply

Tiny
KASEKENNY
  • MECHANIC
  • 18,907 POSTS
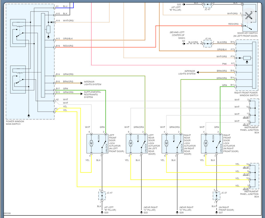
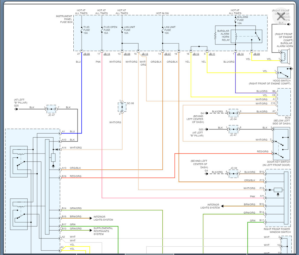
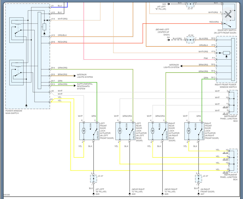
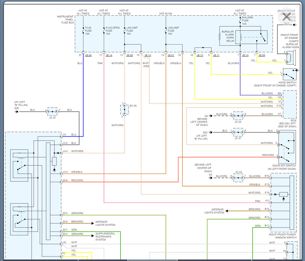
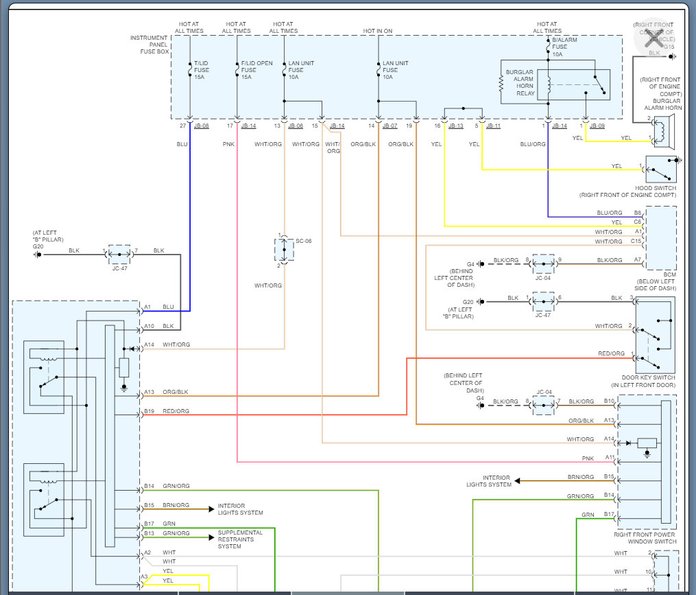
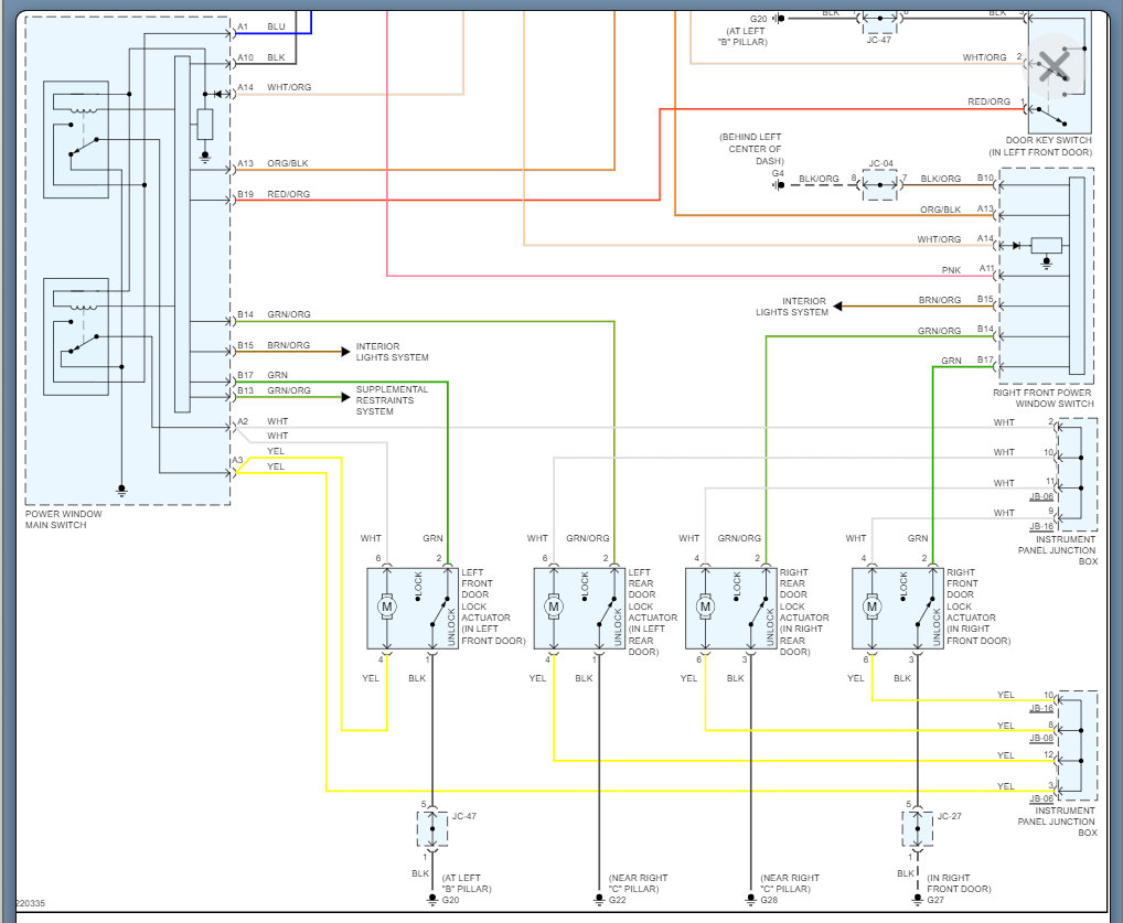
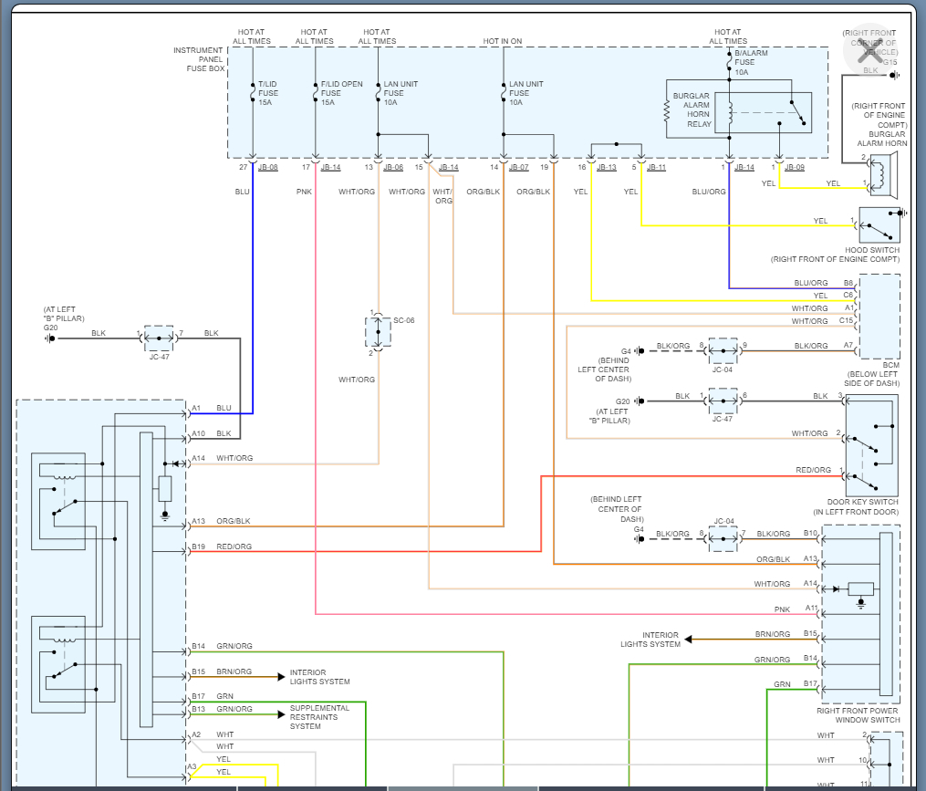
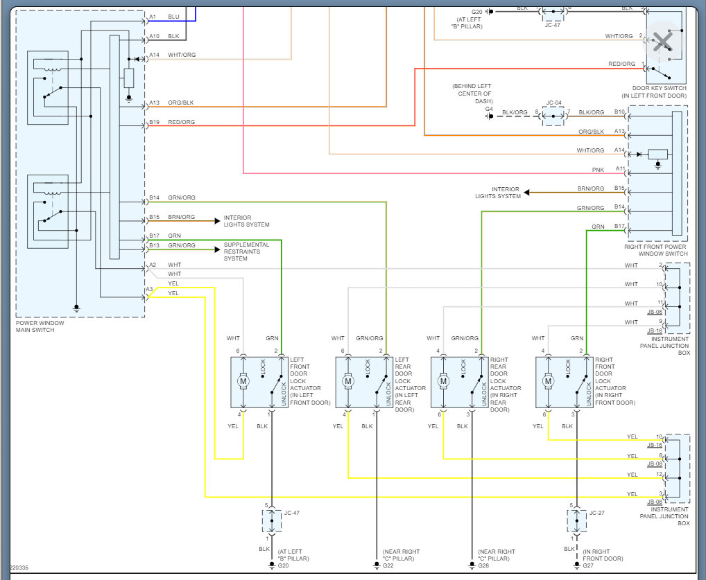
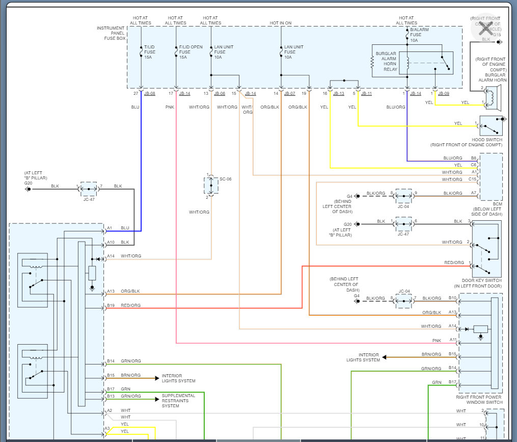
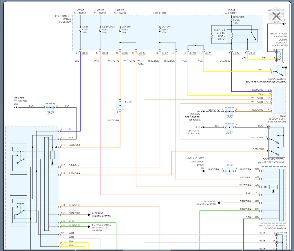
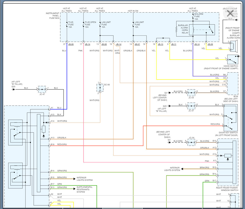
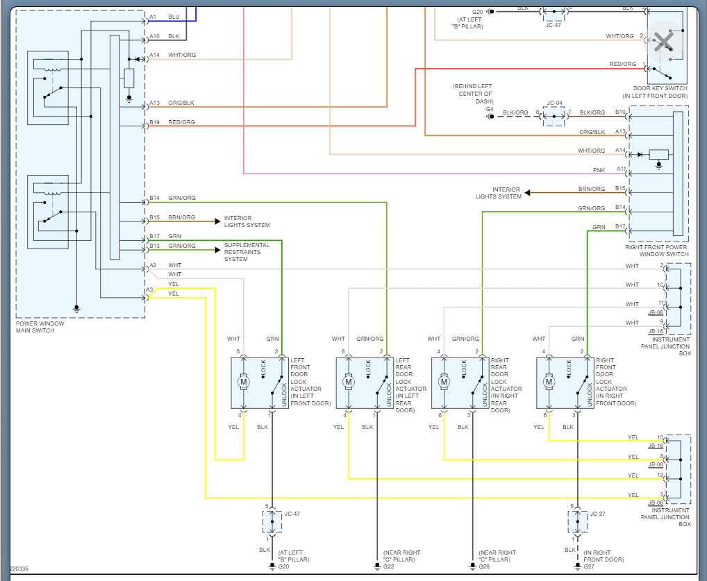
There are a couple possible causes for this, so we need to start with checking for power at the power lock switch.

Basically, you could have two issues with the remote just not working. However, we should figure out the power lock button and then move onto the remote if that doesn't fix both.

The body control module (BCM) could be the issue so let's go to the switch and check the power coming from each fuse.

Here are some guides that will help with this:

https://www.2carpros.com/articles/how-to-check-wiring

https://www.2carpros.com/articles/how-to-check-a-car-fuse

Next, we need to press the button and check the voltage out to that lock.

I am attaching the wiring diagram below that will help with this.

Please let me know what questions you have, and we can go from there.

Thanks
Was this
answer
helpful?
Yes
No
+1
Saturday, January 29th, 2022 AT 6:45 PM

Please login or register to post a reply.