2005 Hyundai Terracan battery not charging properly

Tiny
RANDALL DF223
  • MEMBER
  • 2005 HYUNDAI TERRACAN
  • 3.6L
  • V6
  • AWD
  • AUTOMATIC
  • 171,000 MILES
I have a 2005 hyundai terrecan.  We are having issues with the battery not charging properly.  The battery and the alternator have been checked by the battery people as the battery is still under warrenty.  They say both are ok and there is a problem getting charge from the alternator to the battery.  We had a mechanic service the car recently. He run a test and believes the harness has burnt out.  The test results are.

 

Volts 12.4

Measured 401 cca

Rating 540 cca

Battery type regular flooded

Battery location in vehicle

Cranking 10.08v

Time 0.84s

Low output

No load 13.42v

Loaded 12.48v

 
Can you give any indication about what the cause is and how it is fixed before I take it to an auto electrician and get baffled by bull?
Saturday, February 8th, 2014 AT 4:10 PM

1 Reply

Tiny
KASEKENNY
  • MECHANIC
  • 18,907 POSTS
Based on these measurements we are not going to be able to tell if the harness is the issue.

The only reason is, we don't know what the alternator is being commanded to do at the time it is producing these readings under load and no load.

The test that we need to do is check the wiring itself and see what voltage is required to get the current through the wiring.

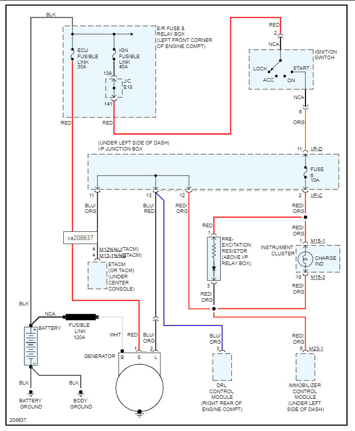
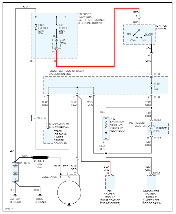
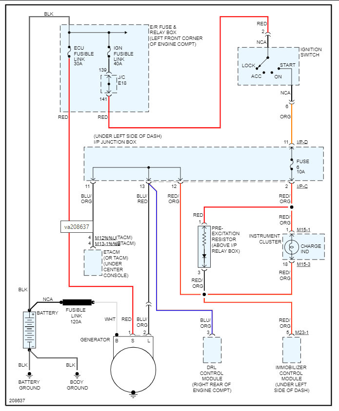
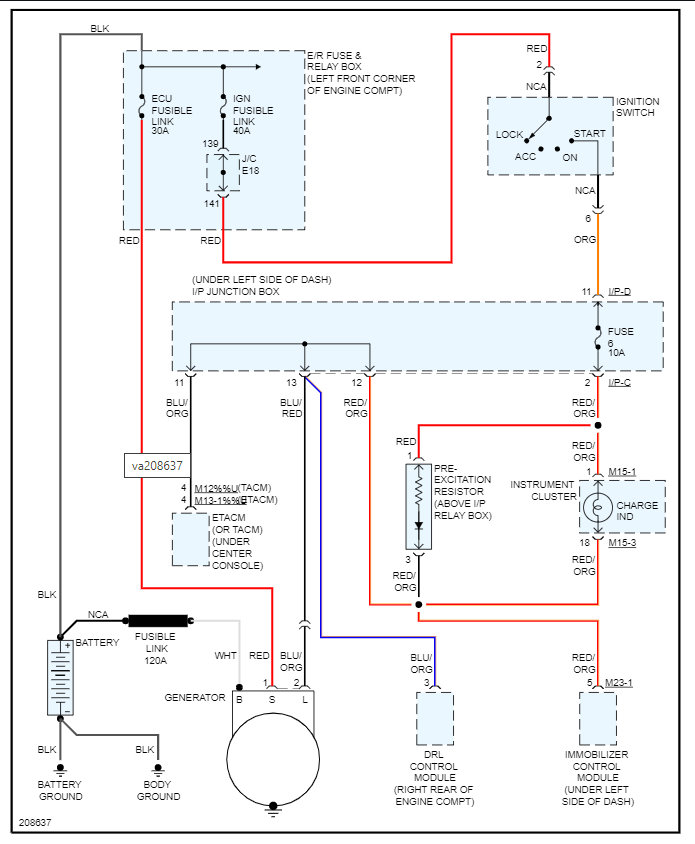
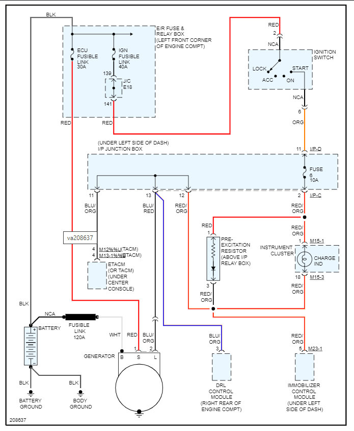
That means we need to run the following tests. Refer to the wiring diagram but we need to check from the battery to the generator on terminal B. You do this by putting one meter lead on the battery terminal and the other lead at the alternator and see how many volts that wire is using. It should be very low. Wiring should not be using much voltage at all so if you have more than a volt then that wiring has high resistance.

You can do a resistance test that is shown in this guide, but voltage drops are a little easier because you don't have to take the connectors off to check the wiring.

https://www.2carpros.com/articles/how-to-use-a-voltmeter

Then you need to do the same tests for each wire on the alternator and let me know your results.

Thanks
Was this
answer
helpful?
Yes
No
Saturday, December 4th, 2021 AT 4:49 PM

Please login or register to post a reply.