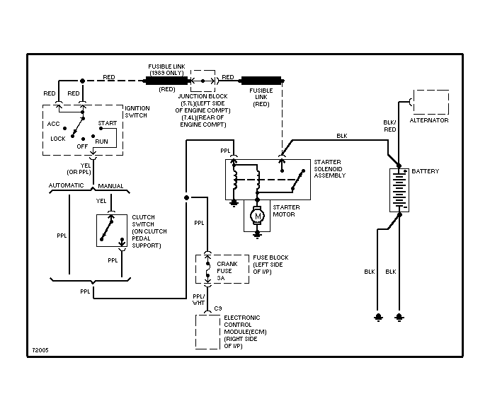
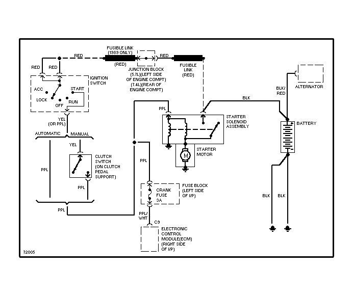
My 2005 GMC Envoy makes a long whining noise every time I start it. It sounds much like an air plane and goes up in pitch then comes down. This lasts for about 60 seconds after starting then it's fine. Usuaally does this one time a day when first starting or if left for more than 3 hours without driving. Any suggestions? Everyything checks out fine, no check engine lights, oil is full and changed and gauges are all fine.
Any help would be appreciated!
Any help would be appreciated!
Aug 10, 2012 at 10:55 PM

