Wednesday, July 4th, 2012 AT 3:13 PM
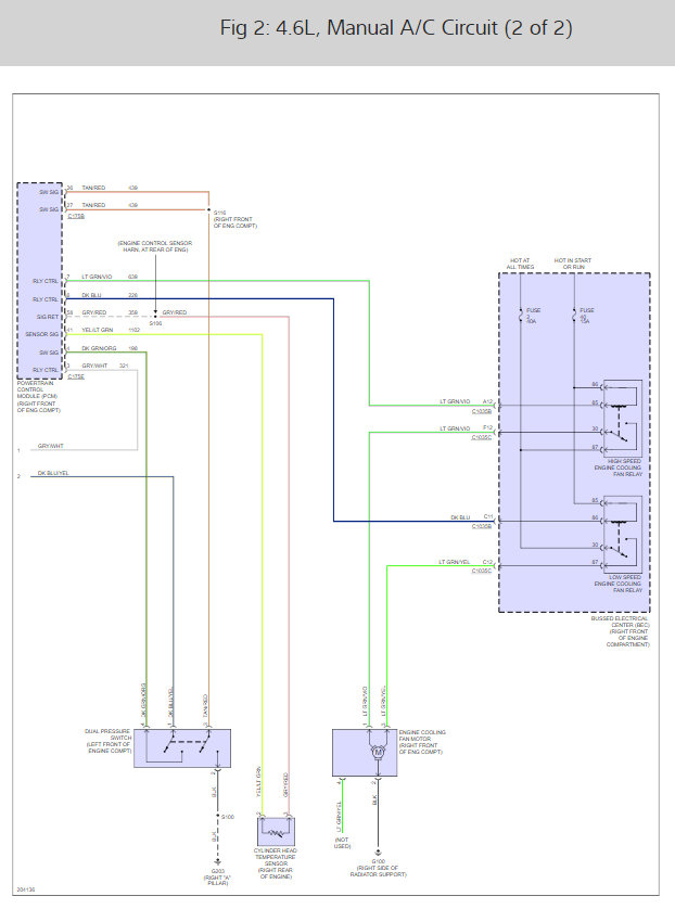
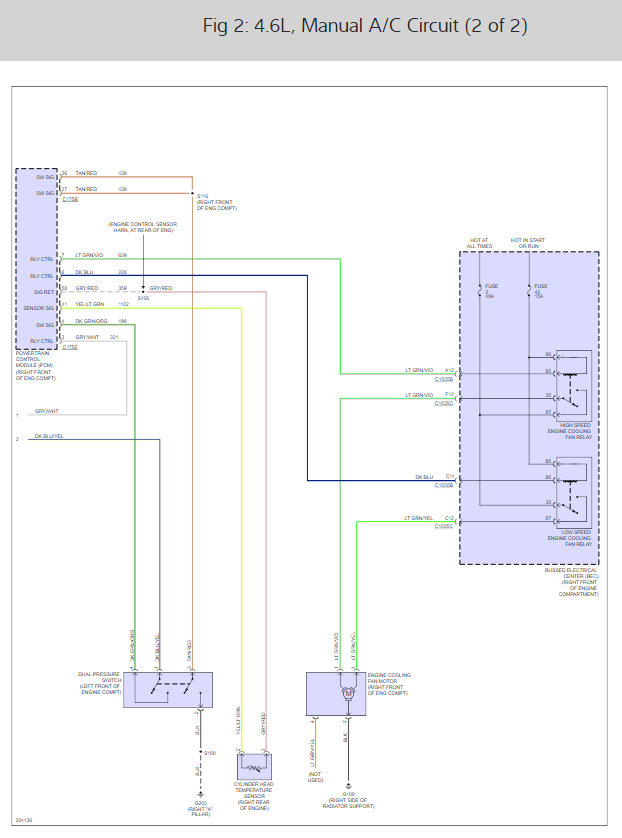
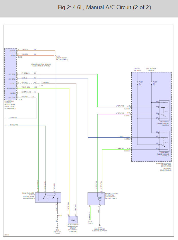
Problem with a/c high pressure switch causing a/c compressor to disengage, a/c blows cold if I unplug the switch? I have a 2005 mustang v6 having problem with a/c high pressure cut out switch. When the plug is plugged into it it makes the compressor disengage, if I just unplug it the compressor kicks righ on and a/c blows cold but if I turn the a/c off from inside the car the compressor stays ingaged and lines will begin to freeze, so I have to keep the a/c inside the car turned on at all times. I have replaced the high pressure switch but still does the same thing. Had a shop replace compressor, accumulator, exc. And hi and low pressure readings are good, but the high pressure switch still cuts the compressor off when plugged i?



