Wednesday, July 18th, 2012 AT 6:12 PM
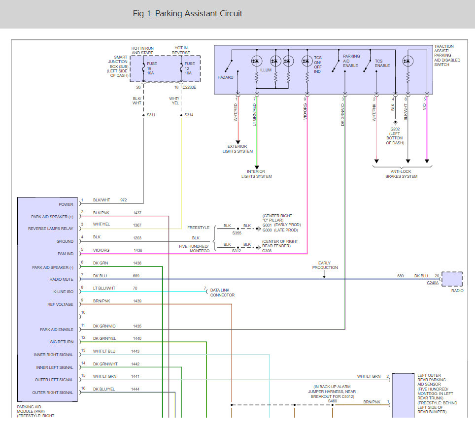
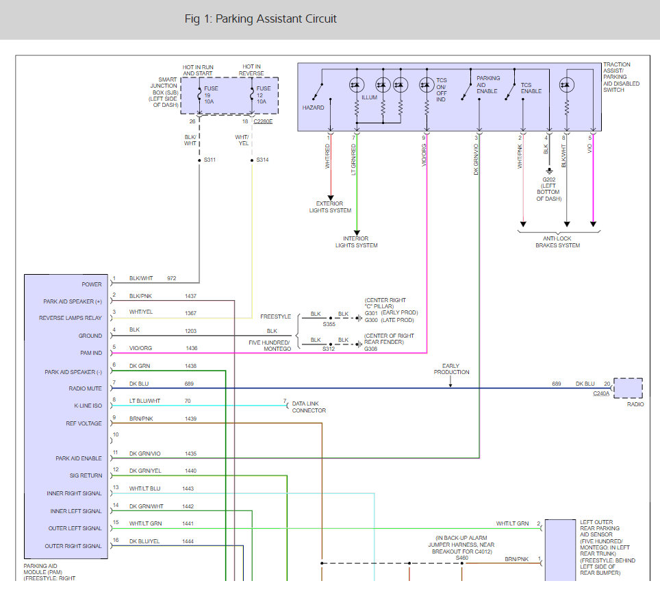
It does not beep anymore and the light stays on, showing it is off. My reverse sensor used to work in my car, then one day the light turned on, which shows it is off, and it has never returned. I cleaned the sensors in the back of the car. Even if I push the button, which should turn it on, it stays off! I like the beeping to show me if I am close to something












