Hub diagrams

Tiny
TLA316
  • MEMBER
  • 2005 FORD F-250
  • 6 CYL
  • 4WD
  • AUTOMATIC
  • 97,000 MILES
Where are the and can I get a diagram of vac for the locking hubs on my truck?
Wednesday, August 3rd, 2011 AT 11:28 PM

9 Replies

Tiny
FIXITMR
  • MECHANIC
  • 9,990 POSTS
Still need diagram?
Was this
answer
helpful?
Yes
No
Thursday, October 20th, 2011 AT 3:40 PM
Tiny
CJ MEDEVAC
  • MECHANIC
  • 11,005 POSTS
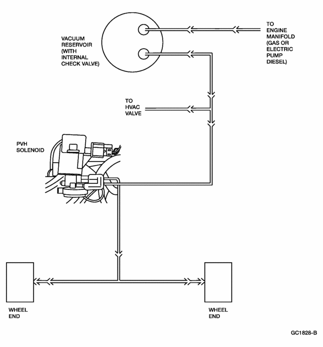
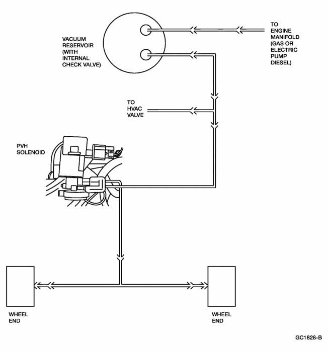
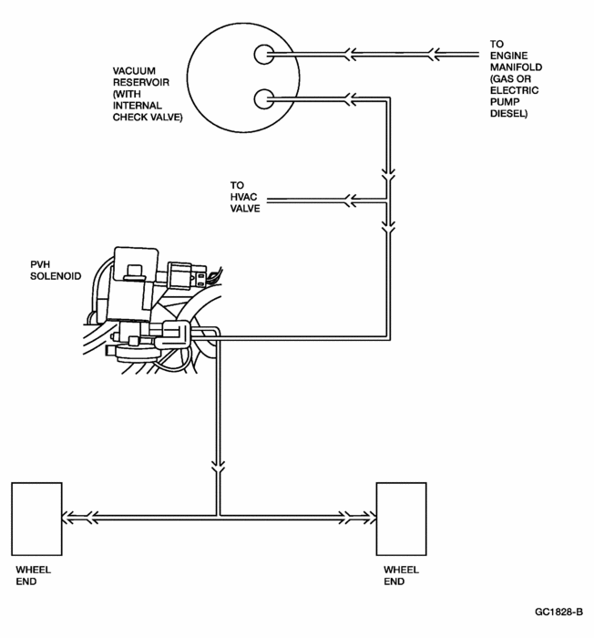
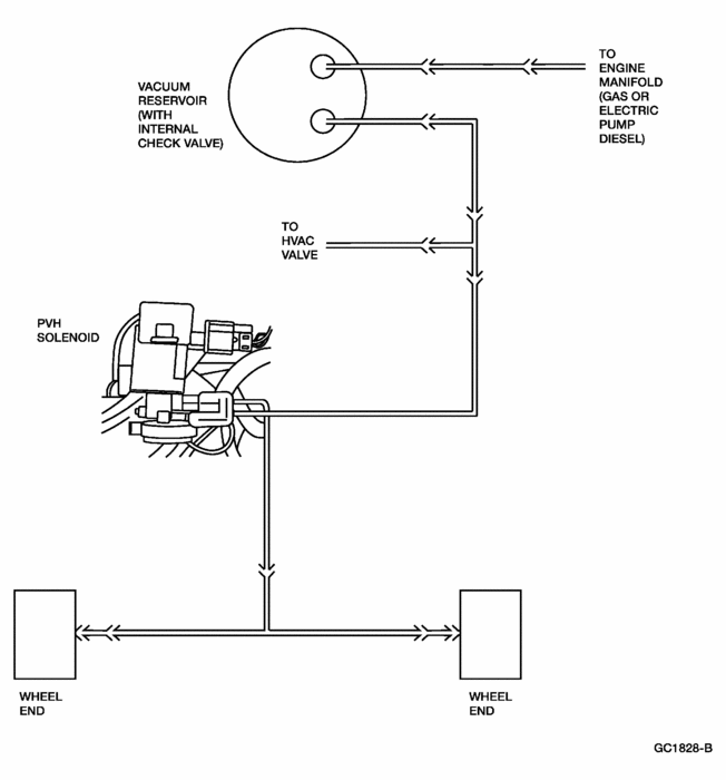
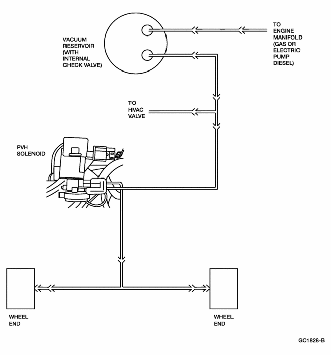
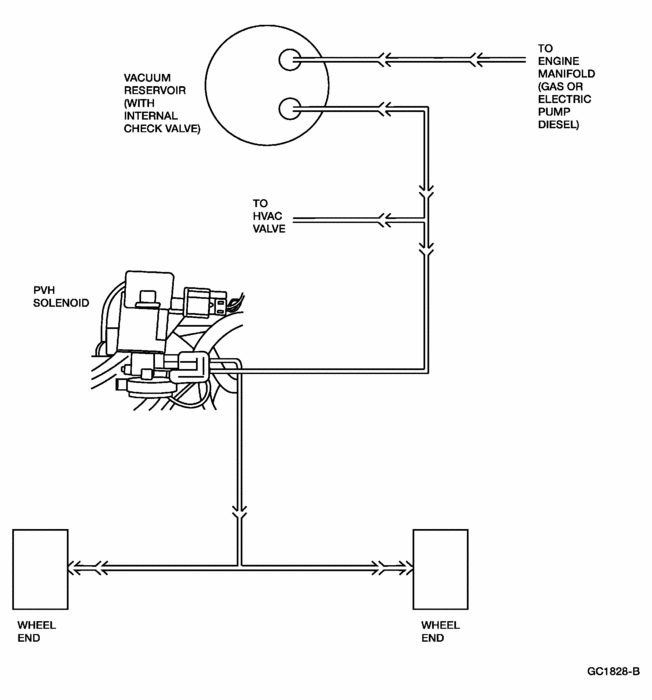
There are 106 figures (diagrams) that deal with the hubs. Looks like most are dealing with testing wires.

This one was the only vacuum schematic I uploaded the exploded view while searching, sending it too.

Hope this is what you want.

The medic
Was this
answer
helpful?
Yes
No
-2
Thursday, October 20th, 2011 AT 7:40 PM
Tiny
BRYAN GAMBINA
  • MEMBER
  • 3 POSTS
Where are these "106 figures" for the hubs? I have a 2005 F250 FX4 and I am trying to get an exploded view of the assemblies. Thanks in advance.
Was this
answer
helpful?
Yes
No
Friday, June 8th, 2018 AT 8:45 AM
Tiny
CJ MEDEVAC
  • MECHANIC
  • 11,005 POSTS
These diagrams are in "Mitchell 1" (a pay online repair manual catering mostly to shops). We have access to it as a perk from this site.

Presently some of us are having trouble getting into it.

I will assist you the best way I know how.

If you will respond below with exactly the information you want to see. Include any thing special with your vehicle's nomenclature. Sometimes your VIN number will make things go smoother.

I will "message" ASEMASTER6371 (who just verified he still has access) and maybe he will jump on this post and further assist you!

Sorry for the delay, I feel he will come through for you!

The Medic
Was this
answer
helpful?
Yes
No
Friday, June 8th, 2018 AT 3:35 PM
Tiny
ASEMASTER6371
  • MECHANIC
  • 52,796 POSTS
Good evening.

CJ was referring to the 106 as all the ones including non vacuum controls.

Did you test for vacuum at the hubs with four wheel selected?

Roy
Was this
answer
helpful?
Yes
No
Friday, June 8th, 2018 AT 4:32 PM
Tiny
ASEMASTER6371
  • MECHANIC
  • 52,796 POSTS
Can you verify the engine size? There is no six cylinder listed for F250 four wheel.

Roy
Was this
answer
helpful?
Yes
No
-1
Friday, June 8th, 2018 AT 4:35 PM
Tiny
BRYAN GAMBINA
  • MEMBER
  • 3 POSTS
Good evening CJ MEDEVAC, thank you very much for the help. My vehicle is a 2005 F250 FX4 6.0 PowerStroke. VIN number, 1FTSW21P85EB19701

I am going to replace my stub shaft, u-joints, hub assembly and everything in between (i.E. Seals and washers) while I have it all apart, and was trying to get a diagram or exploded view so I can order the correct parts and or kits.

Again, thank you very much in advance!

Sincerely,

Bryan
Was this
answer
helpful?
Yes
No
-1
Tuesday, June 12th, 2018 AT 5:53 PM
Tiny
ASEMASTER6371
  • MECHANIC
  • 52,796 POSTS
Diagrams for hub.

Roy
Was this
answer
helpful?
Yes
No
+2
Wednesday, June 13th, 2018 AT 4:38 AM
Tiny
BRYAN GAMBINA
  • MEMBER
  • 3 POSTS
Thank you for that, but I was hoping to find something like this (see attached). So that I can see every seal, bearing, joint, etc, from the pumpkin to the locking hub and everything in between. Thanks in advance!
Was this
answer
helpful?
Yes
No
Wednesday, June 20th, 2018 AT 11:27 AM

Please login or register to post a reply.