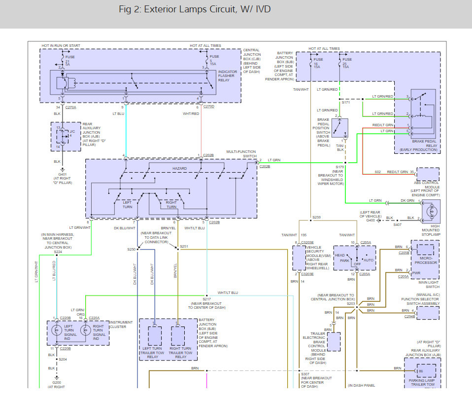
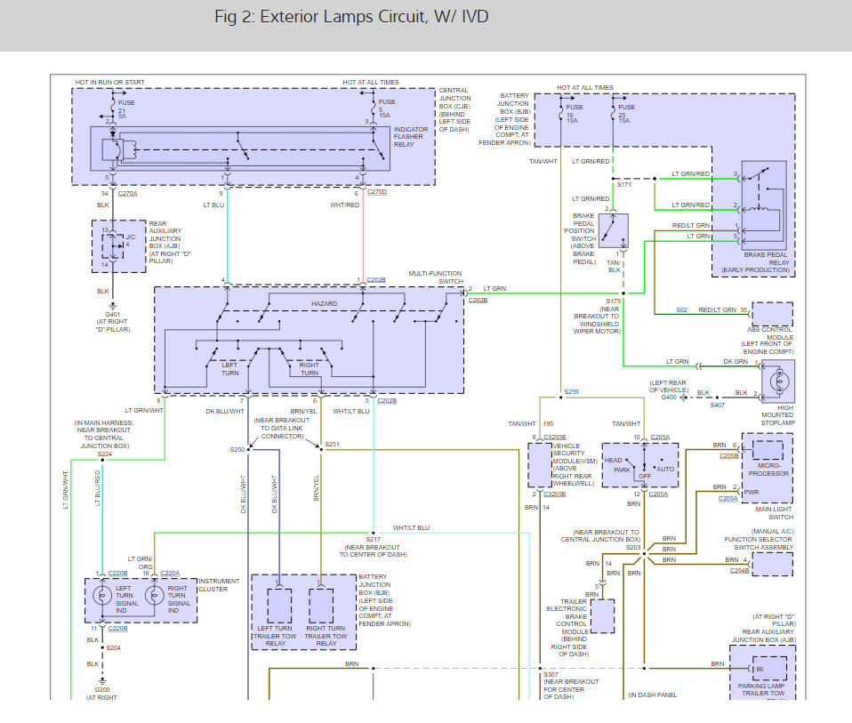
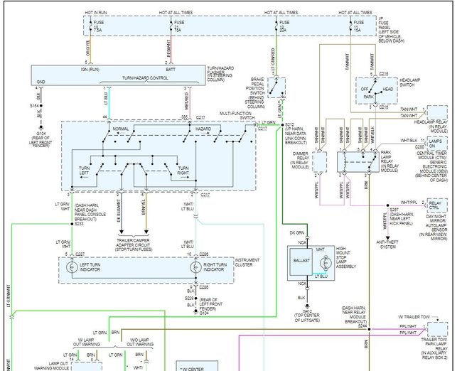
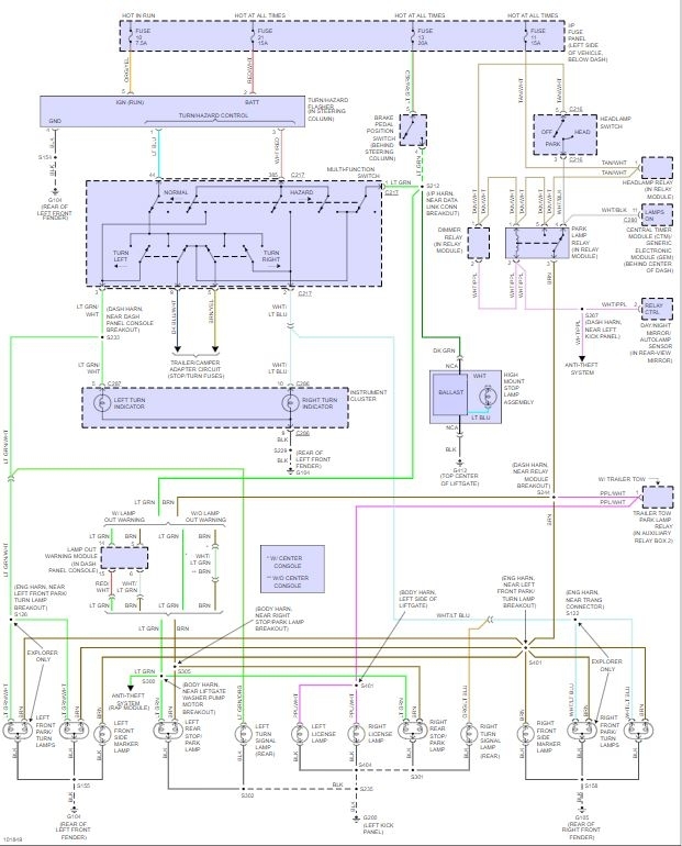
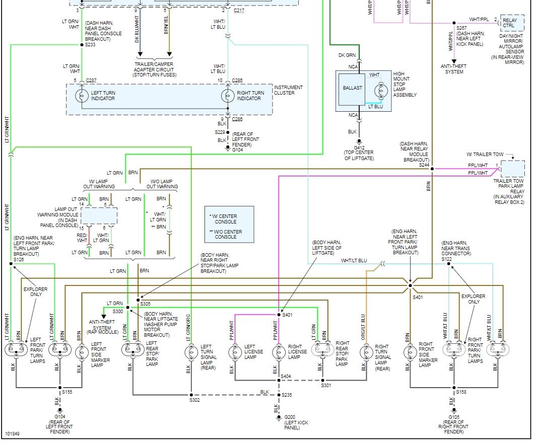
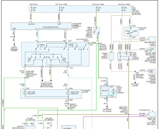
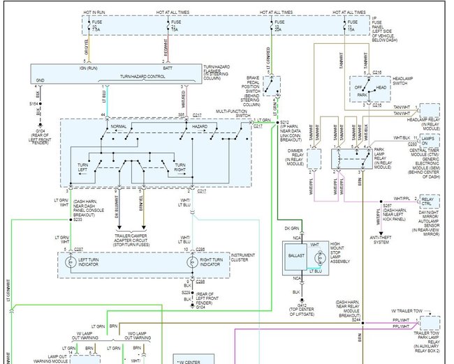
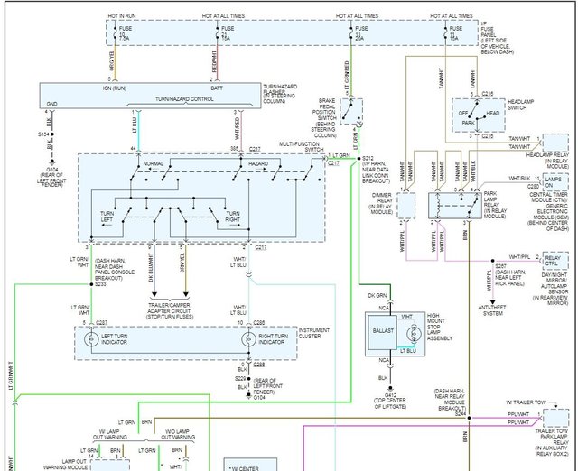
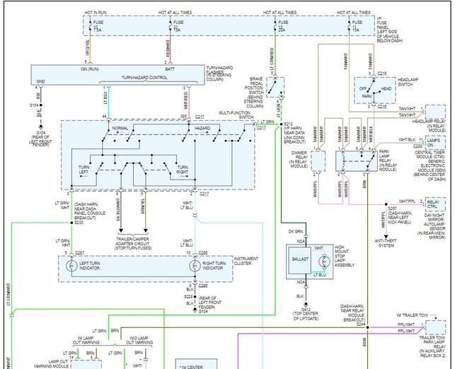
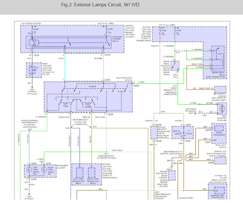
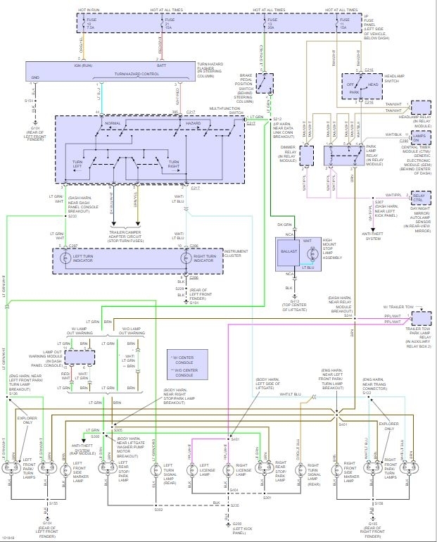
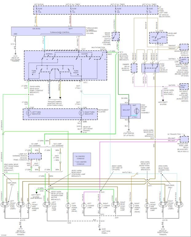
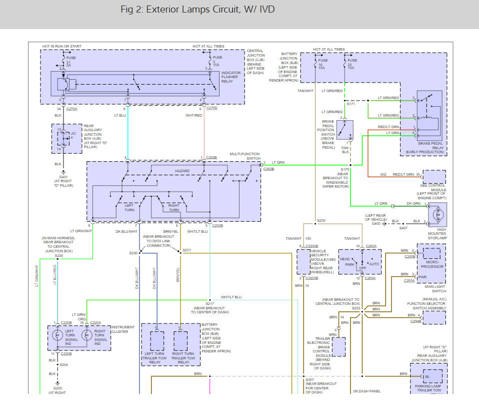
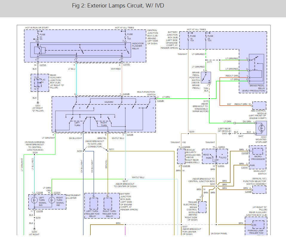
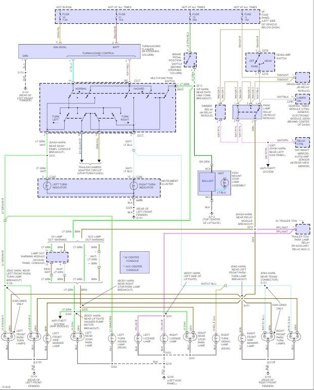
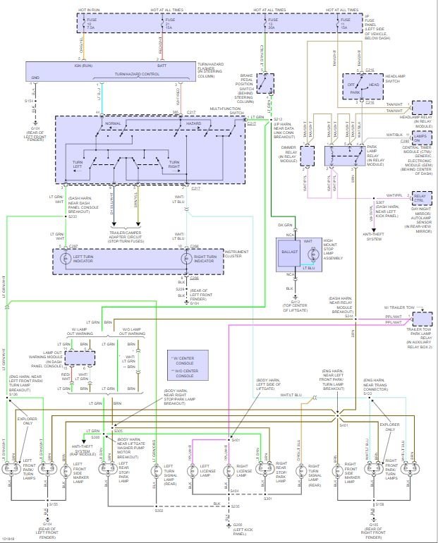
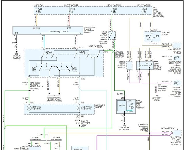
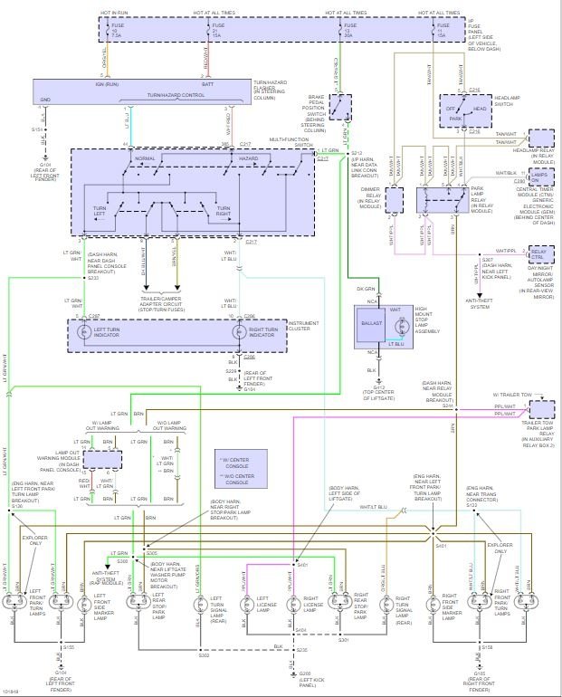
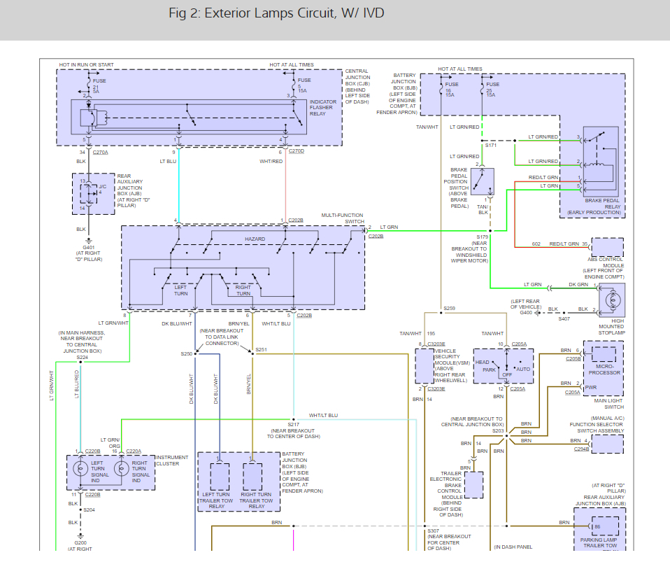
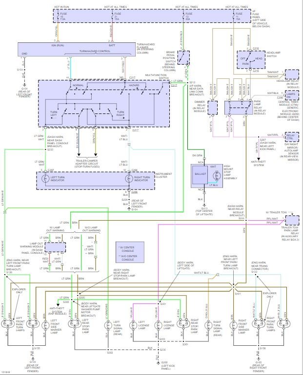
First check all fuses in the in car and under hood boxes, then you may need to test the multifunction switch on the column.
MULTIFUNCTION SWITCH Remove multifunction switch. See MULTIFUNCTION SWITCH under REMOVAL & INSTALLATION. Measure resistance between specified terminals while operating multifunction switch lever in specified positions. See MULTIFUNCTION SWITCH TESTING (EXPLORER & MOUNTAINEER) or MULTIFUNCTION SWITCH TESTING (EXPLORER SPORT & EXPLORER SPORT TRAC) table. See Fig. 5 or Fig. 6 . If resistance is not as specified, replace multifunction switch.


Removal:
MULTIFUNCTION SWITCH Removal & Installation Disconnect negative battery cable. Remove lock cylinder. See LOCK CYLINDER . Twist tilt lever handle counterclockwise and remove handle (if equipped). Remove upper and lower steering column covers. Remove multifunction switch retaining screws. Disconnect multifunction switch harness connectors and remove switch. To install, reverse removal procedure. WARNING: Deactivate air bag system before performing any service operation involving steering column components. See appropriate AIR BAG RESTRAINT SYSTEMS article. Do not apply electrical power to any component on steering column without first deactivating air bag system. Air bag may deploy.
LOCK CYLINDER Removal & Installation (Functional) Disconnect negative battery cable. Disable air bag system. See appropriate AIR BAG RESTRAINT SYSTEMS article.Turn ignition switch to RUN position. Insert a 1/8" drill bit or wire through access hole in lower steering column cover (below lock cylinder). See Fig. 7 . Press retaining pin inward and pull out lock cylinder. To install, lubricate lock cylinder. Turn lock cylinder to RUN position. Press retaining pin inward and insert lock cylinder into housing. To install, reverse removal procedure. WARNING: Deactivate air bag system before performing any service operation involving steering column components. See appropriate AIR BAG RESTRAINT SYSTEMS article. Do not apply electrical power to any component on steering column without first deactivating air bag system. Air bag may deploy.

Disable air bags by removing the negative battery cable and leave it disconnected for 5 minutes, then proceed and leave the cable off until you have reassembled the column.
Monday, May 10th, 2021 AT 1:39 PM
(Merged)