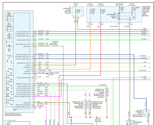
Monday, November 4th, 2024 AT 6:25 PM
The rear works fine, the compressor is working (because cold air comes through the front at highway speeds and the back works). Have replaced the blower and resistor. The blower just does not turn on at all. The fuses I have checked are all fine but may have missed some. I would love to know what all fuses/relays to check and next steps.








