Alternator not charging

2005 CHEVROLET TAHOE
160,000 MILES
Avatar
PITTBULL71
  • MEMBER
  • 1 POST
Just out of the blue the alternator just dropped from the norm14 v to like 7 v the dummy light never came on but it def not charging I checked the connections thay seem fine so I was wondering if there was a fusible link or fuse ,resister or something I can check before I go out and buy a alternator I have never seen one just go out usually there some warning o and them was a odd smell
Jul 2, 2013 at 11:36 PM
Repair Safety Notice: This information is for general instructional purposes only. Vehicle repair can be dangerous. Verify all information, follow manufacturer service procedures, use proper tools and safety equipment, and consult a qualified repair shop when needed.
Advertisement
Avatar
HMAC300
  • AUTOMOTIVE REPAIR CONTRIBUTOR
  • 48,601 POSTS
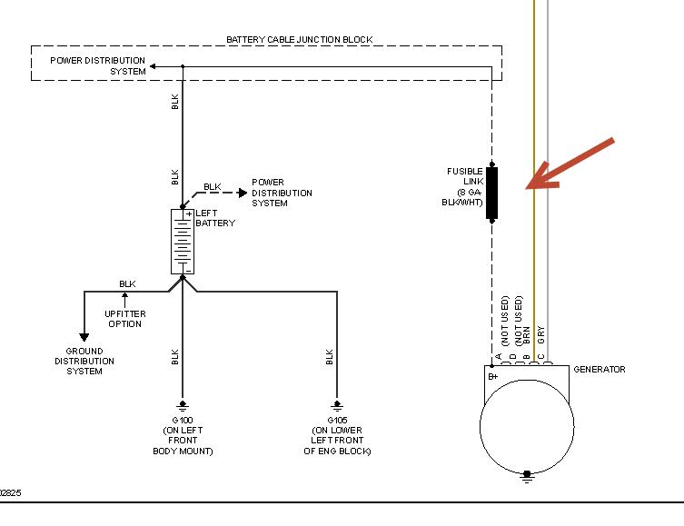
It sounds like the fusible link has blown

https://www.2carpros.com/articles/how-to-check-a-car-alternator

there is a fusible link. Check out the diagrams (Below). Let us know what happens and please upload pictures or videos of the problem.
Dec 18, 2018 at 12:11 PM
Advertisement
Avatar
KEMPERDOG
  • MEMBER
  • 2 POSTS
My light for battery is illuminated and the message center reads "battery not charging" and the voltage hovers at eleven volts when the car is running. Occasionally, the light will turn off and the volts will jump to fourteen volts for a bit. I had some engine work done a month ago and battery was replaced at that time, so I would like to believe that the battery is in good condition.
Jun 29, 2020 at 11:25 AM (Merged)
Avatar
BLUELIGHTNIN6
  • AUTOMOTIVE REPAIR CONTRIBUTOR
  • 16,542 POSTS
Hello,

This sounds like the alternator is not working here are two guides to help you test and change the alternator out.

https://www.2carpros.com/articles/how-to-check-a-car-alternator

and

https://www.2carpros.com/articles/how-to-replace-an-alternator

Here is the alternator on Amazon for $116.00 AC Delco


https://www.amazon.com/gp/product/B007QBR5TA/ref=as_li_qf_asin_il_tl?ie=UTF8&tag=2carprcom-20&creative=9325&linkCode=as2&creativeASIN=B007QBR5TA&linkId=02ce236df38f8f1d189aefbb46980824

Please let us know what you find.




Jun 29, 2020 at 11:25 AM (Merged)
Avatar
CARADIODOC
  • AUTOMOTIVE REPAIR CONTRIBUTOR
  • 34,308 POSTS
Hi kemperdog. Welcome to the forum. There is some good news in my reply. There is no way to sugar-coat the bad news though. It is a well-known fact that GM went from the second best charging system in the world to the worst pile ever produced beginning with the 1987 model year. It is common to go through four to six generators, (aka alternator, but that term is copyrighted by Chrysler), in the life of the vehicle. They are extremely difficult to disassemble and just as difficult to identify the defective components so most people just replace the entire unit which includes the voltage regulator.

The good news is if this is the first time you have had charging system trouble in 172,000 miles, you are doing way better than average. The second bit of good news is more and more mechanics are learning that to prevent repeat failures, the battery, which might work just fine in any other car or truck, must be replaced at the same time. Since your battery was just replaced, you will likely not have a problem with your new generator.

Due to the design of this generator, they develop a lot of voltage spikes. Special "zener" diodes help to dampen most of those spikes, the ones that get through can wreak havoc on the many computers on the truck. Sensor voltages vary by a few hundredths of a volt. Voltage spikes affect sensor readings and will make the computers respond to the wrong things and do weird things. GM generators are a known cause of engine performance problems even when they are still keeping the battery fully charged.

As the battery ages, its "internal resistance" goes up which lessens its ability to absorb and dampen voltage spikes. That is why replacing the battery when the generator is replaced will make the generator last longer.

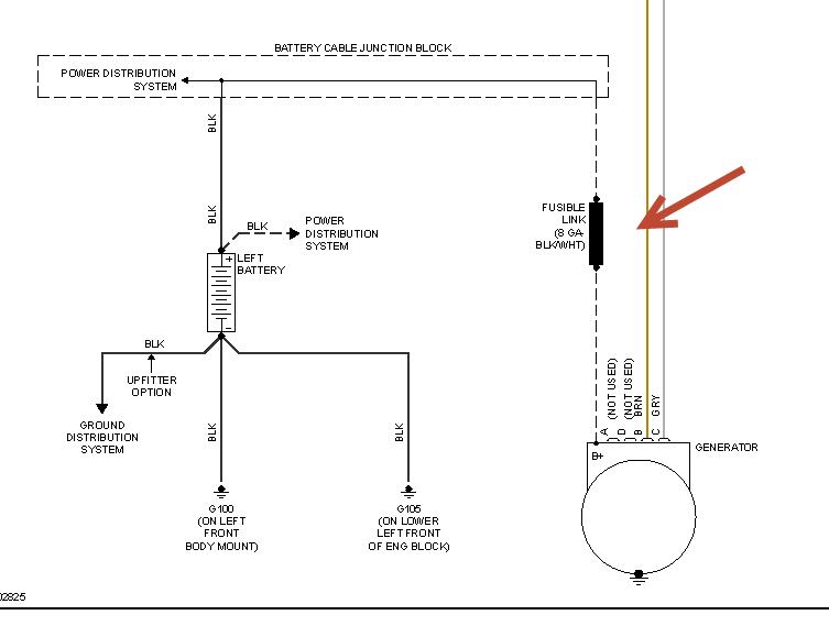
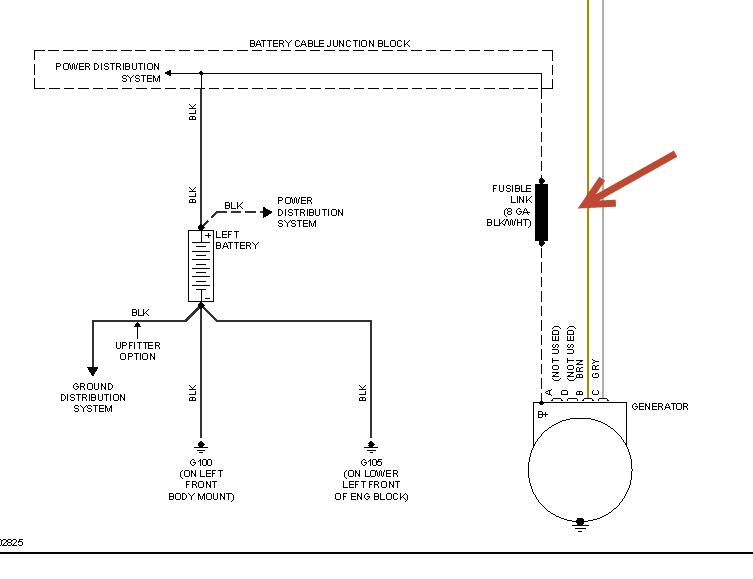
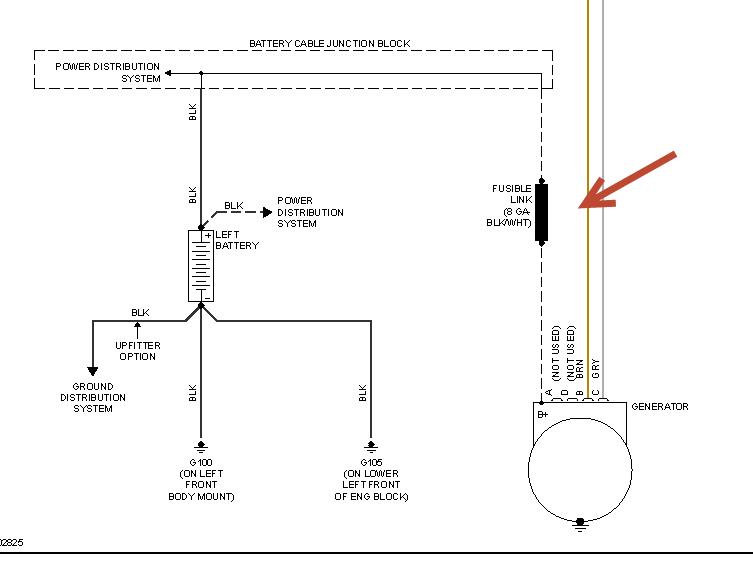
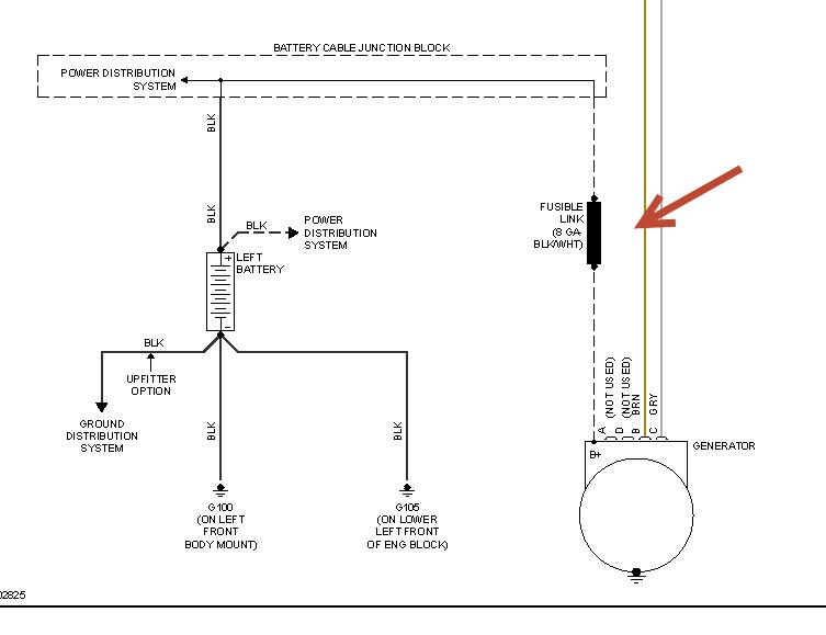
There are tests you can do on the charging system, but you already noticed the voltage reading is low intermittently. Everything is self-contained in the generator. The only other thing that can cause it to stop charging is a break in the small red or brown wire that plugs into the side of it, but that is also the wire that turns on the warning light. Since the light is working, that wire must be okay too.

Here are the wiring diagrams and a guide to help you test the wiring

https://www.2carpros.com/articles/how-to-check-wiring


caradiodoc
Jun 29, 2020 at 11:25 AM (Merged)
Avatar
JDBEAULOYE
  • MEMBER
  • 1 POST
Thanks for this post I had this problem and fixed it!
Jun 29, 2020 at 11:25 AM (Merged)
Avatar
DOM5907
  • MEMBER
  • 2 POSTS
I have a 2004 chevy tahoe I replaced my alternater and it says battery not charging I thought the harness(the wires that connect to the back) was inop to I replaced that too. But it still says its not working I tjought it , ight be the ground. I have roughly 130k miles. I cant figure it out...
Jun 29, 2020 at 11:26 AM (Merged)
Avatar
JACOBANDNICKOLAS
  • AUTOMOTIVE REPAIR CONTRIBUTOR
  • 110,190 POSTS
Did you test the fusible link between the starter and alternator? Is the alt receiving power?
Jun 29, 2020 at 11:26 AM (Merged)
Avatar
DOM5907
  • MEMBER
  • 2 POSTS
No I didnt check that. But I figured it was cause the light would turn off for a few sec then it would flash back on..but ill check that and maybe we can figure out whats wrong
Jun 29, 2020 at 11:26 AM (Merged)
Avatar
JACOBANDNICKOLAS
  • AUTOMOTIVE REPAIR CONTRIBUTOR
  • 110,190 POSTS
Let me know what you find. I bet that is the problem. Also, make sure to check if the alt is getting power.
Jun 29, 2020 at 11:26 AM (Merged)
Avatar
2CP-ARCHIVES
  • MEMBER
  • 4,540 POSTS
i have a 2003 chevy tahoe the tahoe battery not charging light keep coming on and is died later that day so i had to put in a new battery and new alternator and now the battery not charging light is blinking on and off and the truck runs for 30 seconds then just dies but will start right up but keeps dying and for the 30 seconds the truck want hold at idle i have to keep my foot on the gas and if i keep my foot on the gas pedal over a 1000 rpm the truck will stay running but light is still on take my foot off it dies
Jun 29, 2020 at 11:26 AM (Merged)
Avatar
ASEMASTER6371
  • AUTOMOTIVE REPAIR CONTRIBUTOR
  • 52,796 POSTS
check all the connections for the alt.

the idle has to re learn after battery replacement

Roy
Jun 29, 2020 at 11:26 AM (Merged)
Avatar
BRAXTAHOE
  • MEMBER
  • 1 POST
My digital display came on a while ago and said "Battery not charging" and the guage is a lil low. Do you know what this could mean? Is my alternator going bad and why so sudden? Please help!!
Jun 29, 2020 at 11:26 AM (Merged)
Avatar
BMRFIXIT
  • AUTOMOTIVE REPAIR CONTRIBUTOR
  • 19,053 POSTS
Should have the charging system checked ASAP
Jun 29, 2020 at 11:26 AM (Merged)
Avatar
CHILL843
  • MEMBER
  • 1 POST
Was wondering if i may have alternator problems. My truck is slow to start. it starts all electrical systems work. i have a stereo system in my truck. could it be that my sound systems is draining the juice in my battery and the alternator is not charging enough?
Jun 29, 2020 at 11:26 AM (Merged)
Avatar
MHPAUTOS
  • AUTOMOTIVE REPAIR CONTRIBUTOR
  • 31,937 POSTS
Hi there,

have the battery load tested, this will prove the viability of the battery, check alternator charge rate, will need to be over 13.5 V min check battery terminals are clean and tight and chassis earth is ok. Do you run an Amp? is it powered up with key off? if so this will drain battery.

mark (mhpautos)
Jun 29, 2020 at 11:26 AM (Merged)
Avatar
KBROWN
  • MEMBER
  • 1 POST
I have a 2002 Chevy Tahoe 5.3L V8 with approximately 230,000 miles. I have had the fuel pump replaced twice (recently in October 2010), the transmission rebuilt (January 2011), a new battery installed (04/01/2011), the alternator was also replaced (about a year or so ago). On Wednesday, something started draining my (new) battery power. The truck cranks right up (so no 1 has considered the starter). I took it to a local auto place and they said the alternator is not charging right. I took the alternator back (where I purchased it) and got it tested. It tested good (I saw results). I did leave with another alternator. I'm just wondering what else the problem could be?
Jun 29, 2020 at 11:26 AM (Merged)
Avatar
RASMATAZ
  • AUTOMOTIVE REPAIR CONTRIBUTOR
  • 75,992 POSTS
Could be the computer controlled of the alternator field generation circuit-have it checked
Jun 29, 2020 at 11:26 AM (Merged)
Avatar
JAMES SIMOND
  • MEMBER
  • 1 POST
Electrical problem
2001 Chevy Tahoe V8 Two Wheel Drive

when i was driving my battery light blinks off and on battery was low replaced with new battery battery light still goes on and off not charging the battery. replace alternator new one battery light stays on constant doesnt charge battery would u know whats wrong? going need help please!!!!!
Jun 29, 2020 at 11:26 AM (Merged)
Avatar
JACOBANDNICKOLAS
  • AUTOMOTIVE REPAIR CONTRIBUTOR
  • 110,190 POSTS
Even thought the alt is new, has it been checked. If it has and it is good, I believe there is a fuseable link between the alt and the engine that may be your problem.

Joe
Jun 29, 2020 at 11:26 AM (Merged)
Avatar
BGBDWOLF
  • MEMBER
  • 13 POSTS
I am having an issue with the charging system on my 1999 Tahoe 5.7L. My voltage will vary greatly while the vehicle is running going from 12 volts to 14.5 volts. I changed the belt already. The last few days it is running at about 12.5 volts, if I disconnect the battery while the truck in running the voltage from the alternator will jump to 14.23 volts but back down to between 12.25 and 12.5 when reconnected. Even when running and the voltage is at 14+ as soon as the system is put under load (eg. headlights or heater fan the voltage quickly drops to around 12 volts. If left at an idle without a load it will slowly creep to around 14 volts. While running the voltage usually stays around 12.5 volts but will creep up when you increase the rpms and then decrease them (EG. going up a hill or taking off from a stop). I believe it to be the alternator and am going to take it in to be checked but would like some additional information.
Jun 29, 2020 at 11:26 AM (Merged)
Avatar
HOMER1967
  • AUTOMOTIVE REPAIR CONTRIBUTOR
  • 875 POSTS
12.6 volts or less is pure battery voltage.the battery has six cells and each cell is 2.1 volts.definitely have the alternator tested.it sounds like a bad diode.
Jun 29, 2020 at 11:26 AM (Merged)
Avatar
BGBDWOLF
  • MEMBER
  • 13 POSTS
Can you replace those yourself or is it best to just replace the alternator?
Jun 29, 2020 at 11:26 AM (Merged)
Avatar
HOMER1967
  • AUTOMOTIVE REPAIR CONTRIBUTOR
  • 875 POSTS
no,you would need to replace the whole alternator.but have it and the battery tested before you replace anything.
Jun 29, 2020 at 11:26 AM (Merged)
Avatar
BGBDWOLF
  • MEMBER
  • 13 POSTS
I am looking to replace my alternator because I am having charging issues. I believe the one that is in there is either a 100 amp or 105 amp unit based on the body style. I have power seats, windows, mirrors, a/c and rear defrosters. Can I replace it with a 140 amp unit without cause damage to the rest of the electrical system in the truck?
Jun 29, 2020 at 11:26 AM (Merged)
Avatar
WRENCHTECH
  • AUTOMOTIVE REPAIR CONTRIBUTOR
  • 20,761 POSTS
Not likely. They are usually physically different and mount differently.
Jun 29, 2020 at 11:26 AM (Merged)
Avatar
COMPUTERMAN
  • MEMBER
  • 1 POST
My 98 Chevy tahoe won't charge.
I've changed the battery & alternator.
Jun 29, 2020 at 11:26 AM (Merged)
Avatar
SATURNTECH9
  • AUTOMOTIVE REPAIR CONTRIBUTOR
  • 30,869 POSTS
Do you have a multimeter to do some testing?Also did you have your old alternator tested as bad?
Jun 29, 2020 at 11:26 AM (Merged)
Avatar
MYRON
  • MEMBER
  • 1 POST
Chevy tahoe
1995
110000km.
Engine size:5.7L

I changed the battery of my Chevy tahoe because the car won't run. When I used the new battery, The car would run, but on the monitor it shows a battery and the battery won't charge. Why?
Jun 29, 2020 at 11:27 AM (Merged)
Avatar
LEB
  • MEMBER
  • 45 POSTS
Sounds like the Alternator needs replacing.

Remove the alternator, take it to O'Reilly's, Auto Zone or somewhere and ask them to test it.
Jun 29, 2020 at 11:27 AM (Merged)