HOME
ASK A QUESTION
REPAIR GUIDES
BECOME A MEMBER
LOG IN
Login with Facebook
OR
Remember me
NOT A MEMBER?
FORGOT PASSWORD?
CONTACT US
PRIVACY POLICY
TERMS AND CONDITIONS
☰
Home
Chevrolet
Optra
Engine Cooling
Water Pump
Replace/Remove
How do I replace a water pump on a 2005 Chevy Optra?
ROBROY
MEMBER
2005 CHEVROLET OPTRA
11,700 MILES
I have a coolent leak and I think it may be the water pump. I have looked but am not sure where the water pump is.
Monday, October 24th, 2011 AT 3:12 AM
1 Reply
RIVERMIKERAT
MECHANIC
6,110 POSTS
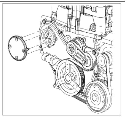
Here is a guide to walk you through the step and diagrams below on how to do the job.
https://www.2carpros.com/articles/water-pump-replacement
Check out the diagrams (Below)
Please let us know if you need anything else to get the problem fixed.
Cheers
Images (Click to make bigger)
Was this
answer
helpful?
Yes
No
-2
Friday, October 28th, 2011 AT 5:56 AM
Please
login
or
register
to post a reply.
Related Water Pump Replace/Remove Content
Coolant Flush
Where Do I Find The Drain Plug For The Coolant Flush?
Asked by
vijayarjipu
·
1 ANSWER
2 IMAGES
2004
CHEVROLET OPTRA
VIDEO
Water Pump Replacement
Instructional repair video
2004 Chevy Optra Oil And Coolant Leaks
I Went For An Oil Change Today And Was Told I Have Oil Leaks. From What They Could See I Have An Oil Sending Unit Leak, Front And Rear Seal...
Asked by
chrismd
·
1 ANSWER
2004
CHEVROLET OPTRA
Water Coolant
Water Drains Always From Coolant Reservoir While The Car Is Stationary. I Refill Water Every Day In The Coolant Reservoir. The Car...
Asked by
Uchestone
·
5 ANSWERS
2007
CHEVROLET OPTRA
Ask a Car Question. It's Free!
Water Pump Replacement
Coolant Leak Symptoms
Heater Hose Replacement Chevrolet Camaro