EPS light turn on

Tiny
RUPAQ
  • MEMBER
  • 2004 TOYOTA
  • 2WD
  • AUTOMATIC
  • 60,000 MILES
I have a toyota passo, recently the eps light turns on while engine is running, and the steering become harder. Pls help me as early as possible. Recently sometimes EPS light is showing when engine is started and it doesn't go off and steering becomes harder. I've checked in garage the tested with another reconditioned Controller but It didn't work out. Electronic scanning showed Error C 1555 (MOTOR WELDING FAILURE). I'm in a quite lost situation, please help what to do next.

FYI when engine started okay (with no signal) it doesn't show up again until engine is restarted. Means the light shows sporadically & whimsically.

RGDS
Wednesday, March 9th, 2011 AT 1:55 AM

4 Replies

Tiny
KEN L
  • MASTER CERTIFIED MECHANIC
  • 55,077 POSTS
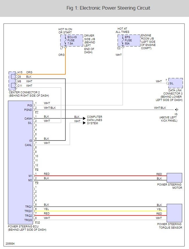
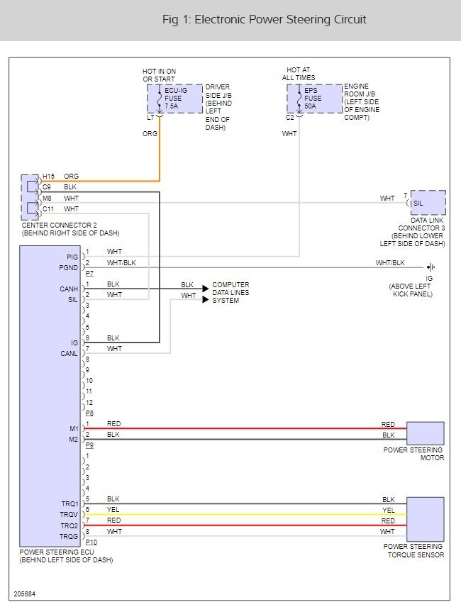
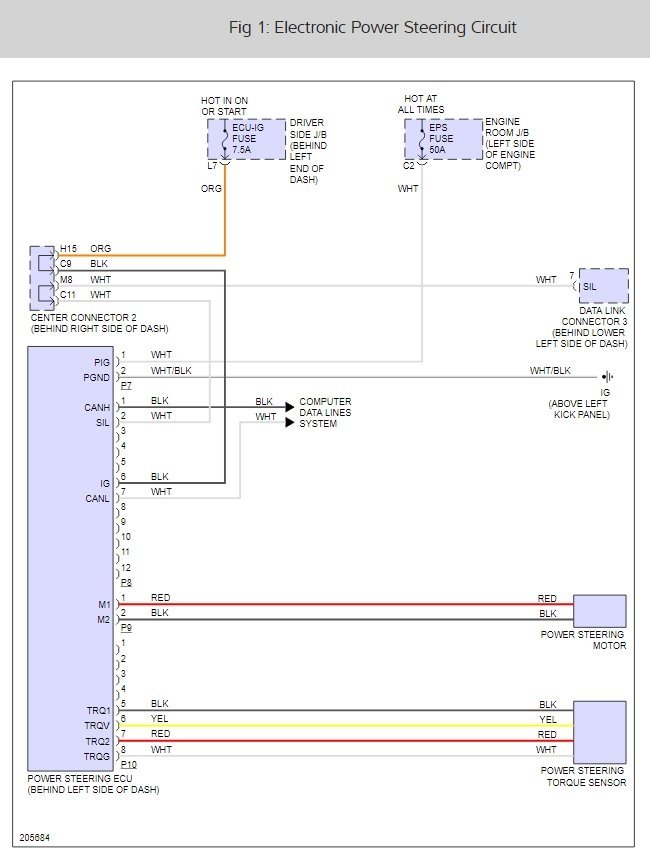
The system is surprisingly simple. There is a sensor, and motor and a controller. When the steering is not working just test for power at the motor, Here is a guide to show you how and a wiring diagrams of the system (below).

https://www.2carpros.com/articles/how-to-use-a-test-light-circuit-tester

Then you can see if its the rack or the controller that needs replacing. Also check the fuses

https://www.2carpros.com/articles/how-to-check-a-car-fuse

Never know lol

Please run this test and get back to us so we can continue helping you.

Cheers, Ken
Was this
answer
helpful?
Yes
No
+7
Wednesday, June 21st, 2017 AT 9:39 PM
Tiny
FAROOK SALAAM
  • MEMBER
  • 1 POST
EPS LIGHT STILL ON, ON TOYOTA PASSO we tried to change the control box and the motor but the light is still on and there is no voltage going to the motor and the fuses are oky what can be the problem? Please help

can the sensor have the impact on voltage going to the motor?
Was this
answer
helpful?
Yes
No
+24
Wednesday, August 2nd, 2017 AT 3:13 AM
Tiny
KEN L
  • MASTER CERTIFIED MECHANIC
  • 55,077 POSTS
Hello,

Can you check for power at pin # 1 and 6? on the controller please here is a guide to help show you how to test it.

https://www.2carpros.com/articles/how-to-use-a-test-light-circuit-tester

and

https://www.2carpros.com/articles/how-to-check-wiring

Please run this test and get back to us we are interested to see what it is.

Cheers, Ken
Was this
answer
helpful?
Yes
No
+7
Wednesday, August 2nd, 2017 AT 11:03 AM
Tiny
RUPAQ
  • MEMBER
  • 1 POST
The problem was the EPS ECU it needed to be replaced and programmed. A cost of $560.00 ouchee.
Was this
answer
helpful?
Yes
No
+7
Thursday, February 8th, 2018 AT 12:51 PM

Please login or register to post a reply.