Wiring Pinout diagram needed

Tiny
AFROTIMY
  • MEMBER
  • 2004 TOYOTA COROLLA
  • 1.8L
  • 4 CYL
  • 2WD
  • MANUAL
  • 160,000 MILES
Please, I need a pinout diagram for 2004 Corolla Verso A/C Amplifier with 20 pins and 24 pins connectors.
Tuesday, February 1st, 2022 AT 11:13 PM

1 Reply

Tiny
KASEKENNY
  • MECHANIC
  • 18,907 POSTS
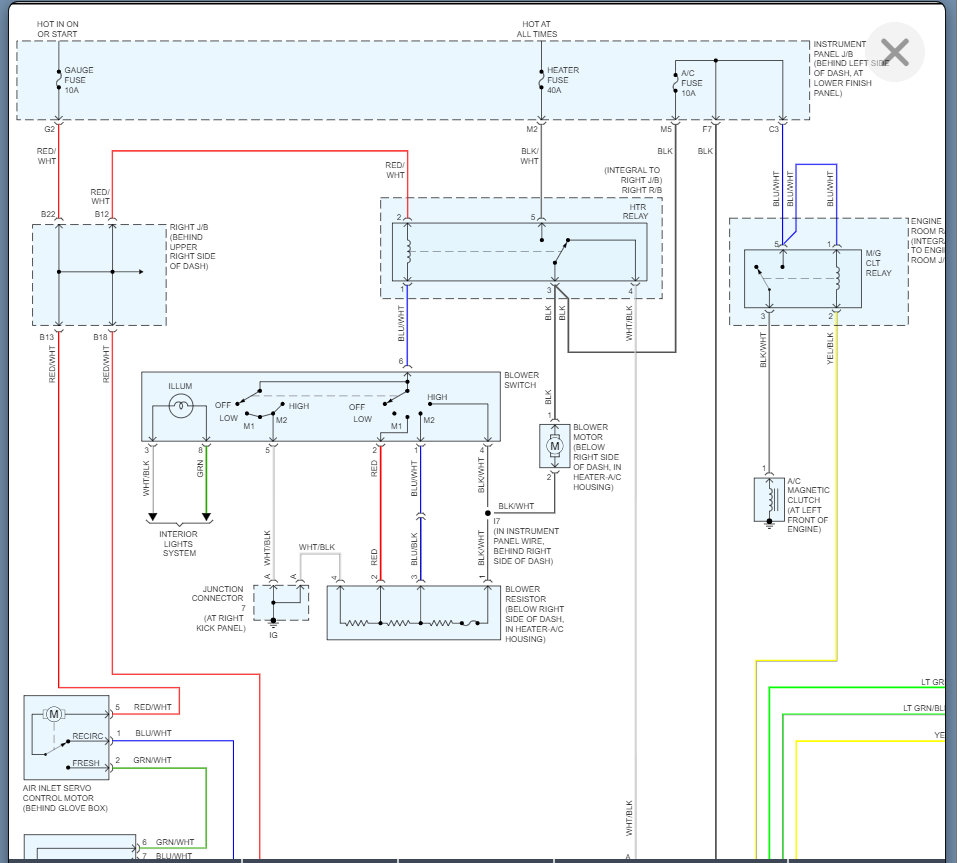
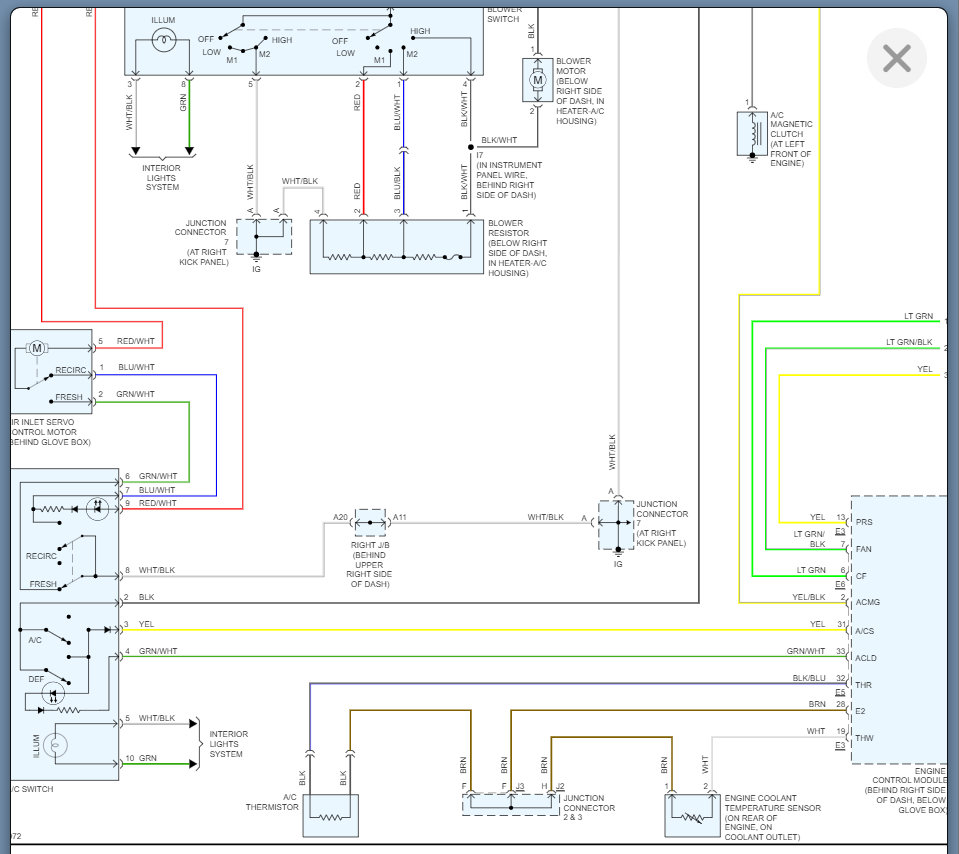
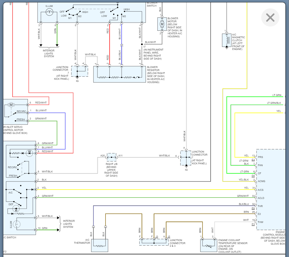
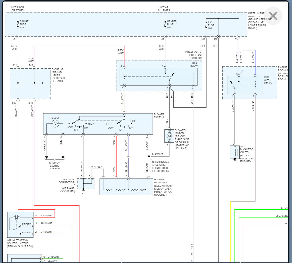
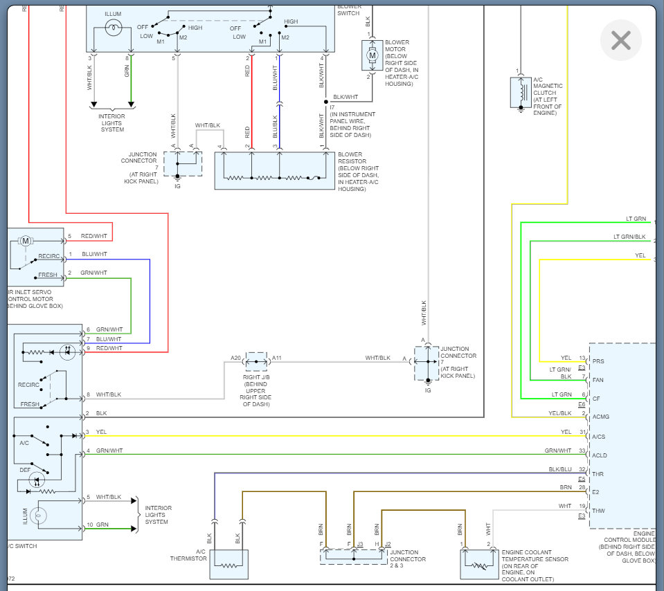
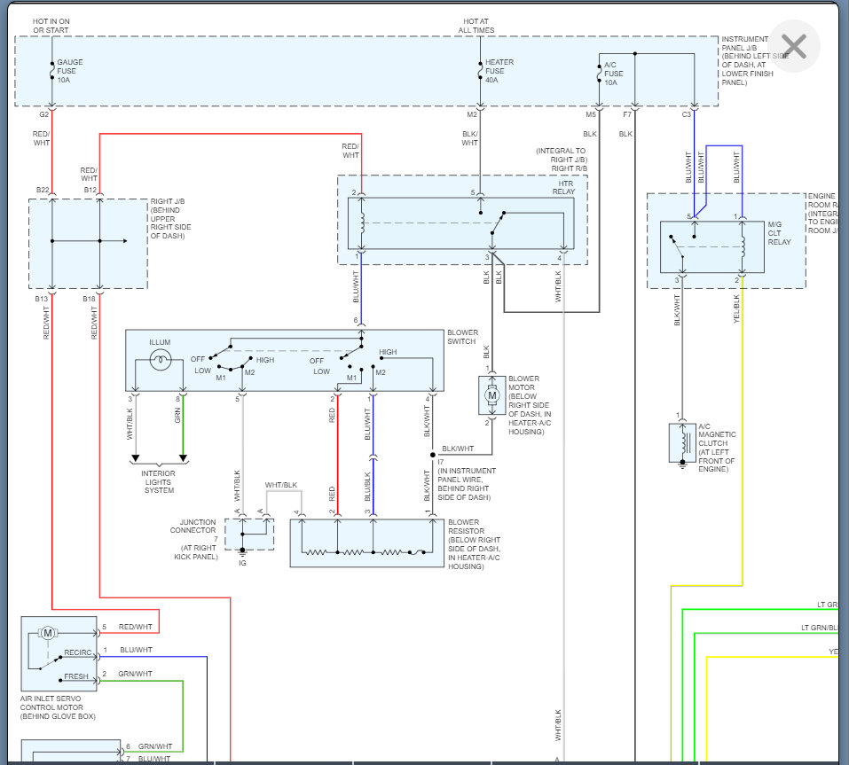
Unfortunately, this vehicle is not offered here in the USA. So, we don't have a pinout for this specific system. In fact, USA cars don't use amplifiers in the A/C system so I don't even have what ours would look like.

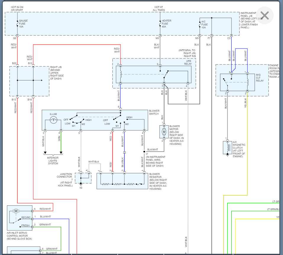
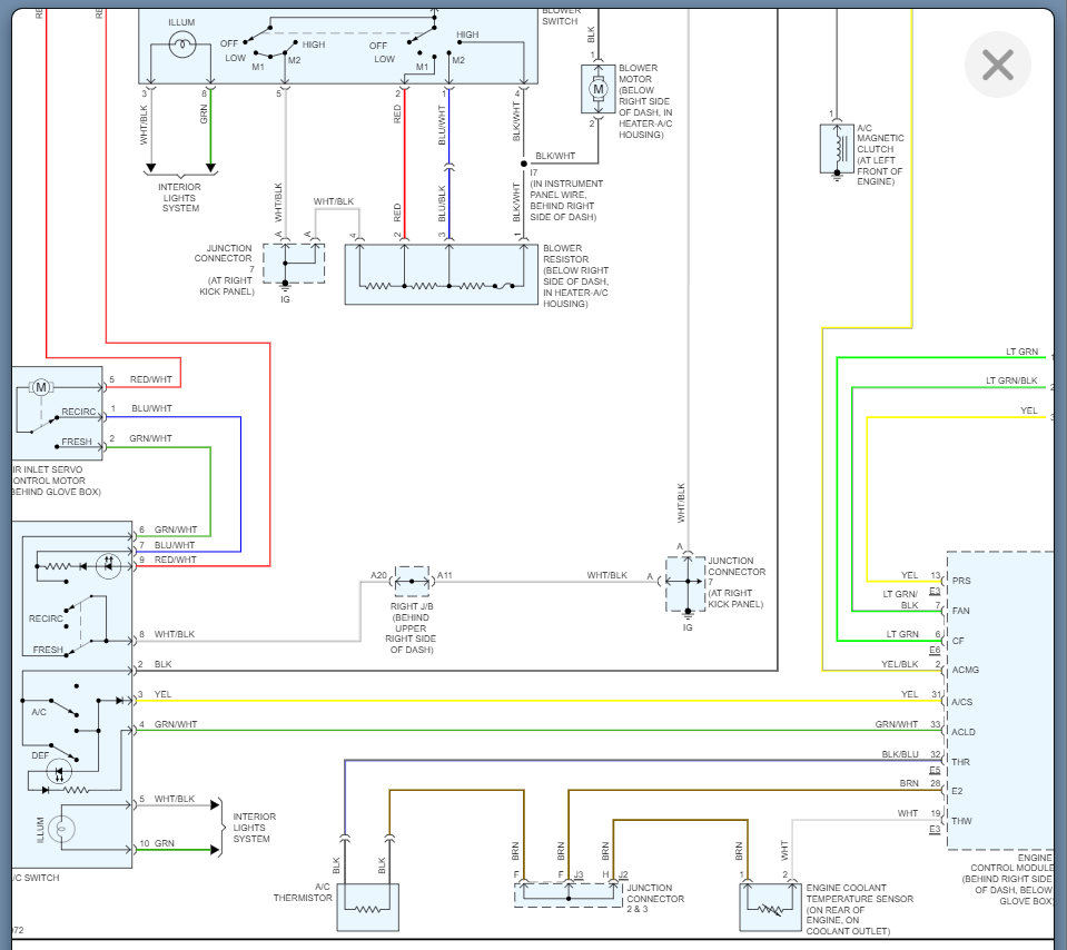
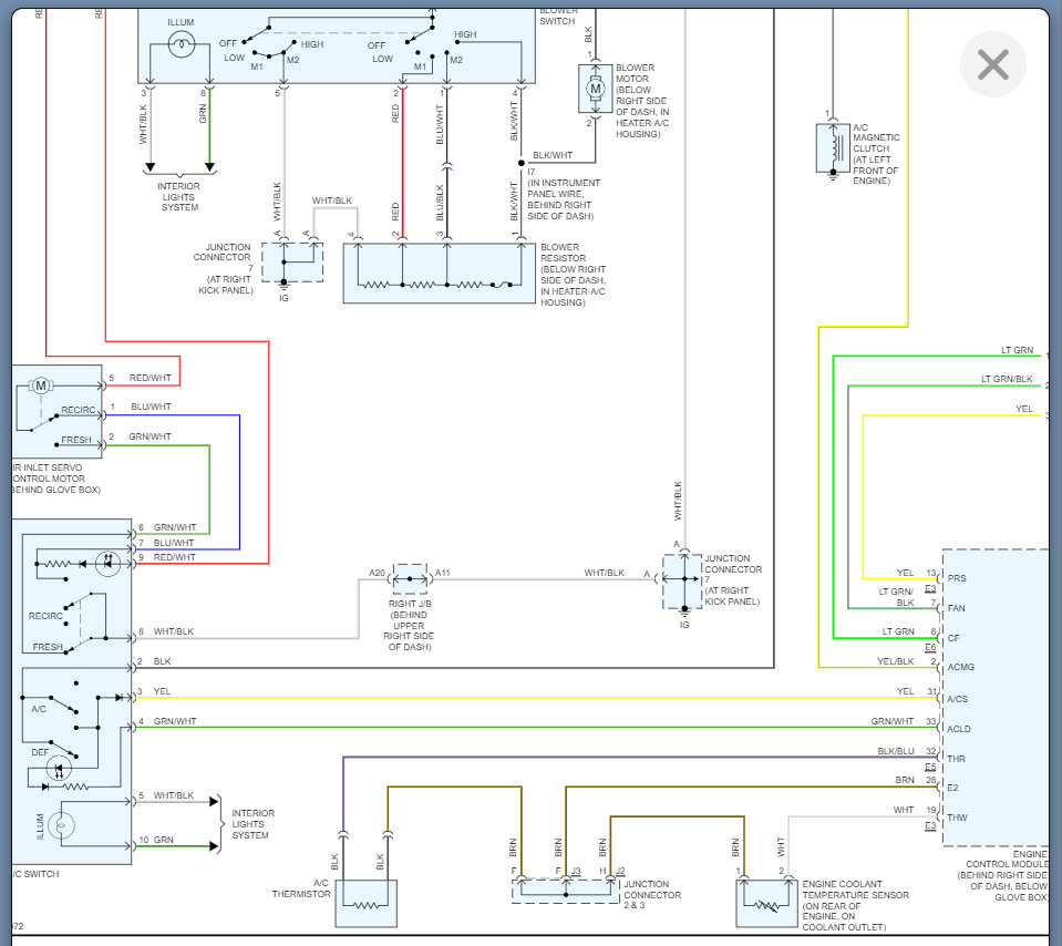
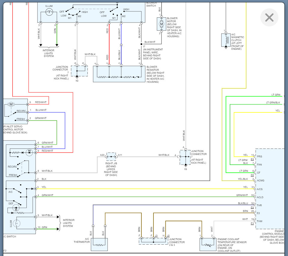
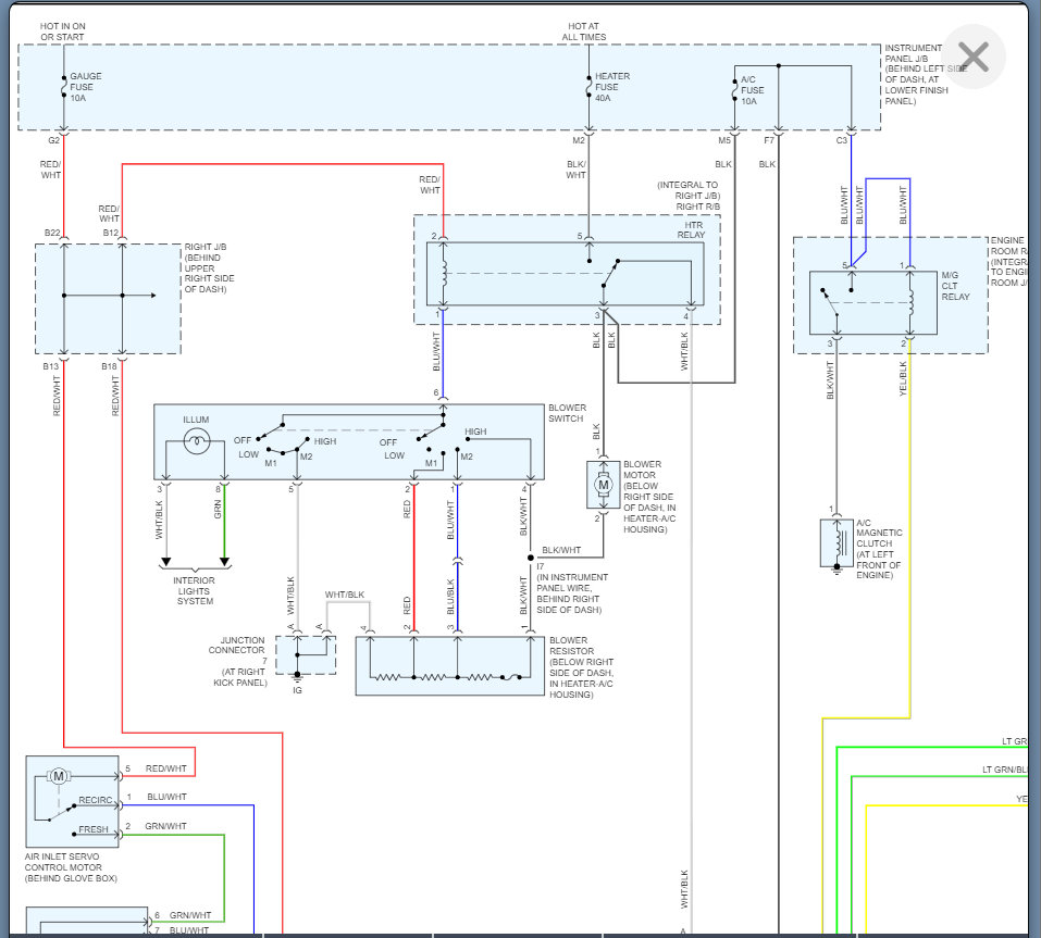
I am sorry that we cannot provide this exact thing, but I am attaching our A/C system just to illustrate this.

However, this guide will help with testing different electronic components. Again, I know you did not ask for this, but it may be of assistance to someone in the future that views this.

https://www.2carpros.com/articles/how-to-check-wiring

I apologize but we are limited to the manuals that are provided to us here in the USA.

Please let me know if I am not understanding what you are looking for.

Thanks
Was this
answer
helpful?
Yes
No
Thursday, February 3rd, 2022 AT 2:18 PM

Please login or register to post a reply.