Fuse panel?

Tiny
MARCHAZ84
  • MEMBER
  • 2004 TOYOTA CAMRY
Where is the power window fuse?
Monday, April 11th, 2011 AT 9:31 PM

5 Replies

Tiny
KEN L
  • MASTER CERTIFIED MECHANIC
  • 55,281 POSTS
Hello,

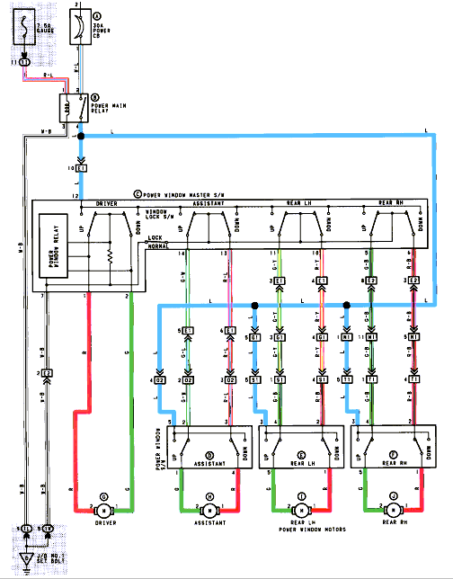
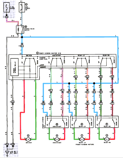
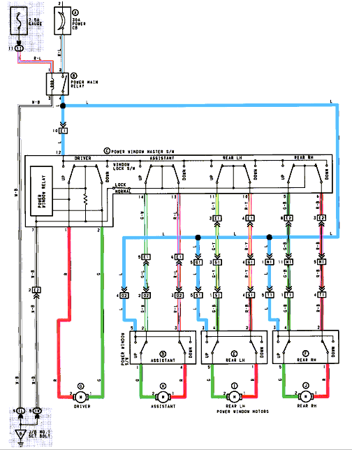
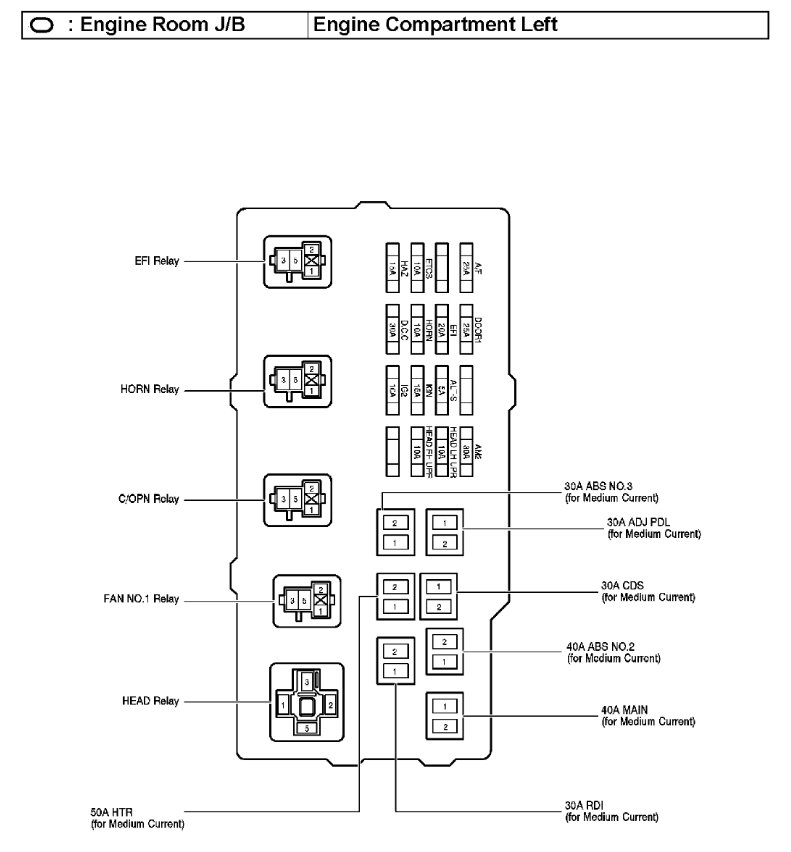
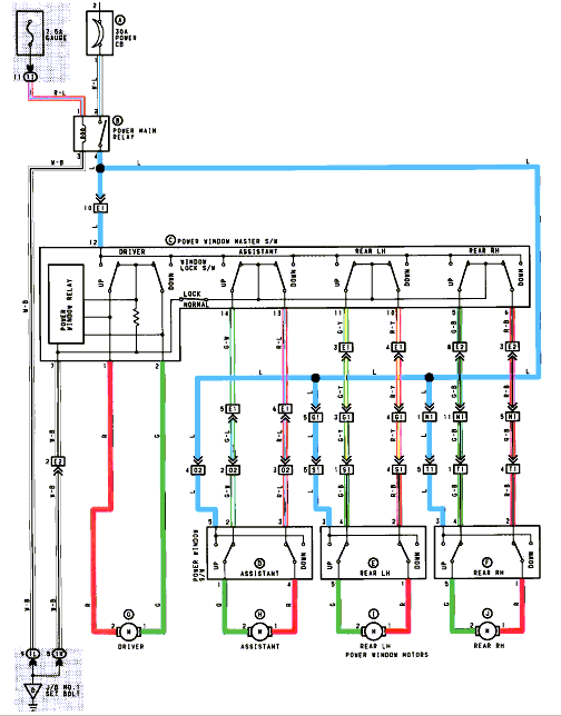
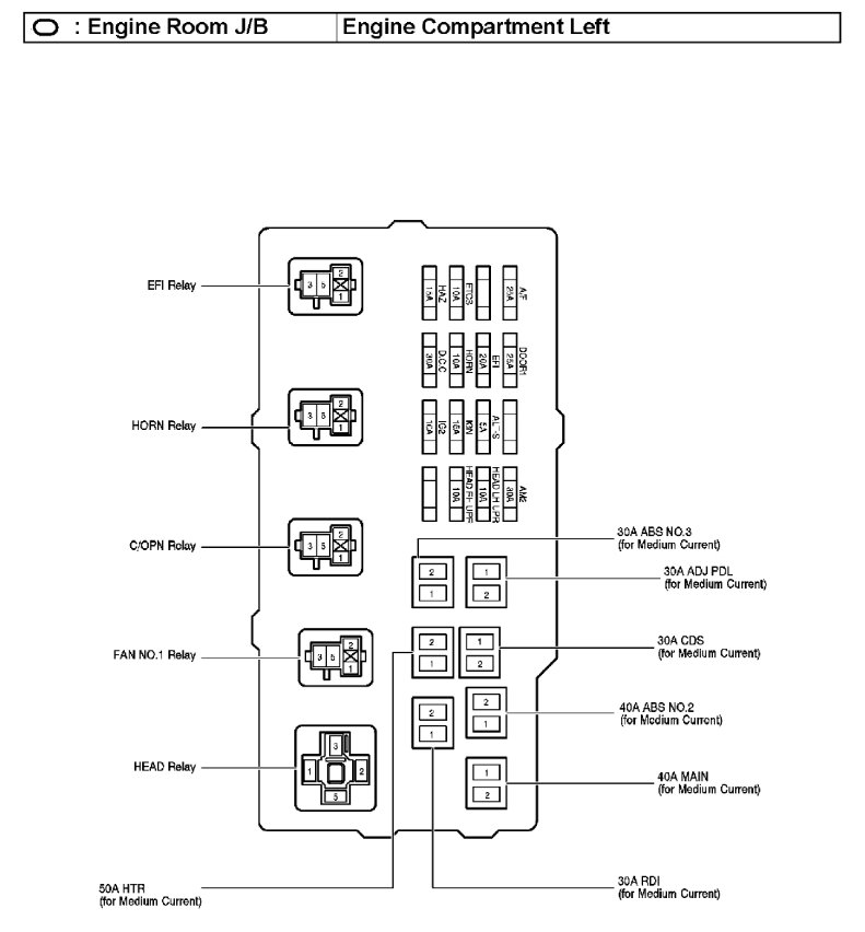
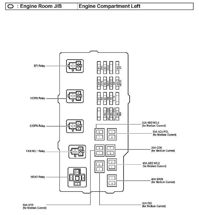
I have found the fuse (power1) in the passenger fuse panel and the fuse box diagram (BELOW) and location for you so you can get the problem fixed. Here is a guide to help you change the fuse as well.

https://www.2carpros.com/articles/how-to-check-a-car-fuse

Check out the diagrams (Below). Please let us know if you need anything else to get the problem fixed.
Was this
answer
helpful?
Yes
No
Thursday, June 1st, 2017 AT 5:31 PM
Tiny
ASEMASTER6371
  • MECHANIC
  • 52,796 POSTS
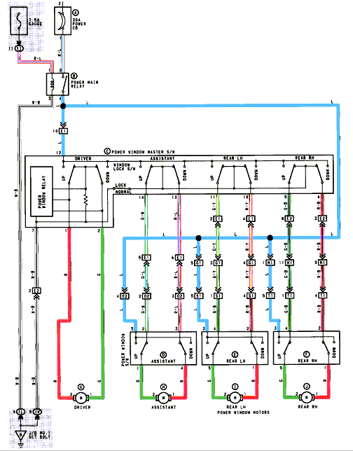
There is a 7.5 amp gauge fuse that feeds the relay and a 30 amp circuit breaker that controls the windows.
Check the diagram I sent you.

Roy
Was this
answer
helpful?
Yes
No
+2
Thursday, June 1st, 2017 AT 5:32 PM (Merged)
Tiny
JNOVACK
  • MECHANIC
  • 723 POSTS
Check passanger side under dash above kick panel that is were the relay is located
Was this
answer
helpful?
Yes
No
Thursday, June 1st, 2017 AT 5:32 PM (Merged)
Tiny
TYLERTE
  • MEMBER
  • 1 POST
  • 1998 TOYOTA CAMRY
  • 150,000 MILES
My toyotas window fuse(30a) keeps blowing everytime I try to put a new one in any suggestions? And another thing I recently upgraded my speaker system and at first it worked fine but I took a ride and half way through they stopped working and its because the new amp blew a fuse does anyone think those two problems are connected in some way? Where should I check?
Was this
answer
helpful?
Yes
No
-1
Thursday, June 1st, 2017 AT 5:32 PM (Merged)
Tiny
KHLOW2008
  • MECHANIC
  • 41,814 POSTS
If the amp is spliced into the same circuit, they would be related.
Was this
answer
helpful?
Yes
No
Thursday, June 1st, 2017 AT 5:32 PM (Merged)

Please login or register to post a reply.