Sunday, June 26th, 2022 AT 3:52 AM
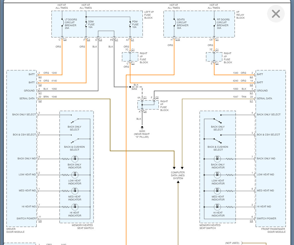
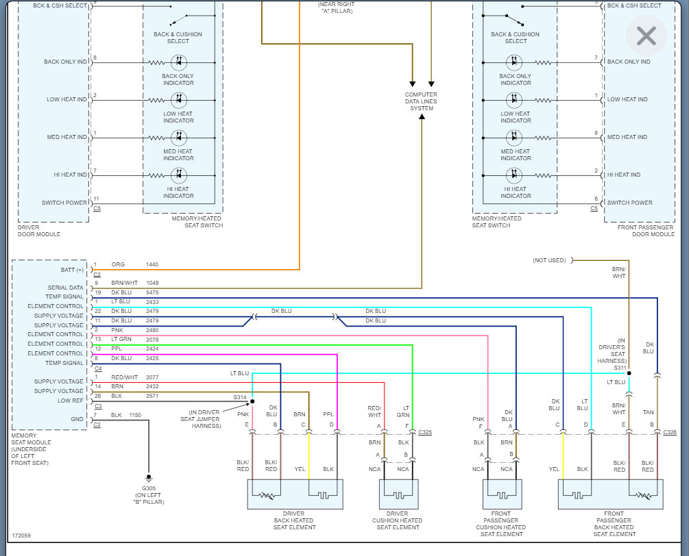
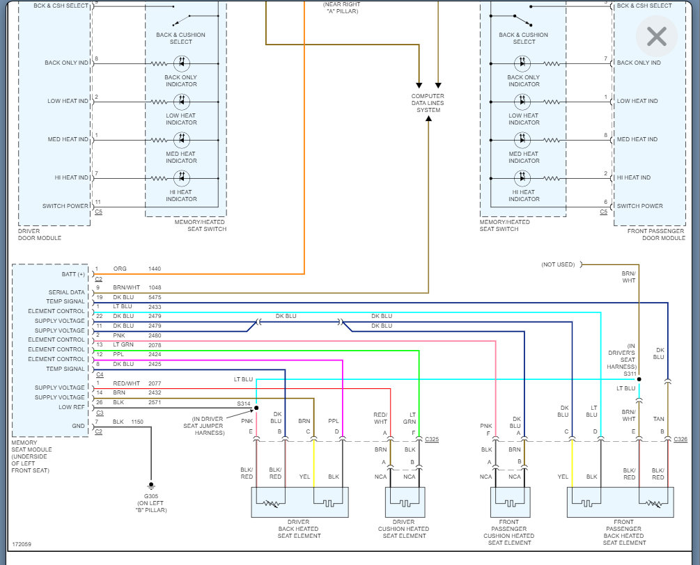
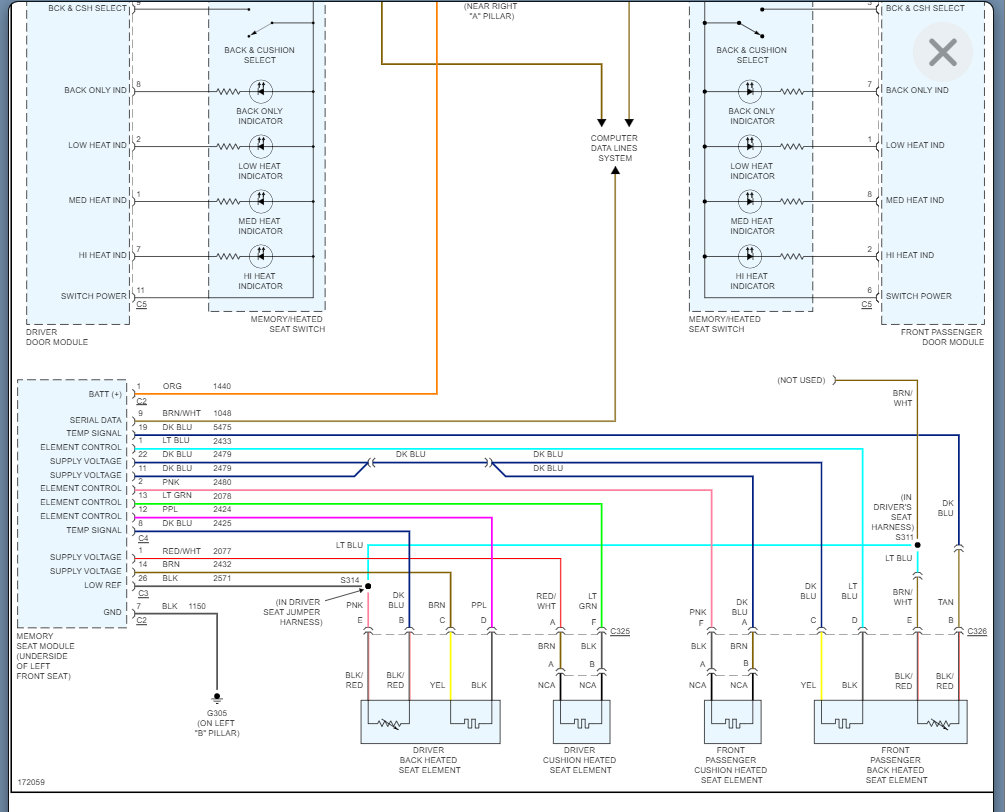
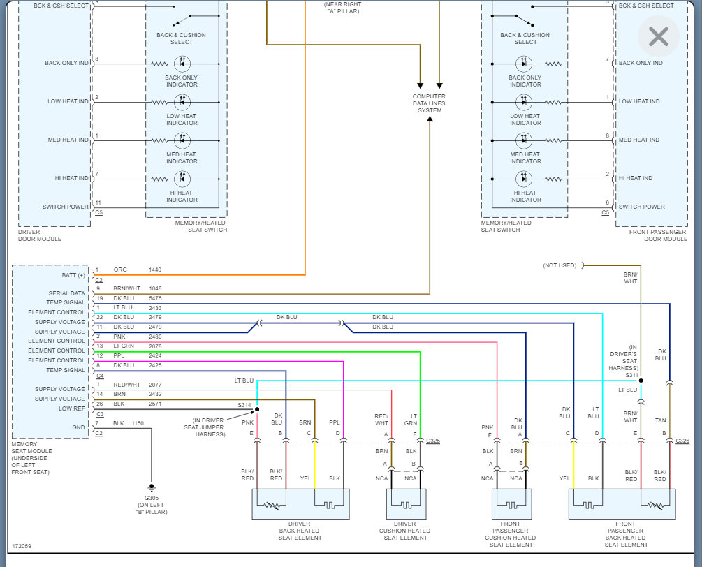
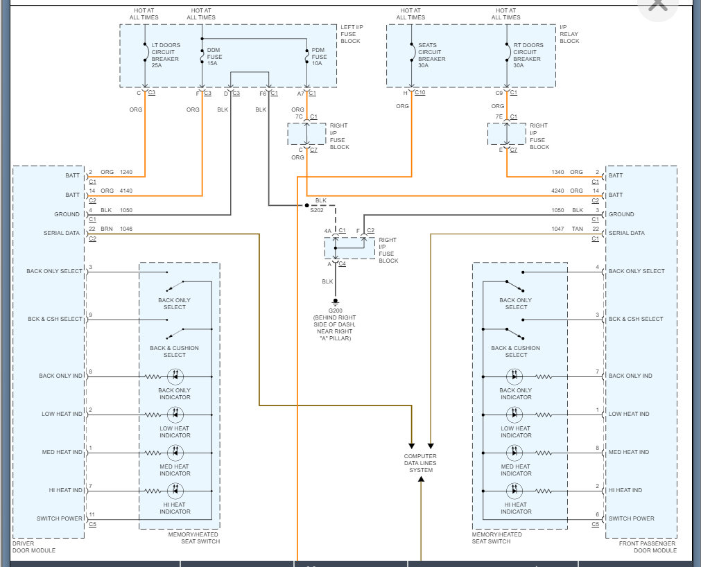
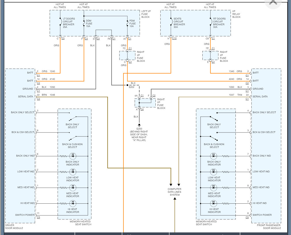
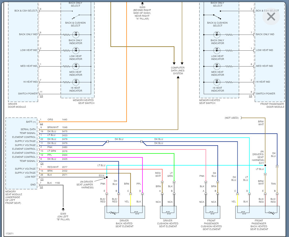
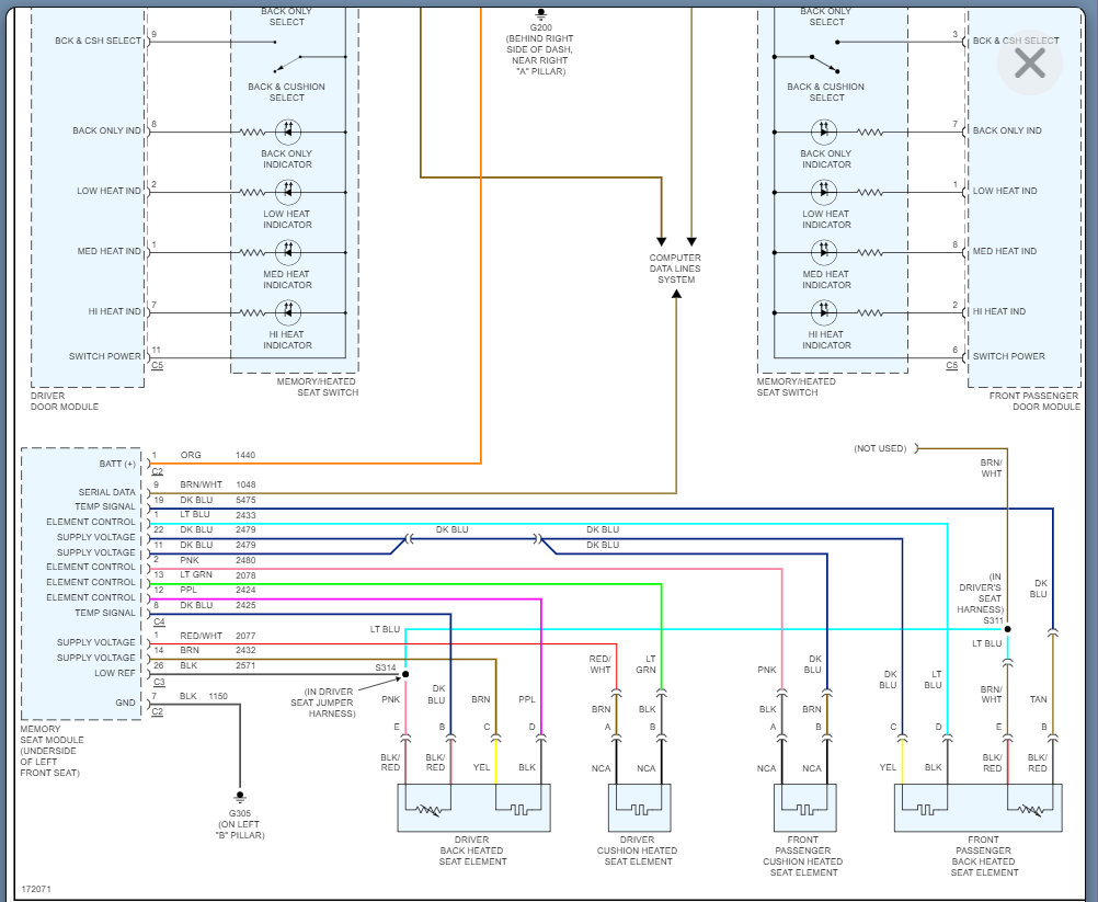
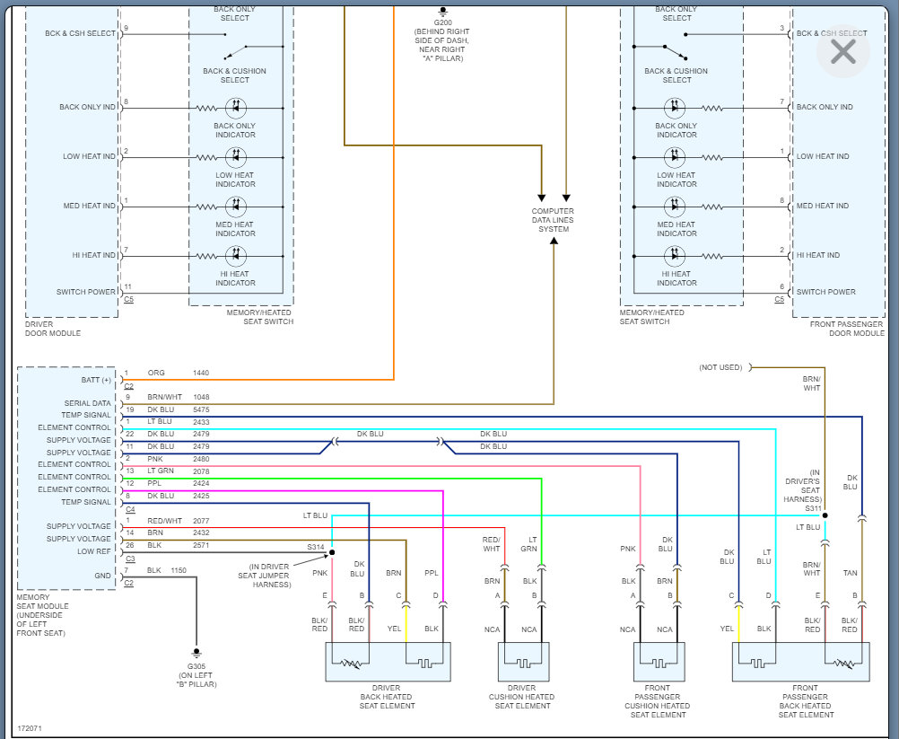
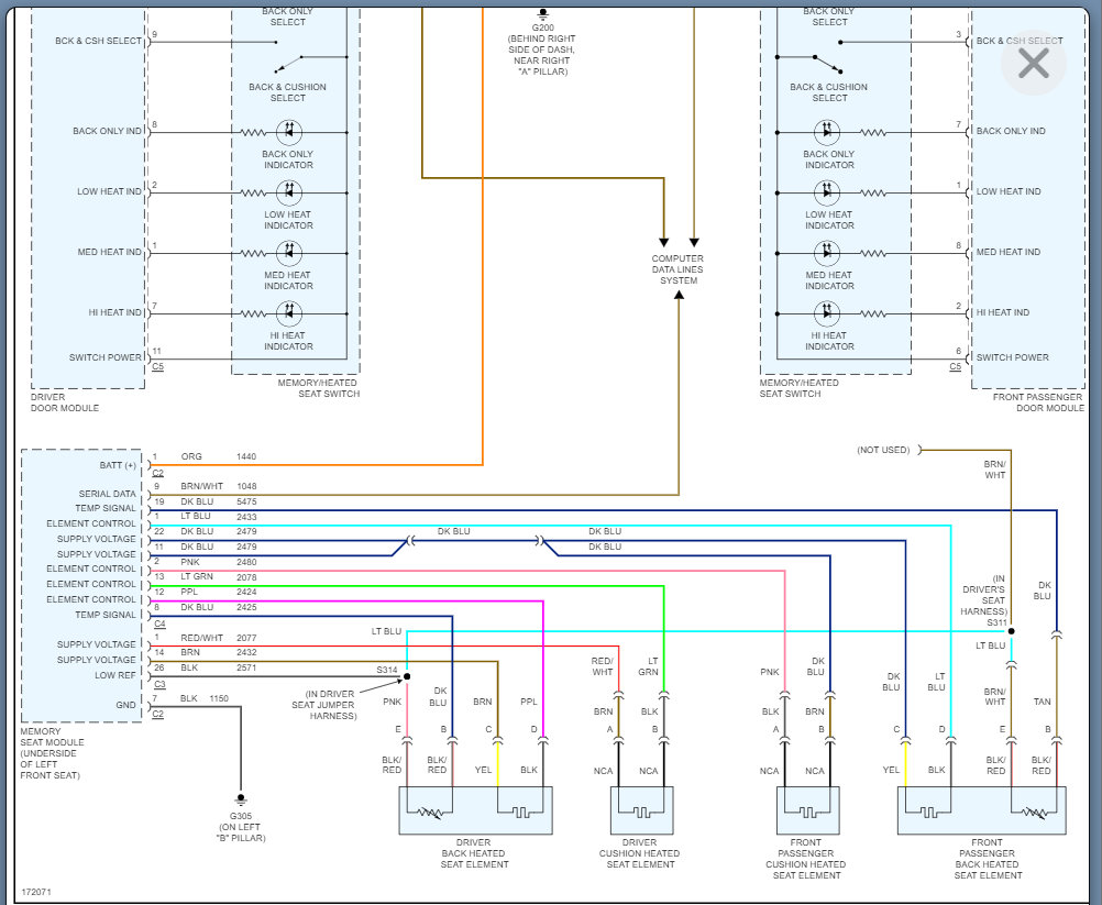
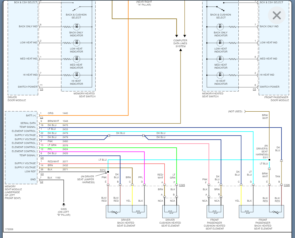
I am installing front power/heated seats out of a 2003 Avalanche from a junkyard. Both it and my truck have the al0 rpo code for passenger seat sensor. However, the new seat does not have the 2-wire connector. (Pink and tan/black). My original seat base does. The new base has the module bolted to the seat but no connector. So, I’m assuming it’s just a different style system. Can I add the wires into the new seat from my old seat base and have it work? VIN from the avalanche is 3GNEK13T73G176336





