Having trouble starting

Tiny
STEVIENICS11
  • MEMBER
  • 2004 PONTIAC VIBE
  • 1.8L
  • 2WD
  • AUTOMATIC
  • 215,000 MILES
My cars seem to not want to start. It sounds like it tries to, it revs up and then shuts off. It will do it like four or five times before it actually starts up. It does not do it every time but probably 80% of the time.
Tuesday, May 8th, 2018 AT 3:20 PM

1 Reply

Tiny
JACOBANDNICKOLAS
  • MECHANIC
  • 110,192 POSTS
Hi and thanks for using 2CarPros.com. Based on your description, it sounds like you may have a fuel pressure related issue. What I would suggest is to simply check fuel pump pressure. To me it sounds like you have a problem with fuel pressure drop off. Basically, it takes the vehicle extended time to re-pressurize the system so it can start and stay running. You will need a fuel pressure gauge to check it, but most parts stores will lend you one.

Here is a video that will give general information on how the test is done:

https://youtu.be/peh7-pFycyc

Here are general directions to help you:

https://www.2carpros.com/articles/how-to-check-fuel-system-pressure-and-regulator

Here are the directions specific to your vehicle for checking.

Relieve the fuel pressure.
Remove the 2 fasteners.
Remove the 2 plastic retainers.
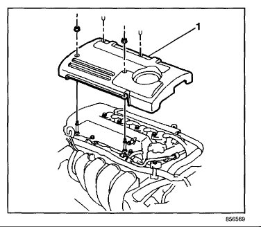
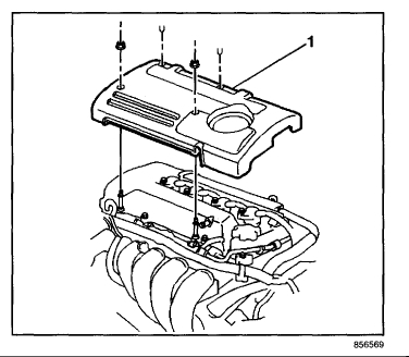
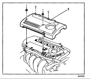
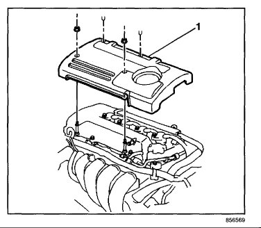
Remove the engine cover (1) from the engine.
Remove the quick connect coupling cover of the fuel feed hose.

Using the J 43178, disconnect the quick connect coupling of the fuel feed hose from the fuel feed pipe of the fuel rail. Use a shop towel in order to catch any remaining fuel that may leak.
Install the J 42982 between the fuel feed pipe of the fuel rail and of the fuel feed hose.

Install the J 34730-1A to the J 42982, and tighten securely.
NOTE: Refer to Fastener Notice in Service Precautions.

Connect the negative battery cable.
Tighten
Tighten the retainer for the negative battery cable terminal to 15 N.m (11 lb ft) .

Turn ON the ignition in order to pressurize the fuel system.
Turn OFF the ignition.
Check for any fuel leaks.
REMOVAL PROCEDURE

Relieve the fuel pressure. Refer to the Fuel Pressure Relief Procedure (FWD) or Fuel Pressure Relief Procedure (AWD)
Remove the J 34730-1A from the J 42982.
Using the J43178, disconnect the quick connect coupling of the J 42982 from the fuel feed pipe of the fuel rail. Use a shop towel in order to catch any remaining fuel that may leak.
Disconnect the quick connect coupling of the fuel feed hose from the J 42982, and remove the adapter. Use a shop towel in order to catch any remaining fuel that may leak.

Connect the quick-connect fitting of the fuel feed hose (1) to the fuel feed pipe (2) of the fuel rail.
Install the cover for the quick connect coupling of the fuel teed hose.
NOTE: Refer to Fastener Notice in Service Precautions.

Connect the negative battery cable.
Tighten
Tighten the retainer for the negative battery cable terminal to 15 N.m (11 lb ft) .

Turn ON the ignition in order to pressurize the fuel system.
Turn OFF the ignition.
Check for any fuel leaks.

Install the engine cover (1).
Secure the engine cover (1) with the 2 fasteners.
Tighten
Tighten the two fasteners to 7 N.m (62 lb in) .

Install the two plastic retainers.

I have attached the pictures relevant to the aforementioned directions. The pressure with the key on and engine off should be (44-50 psi).

Finally, when you watch the video or review the general directions, pay attention to checking the fuel pressure drop off.

I hope this helps.

Take care,
Joe
Was this
answer
helpful?
Yes
No
+1
Tuesday, May 8th, 2018 AT 7:39 PM

Please login or register to post a reply.