Heater

Tiny
DTBROWN
  • MEMBER
  • 2004 LEXUS ES 330
  • 6 CYL
  • FWD
  • AUTOMATIC
My heater is not blowing heat
Tuesday, December 7th, 2010 AT 2:04 PM

8 Replies

Tiny
JACOBANDNICKOLAS
  • MECHANIC
  • 110,194 POSTS
IS the engine running at a normal operating temp?
Was this
answer
helpful?
Yes
No
+8
Tuesday, December 7th, 2010 AT 2:12 PM
Tiny
DTBROWN
  • MEMBER
  • 5 POSTS
Yes it is
Was this
answer
helpful?
Yes
No
+1
Tuesday, December 7th, 2010 AT 4:32 PM
Tiny
JACOBANDNICKOLAS
  • MECHANIC
  • 110,194 POSTS
On check you need to do for me. With the engine running at normal operating temp and the heater on high, feel both heater core hoses. They should both be hot. Let me know what you find.
Was this
answer
helpful?
Yes
No
+3
Tuesday, December 7th, 2010 AT 5:09 PM
Tiny
DTBROWN
  • MEMBER
  • 5 POSTS
It was not hot
Was this
answer
helpful?
Yes
No
+1
Tuesday, December 7th, 2010 AT 9:13 PM
Tiny
DTBROWN
  • MEMBER
  • 5 POSTS
The hose didn't get hot
Was this
answer
helpful?
Yes
No
Wednesday, December 8th, 2010 AT 3:41 PM
Tiny
JACOBANDNICKOLAS
  • MECHANIC
  • 110,194 POSTS
It sounds like the heater core is plugged. You will need to have it flushed.
Was this
answer
helpful?
Yes
No
+1
Wednesday, December 8th, 2010 AT 4:45 PM
Tiny
DTBROWN
  • MEMBER
  • 5 POSTS
Do you know where the Heater core is located on the 2004 lexus 330
Was this
answer
helpful?
Yes
No
-2
Wednesday, December 8th, 2010 AT 7:08 PM
Tiny
JACOBANDNICKOLAS
  • MECHANIC
  • 110,194 POSTS
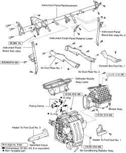
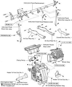
It's under the dash and requires the removal of the entire heating and AC assembly. Not only does the coolant need drained, but the AC need evacuated. Also, the CD player need placed into the ship mode, all CD's removed. Then the dashboard assembly needs removed. I have attached pictures for both the heater and the AC assembly. Let me know if you have other questions. Just FYI, the book calls for 6.2 hours for the job. NOT A FUN ONE!
Was this
answer
helpful?
Yes
No
+2
Thursday, December 9th, 2010 AT 12:44 AM

Please login or register to post a reply.