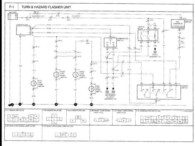
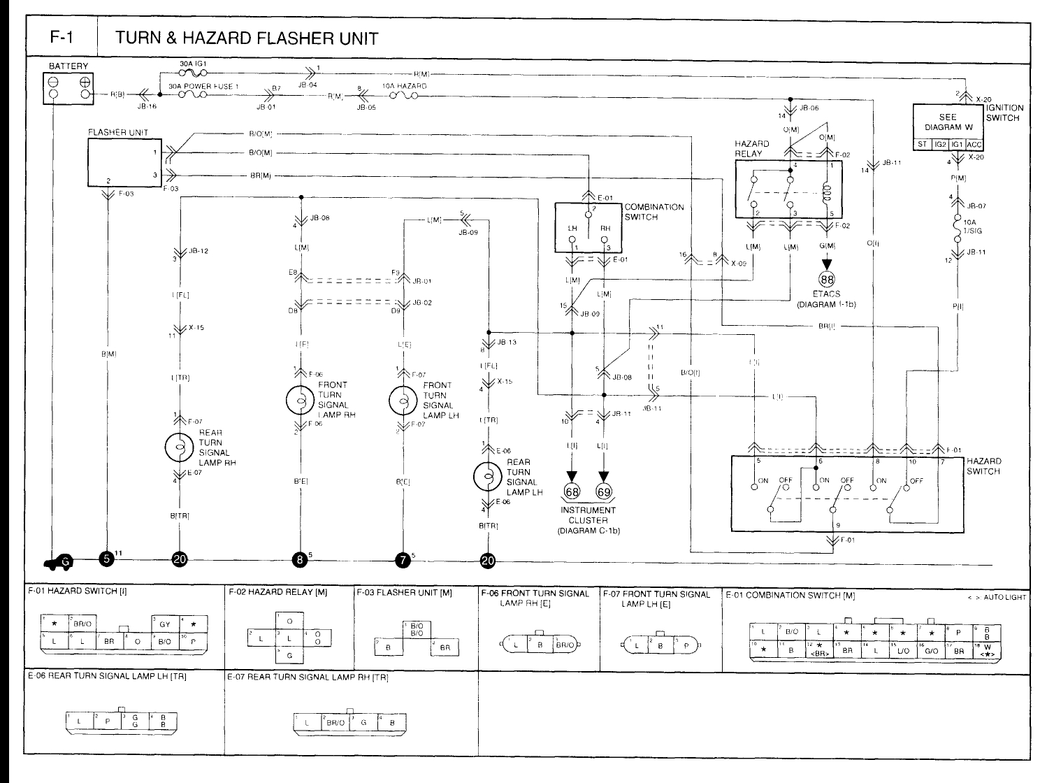
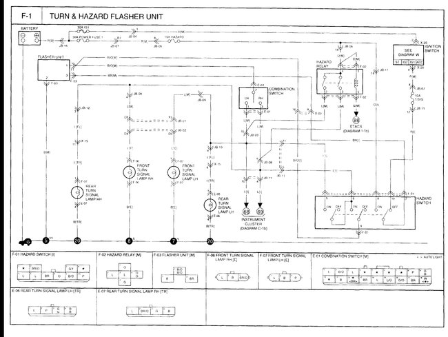
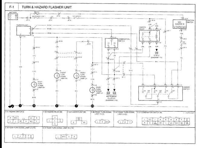
Turn signals and flashers

Tiny
KRISTAIN CONLEY
  • MEMBER
  • 2004 KIA OPTIMA
  • 4 CYL
  • FWD
  • MANUAL
  • 159,000 MILES
Checked fuses and bulbs they are good, but will not turn on. If you try to use hazards they click like they want to work but do not.
Tuesday, September 12th, 2017 AT 7:11 AM

1 Reply

Tiny
STEVE W.
  • MECHANIC
  • 15,700 POSTS
So you get no lights at all when you select right or left turn, neither front or back? Do you hear the flasher do anything for turning?
But you do hear the flasher click when you select the hazard lights but no lights work? Do the indicators on the dash come on for either?
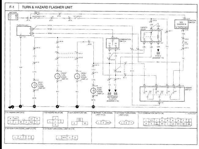
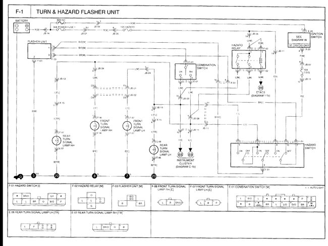
Looking at the wiring I would say replace the flasher unit. It and the hazard switch are the only common item but I would think you would still have one or the other if it failed.
Was this
answer
helpful?
Yes
No
Tuesday, September 12th, 2017 AT 9:13 PM

Please login or register to post a reply.