Engine starter is not working?

Tiny
JACOBANDNICKOLAS
  • MECHANIC
  • 110,192 POSTS
Make sure all wires from the battery are good.
Was this
answer
helpful?
Yes
No
Monday, February 1st, 2021 AT 12:26 PM (Merged)
Tiny
NAVYVET83
  • MEMBER
  • 2 POSTS
The wires are fine. I'm getting power to the dash lights, so I know I'm getting power from the battery. Also, when I try to start the car, there is a slight buzzing sound coming from under the hood.
Was this
answer
helpful?
Yes
No
Monday, February 1st, 2021 AT 12:26 PM (Merged)
Tiny
DAN DRYDEN
  • MEMBER
  • 2 POSTS
  • 2002 KIA RIO
  • 100,000 MILES
My daughter was driving the car for a while, then one day it would not start. She took it to a mechanic, who told her that the spark plug was sucked into the head, but I looked and their all still there. Still the motor will not turn over by means of the starter. Oil level checks out fine. The car ran great until that happened.
Was this
answer
helpful?
Yes
No
Monday, February 1st, 2021 AT 12:26 PM (Merged)
Tiny
SATURNTECH9
  • MECHANIC
  • 30,869 POSTS
How does the engine turn over by hand?Freely?Also the electrode side of the plug could have broke off into the cylinder.
Was this
answer
helpful?
Yes
No
Monday, February 1st, 2021 AT 12:26 PM (Merged)
Tiny
KHLOW2008
  • MECHANIC
  • 41,814 POSTS
If all the plugs are ther, how did the mechanic know that part of the spark plug is in the cylinders?

Manually turn the crankshaft anticlockwise to check if it can be turned.
Was this
answer
helpful?
Yes
No
Monday, February 1st, 2021 AT 12:26 PM (Merged)
Tiny
HMAC300
  • MECHANIC
  • 48,601 POSTS
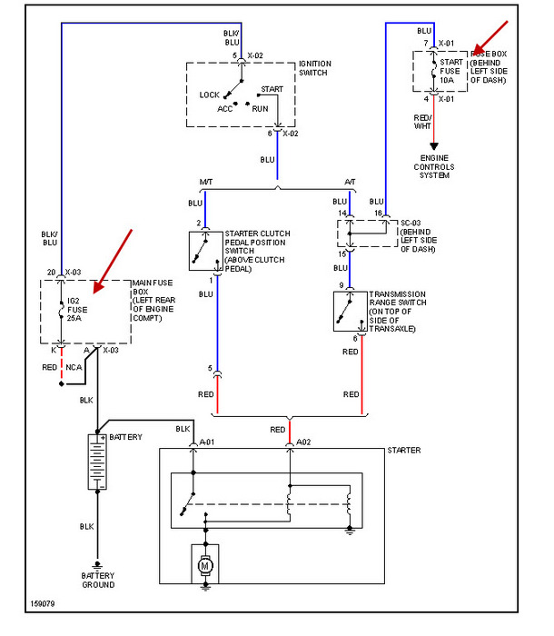
I'm sending a schematic and check the two fuses I have marked with arrows. Also check to make sure power is going through the neutral switch if an automatic or clutch switch if a stick.
Was this
answer
helpful?
Yes
No
Monday, February 1st, 2021 AT 12:27 PM (Merged)
Tiny
CBOND330
  • MEMBER
  • 3 POSTS
How can I make sure that power is going through the neutral safety switch?
Was this
answer
helpful?
Yes
No
Monday, February 1st, 2021 AT 12:27 PM (Merged)
Tiny
HMAC300
  • MECHANIC
  • 48,601 POSTS
A test light or volt meter, you will need a helper to try to crank the car while tesing for going in and out
Was this
answer
helpful?
Yes
No
Monday, February 1st, 2021 AT 12:27 PM (Merged)
Tiny
CBOND330
  • MEMBER
  • 3 POSTS
It's a rotary-style switch, so can I just use a test light ont the prongs of the plug that plug into the switch?
Was this
answer
helpful?
Yes
No
Monday, February 1st, 2021 AT 12:27 PM (Merged)
Tiny
HMAC300
  • MECHANIC
  • 48,601 POSTS
Yes but if you disconnect the switch you will have to jump to the other wire or leave it plugged in an djust hit teh prongs on teh switch with the test light.
Was this
answer
helpful?
Yes
No
+1
Monday, February 1st, 2021 AT 12:27 PM (Merged)
Tiny
CBOND330
  • MEMBER
  • 3 POSTS
It was the ignition switch thank you
Was this
answer
helpful?
Yes
No
Monday, February 1st, 2021 AT 12:27 PM (Merged)
Tiny
AJFA4444
  • MEMBER
  • 1 POST
  • 2001 KIA RIO
  • 4 CYL
  • 2WD
  • AUTOMATIC
  • 80,000 MILES
I drive a 2001 kia rio. I was driving the other day and without warning all of my dash lights (check engine, oil, battery, and brake lights) came on. Then I could not accelerate at all, even when pressing the gas pedal all the way to the floor. I pulled over to the side of the road and turned the car off. When I tried to restart the car, it wouldn't turn over and only made a clicking sound. All of my lights, radio, and gauges were still working so I don't think the problem is electrical. When I got the car back to my house I looked under the hood and noticed that the oil was a little low. It never made any unusual sounds before this all happened and nothing like this has ever happened before. Is my engine seized? Or is there something else wrong with it?
Was this
answer
helpful?
Yes
No
Monday, February 1st, 2021 AT 12:28 PM (Merged)
Tiny
MERLIN2021
  • MECHANIC
  • 17,250 POSTS
Check the charging system if you have less than 14 volts at the battery with engine running, the system has a problem. Less than 12 volts engine off the car won't start. It will just click. Less than 10v and the computer will act haywire. My money is on low voltage, or bad ground.
Was this
answer
helpful?
Yes
No
Monday, February 1st, 2021 AT 12:28 PM (Merged)
Tiny
TWELCH
  • MEMBER
  • 1 POST
  • 2001 KIA RIO
No starter operation after it rains?
Was this
answer
helpful?
Yes
No
Monday, February 1st, 2021 AT 12:28 PM (Merged)
Tiny
DGAGNE
  • MEMBER
  • 4 POSTS
Hey,

I have had 2 rios before and now I have a 2005. I find that when I wash the car or after it rains or snows, the car has a lot of spots that pool water. Like where the rear glass meets the trunk lid, that spot pools water and then rusts the metal. The water also gets in most of the door jams and can get under the hood. Not only that, the water can sometimes leak on the inside of the car because of the seals of the windows.

Also, you know the rubber seal between the roof and the door frame? The glue wears out on that seal and water and air get in there too.

I have read on another forum that sometimes the fuse box can get moisture in it, and sometimes the fuses get some corrosion forming. The guy on that forum said he used some kind of water proof grease or something to coat the fuses, to avoid them from further getting wet. Dont do this please without finding out first if its safe. Who knows if that guy did the appropriate thing.

Do you have power windows? If water is leaking inside the door frames, then that might affect the electrical in there.

Anyway I hope you figure out what is going on with your car. Make sure your battery posts are free from corrosion and that the wires are on tight.

Good luck.
Was this
answer
helpful?
Yes
No
-1
Monday, February 1st, 2021 AT 12:28 PM (Merged)

Please login or register to post a reply.