2004 Jaguar S-Type. Looking for broken part ( Pictures Provided )

Tiny
EKNOPPS58
  • MEMBER
  • 2004 JAGUAR S-TYPE
  • 3.0L
  • 6 CYL
  • 2WD
  • AUTOMATIC
  • 90,000 MILES
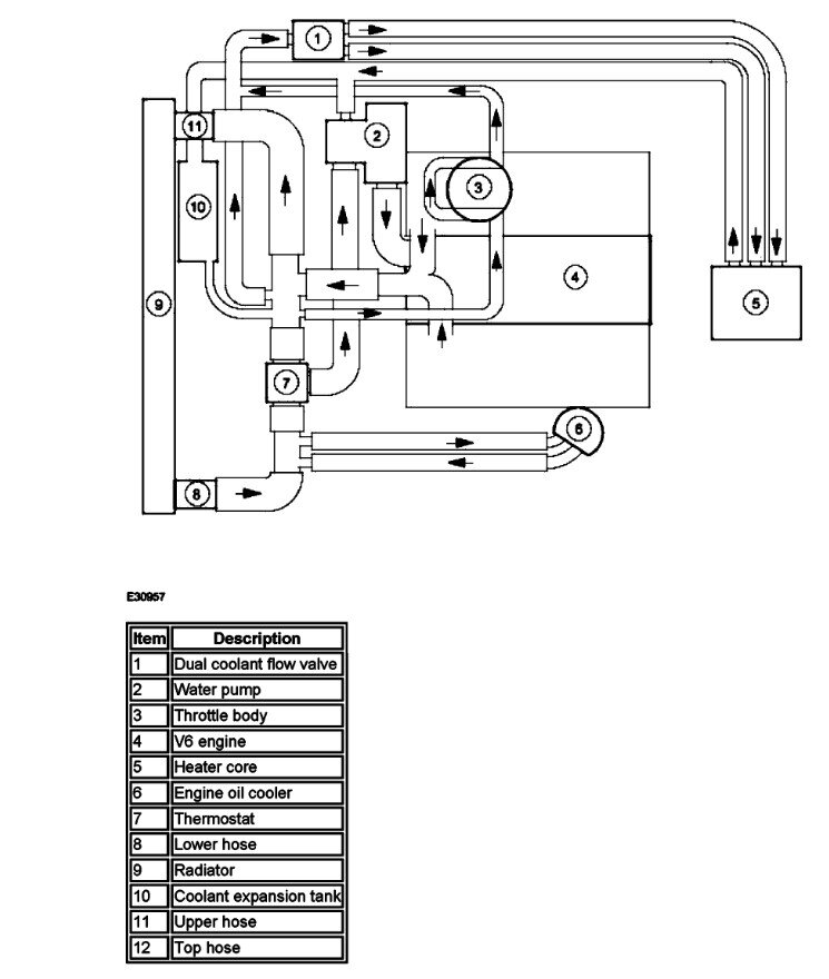
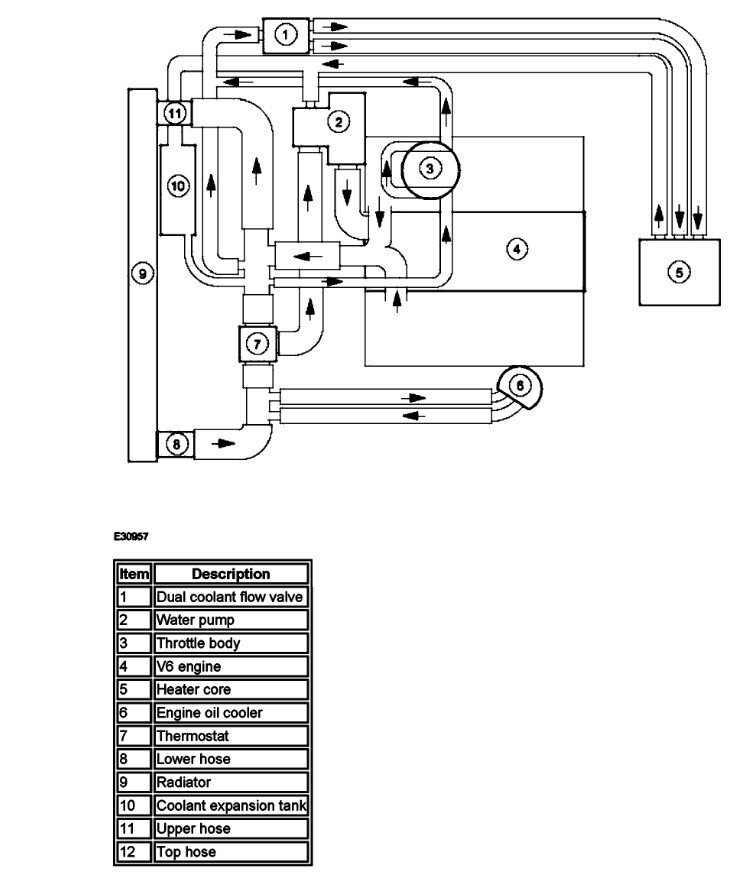
2004, Jaguar S-Type, 3.0, 6cyl. I'm trying to find a part that broke but I'm not sure what it is. I will send a picture of this part, It seems to be part of the Heating piping. The part that broke ( has red writing on it ) you can see in the 3rd picture the round part. That's what broke off and it goes to the Coolant Reservoir Tank. I found a complete system on E-bay but I only need the one part or can I block this line off without hurting the car? See Pictures.

Thanks for any info anyone can provide !
Wednesday, June 25th, 2025 AT 9:31 AM

5 Replies

Tiny
STEVE W.
  • MECHANIC
  • 15,694 POSTS
One of the lovely plastic parts from that era. Not surprised it failed. Those are the upper radiator hose and the additional hoses. The part number is XR854920K and it is available through a few sources. You cannot block off the broken part as it has to be there for the system to purge out air and return coolant as it thermally cycles. Plus the hoses are all specifically molded and fused to the part and clamped so that you cannot replace only the plastic. Ford owned them at this point and the S-type was basically the Thunderbird that was redressed to look like a Jaguar. Even used the Ford 3.0 as the base engine. Then Jaguar engineers added different cylinder heads that created cooling problems and this nest of hoses was the result of that. Because of the materials used you can't plastic weld or glue it. There was a company that made one out of aluminum but I haven't seen one out in the wild. If you know a good welder you might get one fabricated but it would be more than buying the new part.
Was this
answer
helpful?
Yes
No
+2
Thursday, July 3rd, 2025 AT 3:56 PM
Tiny
EKNOPPS58
  • MEMBER
  • 14 POSTS
Thanks for the information !
Was this
answer
helpful?
Yes
No
Sunday, July 6th, 2025 AT 2:05 PM
Tiny
STEVE W.
  • MECHANIC
  • 15,694 POSTS
You are welcome. This is one time I don't advise on a used part, I don't know what the cause is but from about 2000 most of the plastic used in vehicles is junk, and of course they used it in the cooling systems. At least in this case you can still get new parts, there are many where you cannot.
Was this
answer
helpful?
Yes
No
+2
Sunday, July 6th, 2025 AT 4:21 PM
Tiny
EKNOPPS58
  • MEMBER
  • 14 POSTS
Thanks again.
Was this
answer
helpful?
Yes
No
Tuesday, July 8th, 2025 AT 11:59 AM
Tiny
KEN L
  • MASTER CERTIFIED MECHANIC
  • 55,469 POSTS
STEVE W. Is one of our best! Please use 2CarPros anytime we are here to help.
Was this
answer
helpful?
Yes
No
Thursday, July 10th, 2025 AT 9:05 AM

Please login or register to post a reply.