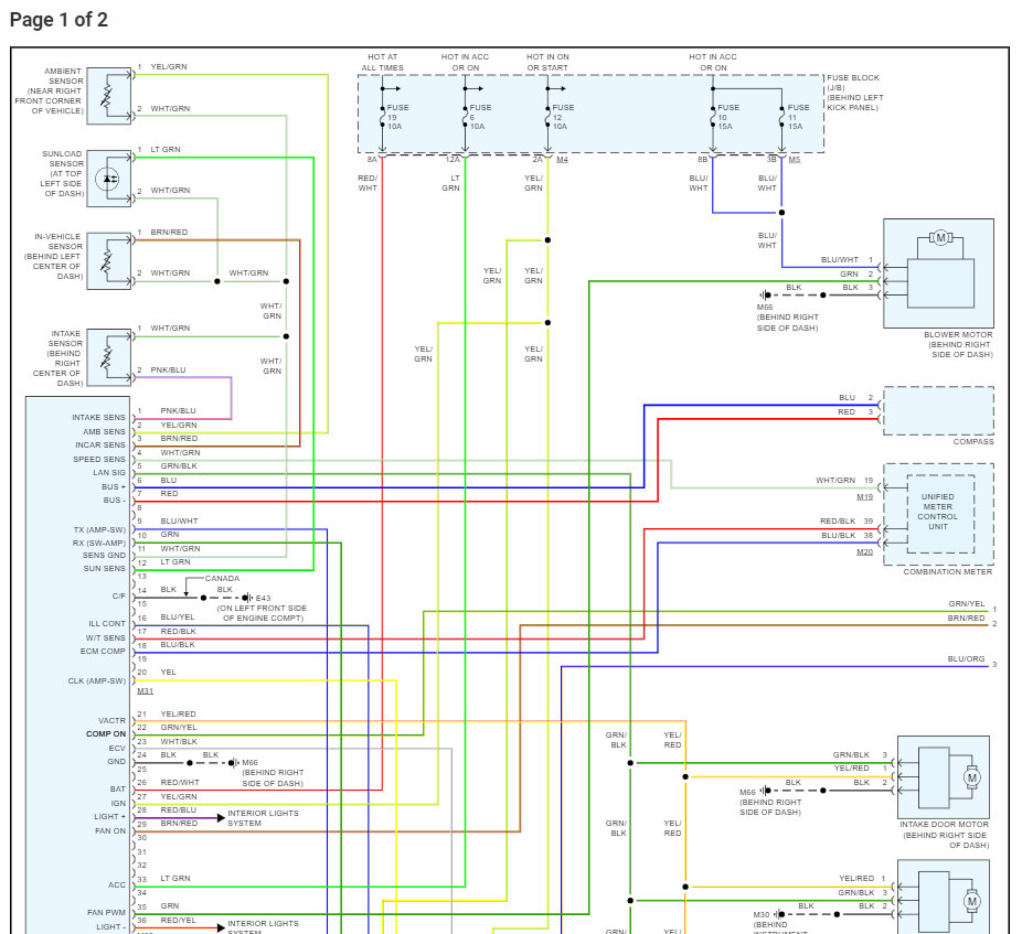
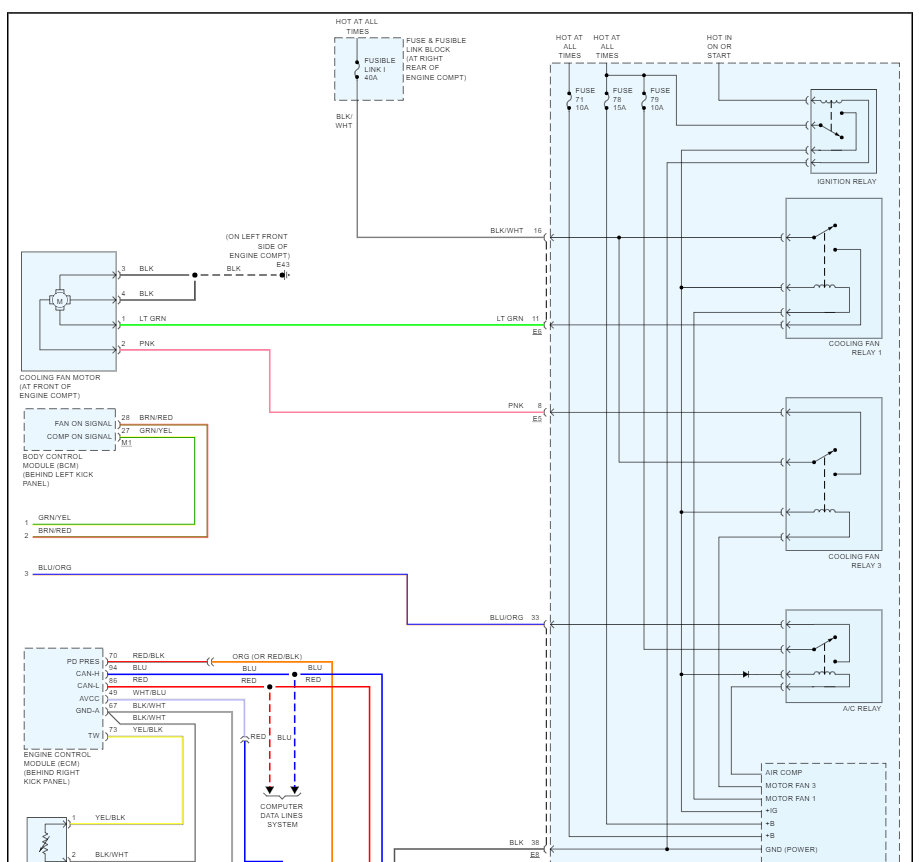
Tuesday, February 22nd, 2011 AT 8:30 PM
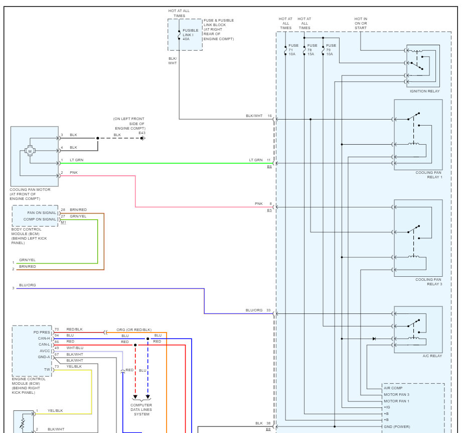
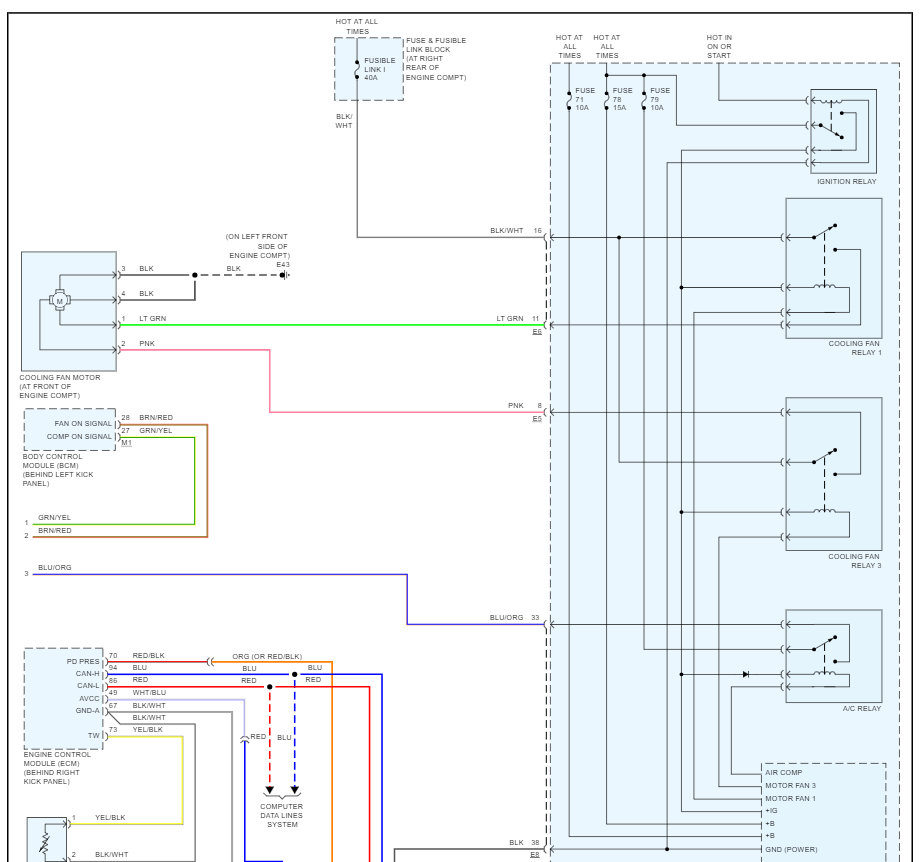
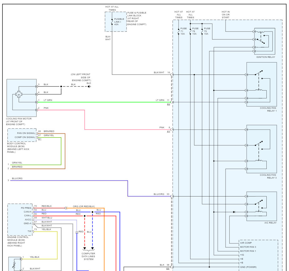
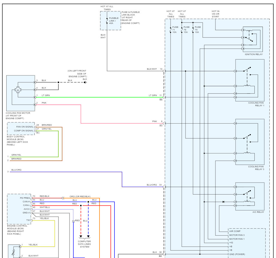
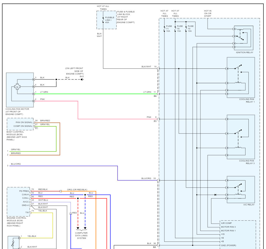
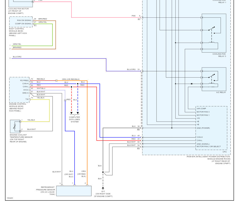
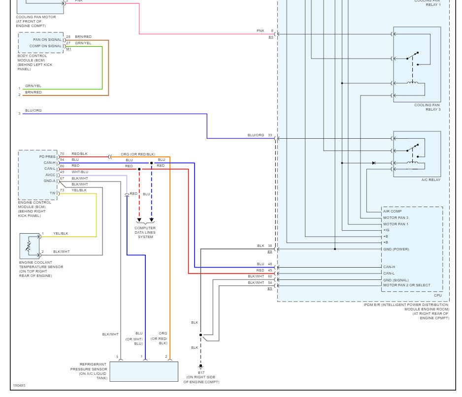
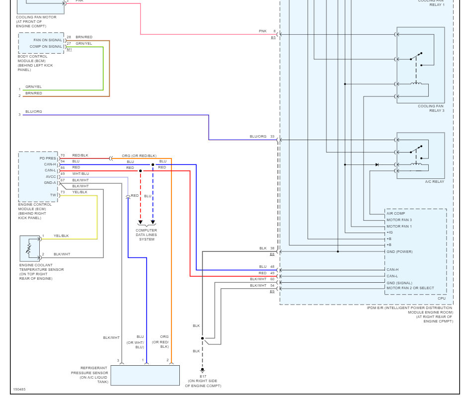
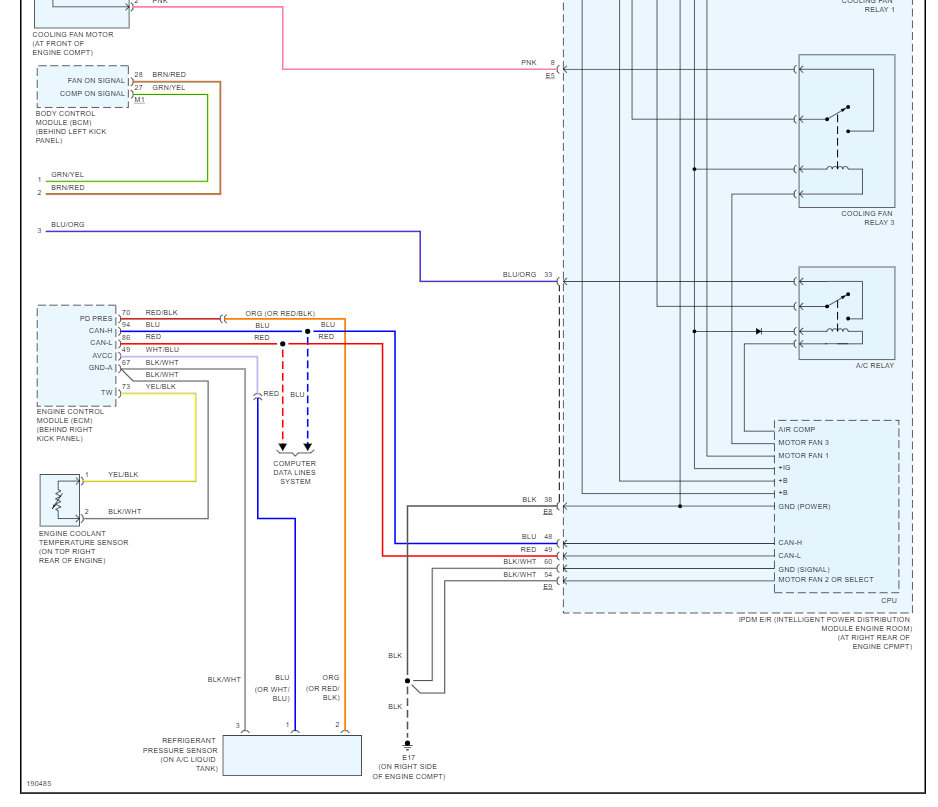
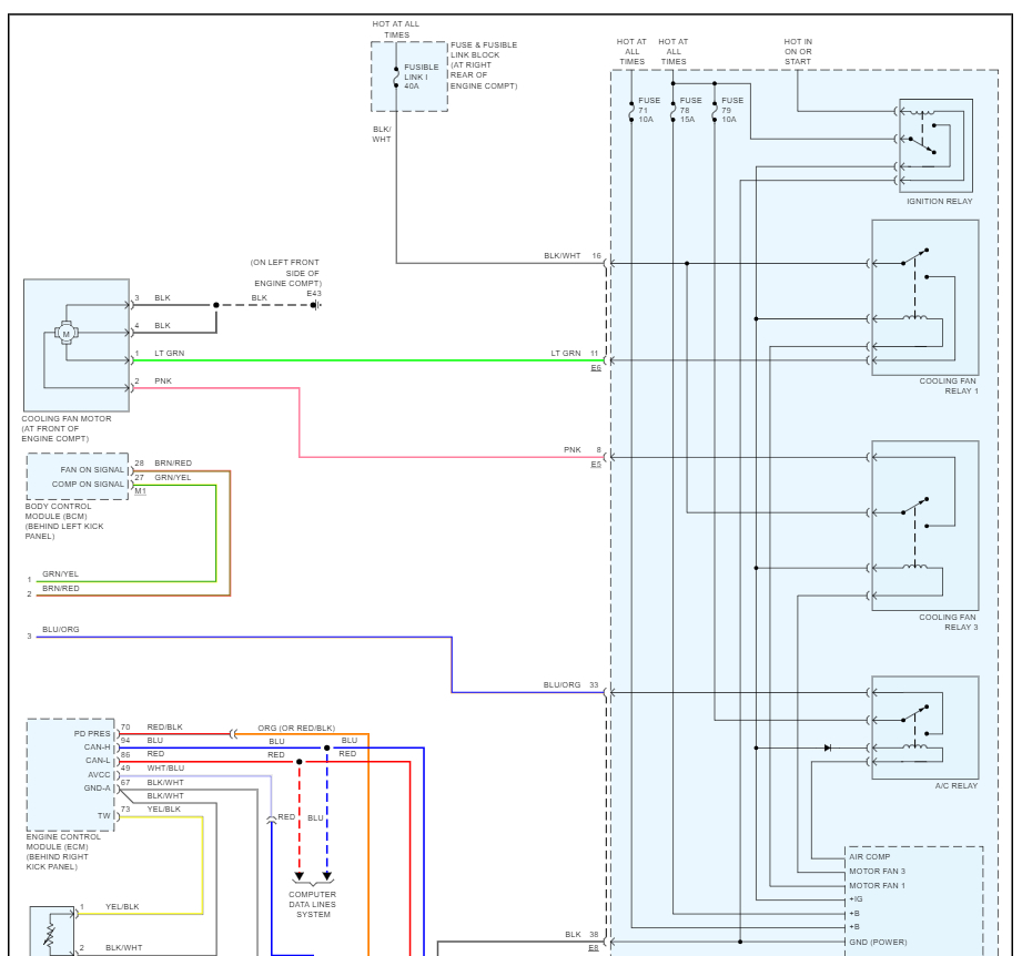
My AC compressor clutch will not engage. I am looking for the relay but cant find one that says AC relay. Any help is appreciated







