Sunday, October 10th, 2021 AT 7:52 PM
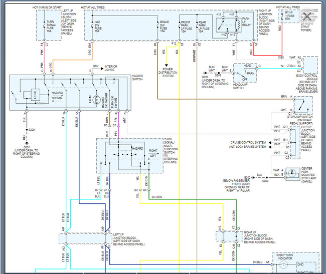
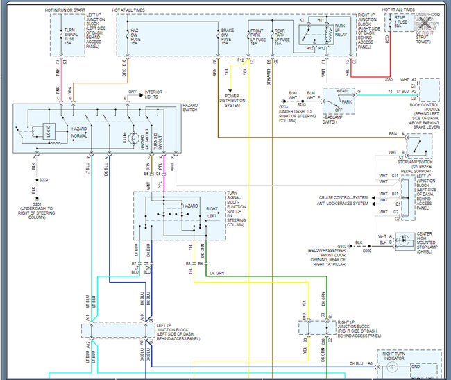
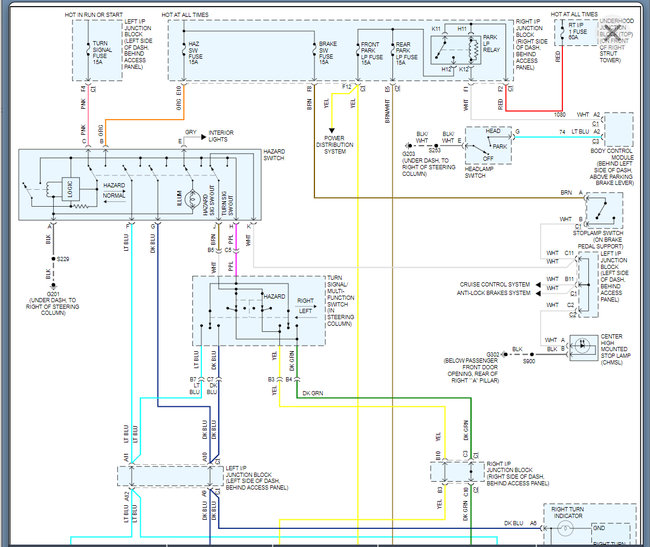
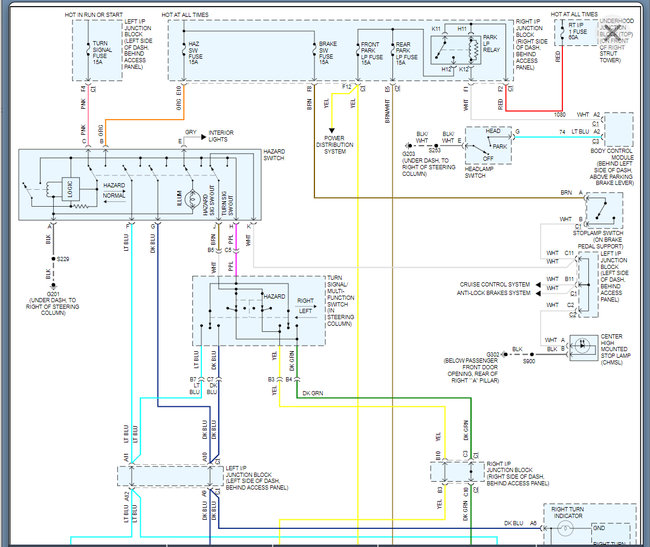
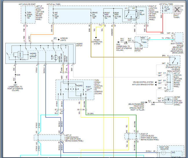
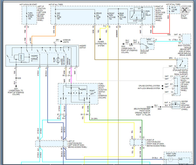
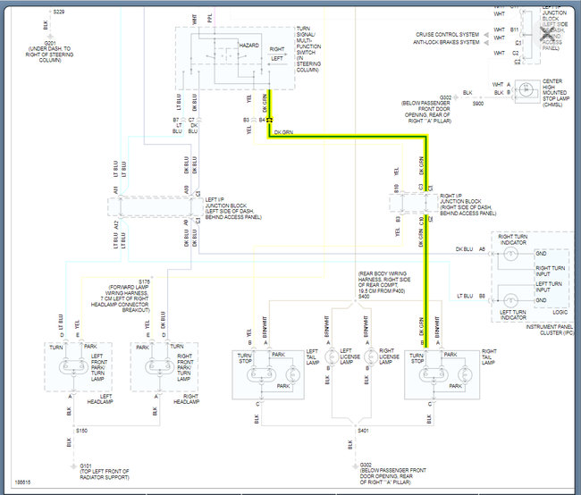
Car listed above is an SS model. Turn signal multifunction lever broke so went to junk yard and bought one from the same identical car but instead of unlocking wiring harness they just cut the wires. I connected each one by color, but right rear blinker doesn't blink in hazard mode or in turn signal. I wanted to see if anyone had an image of the harness and colors of what each wire goes to?


