Water pump replacement instructions please

Tiny
98RANGERXLT
  • MECHANIC
  • 301 POSTS
Its a 3.0 so it should be left hand threaad but im not sure.
Was this
answer
helpful?
Yes
No
Thursday, February 25th, 2021 AT 11:33 AM (Merged)
Tiny
IBIZARRO
  • MEMBER
  • 3 POSTS
Yeah, it's a 3.0 efi. Should have left handed threads. Anyone suggest just removing the water pump with fan clutch and pulley still in tact?
Was this
answer
helpful?
Yes
No
+1
Thursday, February 25th, 2021 AT 11:33 AM (Merged)
Tiny
SCHRIMPIEMAN
  • MECHANIC
  • 166 POSTS
Removing the large nut to remove the fan blade is mandatory; you'll never get to those "hidden" bolts securing the water pump to the engine block because they are blocked by the pulley.

Left-hand or Right-hand? Solution: Just observe or imagine the fan spinning in it's natural motion. Stop the engine. You need to impact drive the large nut in the SAME direction as the natural spinning motion of the fan. Spray some penetrating oil to help in loosening the threads. You'll need an impact force to loosen the initial tension of the large nut. Put a large crescent wrench or the special tool and smack it with a hammer (careful not to ruin anything else around it). That's the only way, and increase tension on the belt as suggested by tugging on the tensioner.

Impact will likely be your only solution to break the nut free. And lot's of patience.
Was this
answer
helpful?
Yes
No
-1
Thursday, February 25th, 2021 AT 11:33 AM (Merged)
Tiny
EINREB
  • MEMBER
  • 6 POSTS
  • 2000 FORD RANGER
  • 6 CYL
  • 2WD
  • AUTOMATIC
  • 120,000 MILES
Removed radiator and fan shroud, how do I getthe fan off the water pump assembly or should I just try to take the pump and fan assembly off as a unit from the engine.
I already donated some noney earlier this month. Having hard time paying right now
Was this
answer
helpful?
Yes
No
Thursday, February 25th, 2021 AT 11:34 AM (Merged)
Tiny
IMPALASS
  • MECHANIC
  • 3,112 POSTS
Hello â€

Thanks for the info.......

Sounds like you did the hard part... The radiator and the fan shroud. Though you didn’t have to remove the radiator... My suggestion since you have it off is to either have it cleaned out or replace it. You do have 120K on the vehicle..... Good preventative maintenance. You might also compare the price of having it cleaned out to replacing it too. At Auto Zone you can pick one up for about $240 and if you go to the Radiator Barn (link below) it is only about $139. Again, I like doing preventive maintenance. It is drained, removed, you are there...
Also I would replace all of the hoses. They too have 120K on them.
Was this
answer
helpful?
Yes
No
+1
Thursday, February 25th, 2021 AT 11:34 AM (Merged)
Tiny
ACORPIOUS26
  • MEMBER
  • 1 POST
  • 1999 FORD RANGER
  • 3.0L
  • 6 CYL
  • 4WD
  • 248,000 MILES
I removed the fan in order to get to the heads and now I'm trying to install it back to the water pump pulley, but for some reason when I thread it in the fan blade is hitting the A/C compressor. I installed the belt on all the pulley and it seems like that they are all aligned. My question is, how do I install it correctly without hitting the A/C compressor?
Was this
answer
helpful?
Yes
No
Thursday, February 25th, 2021 AT 11:34 AM (Merged)
Tiny
JACOBANDNICKOLAS
  • MECHANIC
  • 110,192 POSTS
Hi,

The cooling fan is mounted on the water pump, so I'm not sure how it could be hitting the compressor. I would think the compressor may not be mounted correctly.

Take a look through these directions. These are the removal and install directions for the cooling fan. Let me know if this helps. The attached pics correlate with the directions.

_________________________

1999 Ford Truck Ranger 4WD V6-3.0L VIN U
Procedures
Vehicle Engine, Cooling and Exhaust Cooling System Radiator Cooling Fan Fan Blade Service and Repair Procedures
PROCEDURES
Fan Blade
Removal and Installation
1. Remove fan shroud. See: Fan Shroud > Procedures

pic 1

2. Remove the bolts.

3. Separate the fan blade from the fan clutch.

Pic 2

4. To install, reverse the removal procedure.

______________________________

Let me know.

Joe
Was this
answer
helpful?
Yes
No
+3
Thursday, February 25th, 2021 AT 11:34 AM (Merged)
Tiny
WORTHIN52
  • MEMBER
  • 35 POSTS
  • 1997 FORD RANGER
  • 4.0L
  • V6
  • 2WD
  • AUTOMATIC
  • 162,000 MILES
What direction do the water pump pulley bolts loosen clockwise or counter clockwise. I know stupid question. I don’t remember. I need to replace the plastic fan.
Was this
answer
helpful?
Yes
No
Thursday, February 25th, 2021 AT 11:34 AM (Merged)
Tiny
JOHNNYT73
  • MECHANIC
  • 924 POSTS
Ugh. As far as I know all bolts loosen turning counter clockwise.
Was this
answer
helpful?
Yes
No
Thursday, February 25th, 2021 AT 11:35 AM (Merged)
Tiny
WORTHIN52
  • MEMBER
  • 35 POSTS
If they are left hand threads wouldn’t it loosen clockwise?
Was this
answer
helpful?
Yes
No
Thursday, February 25th, 2021 AT 11:35 AM (Merged)
Tiny
JOHNNYT73
  • MECHANIC
  • 924 POSTS
Yes, of course, but I haven't ever run into that issue before when doing a waterpump on any ford.
Was this
answer
helpful?
Yes
No
Thursday, February 25th, 2021 AT 11:35 AM (Merged)
Tiny
RETT HIGHTOWER
  • MEMBER
  • 1 POST
  • 1996 FORD RANGER
  • 2WD
  • MANUAL
  • 38,978 MILES
How to install the water pump?
Was this
answer
helpful?
Yes
No
Thursday, February 25th, 2021 AT 11:35 AM (Merged)
Tiny
KEN L
  • MASTER CERTIFIED MECHANIC
  • 55,281 POSTS
Hello,

You will need to start by disconnecting the battery so you do not have an accidental short. Next drain the coolant.

You may need to jack the car up also.

https://www.2carpros.com/articles/jack-up-and-lift-your-car-safely

Here is a guide and video that will show you what you are in for when doing the job and some diagrams (below) of what it will take on your car.

https://www.2carpros.com/articles/water-pump-replacement

Please let us know if you need anything else to get the problem fixed.

Cheers, Ken
Was this
answer
helpful?
Yes
No
+1
Thursday, February 25th, 2021 AT 11:35 AM (Merged)
Tiny
ACHILDS306
  • MEMBER
  • 1 POST
  • 1996 FORD RANGER
1996 Ford Ranger 6 cyl

Can you tell me how to replace a water pump on my ford ranger its 3.0.
Was this
answer
helpful?
Yes
No
Thursday, February 25th, 2021 AT 11:35 AM (Merged)
Tiny
BLUELIGHTNIN6
  • MECHANIC
  • 16,542 POSTS


https://www.2carpros.com/forum/automotive_pictures/261618_Noname_2696.jpg



https://www.2carpros.com/forum/automotive_pictures/261618_Graphic_694.jpg

Was this
answer
helpful?
Yes
No
+1
Thursday, February 25th, 2021 AT 11:35 AM (Merged)
Tiny
2003FLSTF
  • MEMBER
  • 1 POST
  • 1995 FORD RANGER
  • 4 CYL
  • 2WD
  • MANUAL
  • 170,000 MILES
I was wondering how to replace the water pump and thermostat in a1995 ranger 2.3 lit. Engine. Do I need to remove the fan and shroud to get to them. And I it difficult.
Was this
answer
helpful?
Yes
No
Thursday, February 25th, 2021 AT 11:35 AM (Merged)
Tiny
WRENCHTECH
  • MECHANIC
  • 20,761 POSTS
Yes, you do have to remove the fan and shroud, along wwith all the belts.

REMOVAL AND INSTALLATION

1. Drain cooling system, then remove fan shroud attaching bolts and position shroud over fan.
2. Remove fan retaining bolts, then the fan and shroud assembly.
3. If equipped, remove A/C compressor and/or power steering pump drive belts.

Fig. 23 Water Pump Replacement

4. Remove water pump pulley, then the vent tube to canister, Fig. 23.
5. Remove heater hose to water pump, then the timing belt outer cover.
6. Remove lower radiator hose from water pump.
7. Remove water pump attaching bolts and the water pump.
8. Reverse procedure to install.
Was this
answer
helpful?
Yes
No
-1
Thursday, February 25th, 2021 AT 11:35 AM (Merged)
Tiny
WLEWALT
  • MEMBER
  • 12 POSTS
  • 1995 FORD RANGER
  • 150,000 MILES
My son was driving when he heard a strange noise from under the hood and what he thought was smoke. I later determined that it was steam that he saw. He said coolant was leaking all over the place, and after looking, I determined that the water pump had failed. I replaced the water pump and after checking the thermostat, it and the thermostat housing both needed replacing. After doing all of this work, I filled the radiator up with fluid and it wasn't leaking. I started the truck up and inspected again, nothing. I thought the problem was fixed but after ideling for about 5 minutes, I looked underneath and sure enough, was leaking fluid again. Looking through the beam of a flashlight, it appears that the fluid is coming from above and/or around the thermostat housing. I know it is sealed well, it was such a pain to get the damn thing back in, but I know it has. Or should have a good seal. Also, there is a knocking sound coming from the engine. Any ideas or suggestions would be very helpful. I checked the oil and couldn't see any water in it and checked the water coming out for the tell tale sign of a rainbow, indicating petroleum products, and couldn't find any. Thanks and I look forward to talking with you.
Was this
answer
helpful?
Yes
No
Thursday, February 25th, 2021 AT 11:36 AM (Merged)
Tiny
SEANGRANT00
  • MECHANIC
  • 334 POSTS
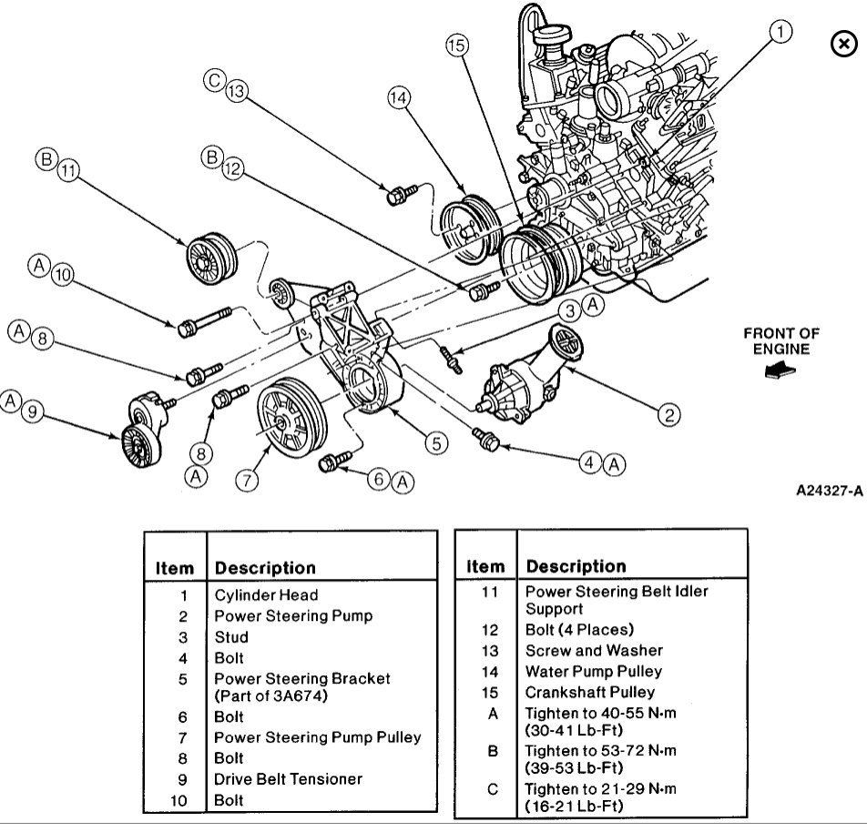
Basically where the thermostat rests in the housing, the placement of the gasket is often on the wrong side and the water outlet has to be turned to seats correctly. I attached another image that gives definitions to each item.
Was this
answer
helpful?
Yes
No
-1
Thursday, February 25th, 2021 AT 11:36 AM (Merged)
Tiny
WLEWALT
  • MEMBER
  • 12 POSTS
Ok, I've got this apart again but am still a bit confused. Does the thermostat fit over the gasket or under it? I took some pictures to show what I'm looking at, can I send them to you? I'm starting to get real frustrated and would like to do it right this time. Thank you very much for your help
Was this
answer
helpful?
Yes
No
Thursday, February 25th, 2021 AT 11:36 AM (Merged)

Please login or register to post a reply.