Driver side rear LED brake light does not work when the light switch is on the off or auto position

Tiny
CHADILLAC12502
  • MEMBER
  • 2004 CADILLAC SRX
  • V6
  • RWD
  • AUTOMATIC
  • 124,000 MILES
However, when I put it in the parking light position or the on position it works fine. What is a solution to the problem or the best way to troubleshoot the problem?
Monday, February 9th, 2015 AT 11:20 AM

1 Reply

Tiny
KASEKENNY
  • MECHANIC
  • 18,907 POSTS
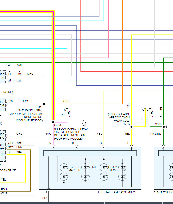
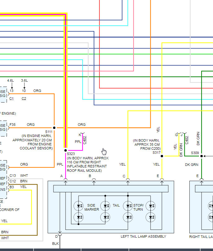
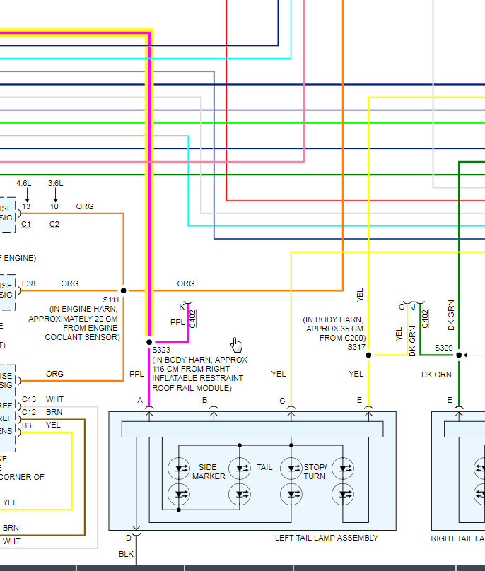
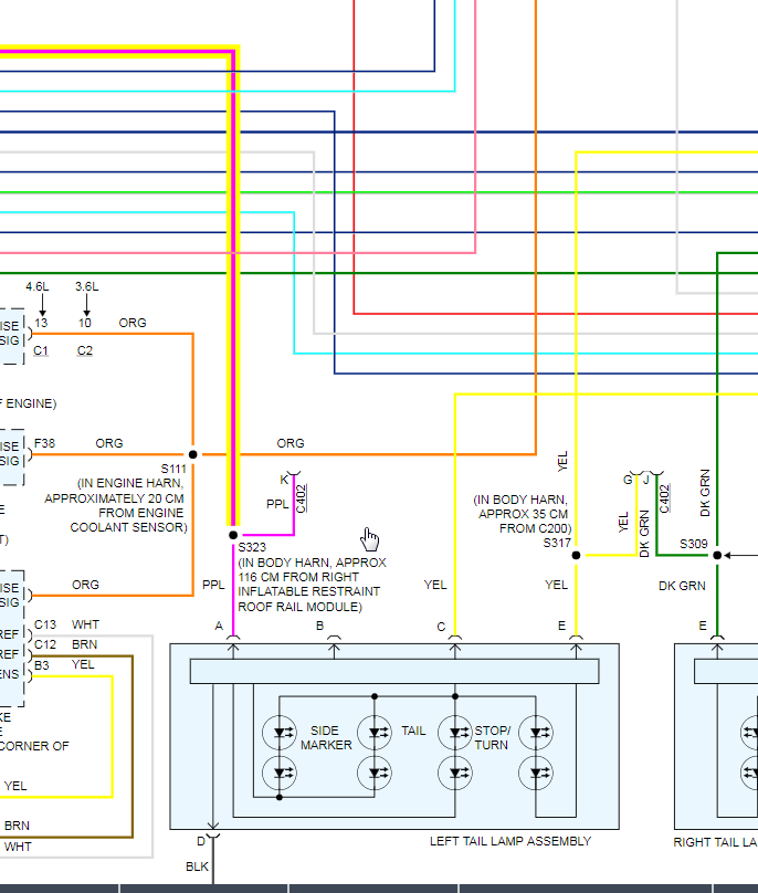
The way this works is the brake lamp switch provides the signal to the electronic brake control module that the pedal has been pressed and it sends signal to the turn hazard module which actually tells the lamp to turn on. Basically we need to go to the turn hazard module and see if we have voltage on the circuits highlighted.

I would suspect you have a code because as you can see there is a outage detect circuit so if the light assembly is the issue, I would suspect there is a code. If there is no code then I am sure your turn hazard module is the issue.

The reason I suspect this is because if the lamp works in the other positions it is because that power feed comes from a separate fuse which is also highlighted.

Please reach out with questions. Thanks
Was this
answer
helpful?
Yes
No
Monday, March 30th, 2020 AT 5:23 PM

Please login or register to post a reply.