Heated seats

Tiny
GROBACK
  • MEMBER
  • 2004 BUICK LESABRE
  • 6 CYL
  • 2WD
  • AUTOMATIC
  • 38,000 MILES
2004 buick lasabre, heated seats don't work, lights are on but no heat, suggestions?
Thursday, December 9th, 2010 AT 3:49 PM

4 Replies

Tiny
JACOBANDNICKOLAS
  • MECHANIC
  • 110,194 POSTS
Check to see if there is 12 volts to the seat itself. If there is, then chances are the element in the seat has gone bad. If there isn't power to the seat, follow the wiring back to the switch to see if there is a break in the wiring.

Let me know what you find.
Joe
Was this
answer
helpful?
Yes
No
+1
Thursday, December 9th, 2010 AT 4:34 PM
Tiny
GRANDPAGUNN
  • MEMBER
  • 1 POST
  • 2003 BUICK LESABRE
Both front heated seats are not working. When I push the heated seat button the HI indicator light comes on, but no heat. The LO indicator light will not come on. I can not turn the HI indicator light off by pushing the heated seat button, in order to turn the light off I have to turn the key off.
All the connections under both seats seem to be tight.
Thank you for any help that you may offer.
Chuck Gunn
Was this
answer
helpful?
Yes
No
+5
Monday, January 18th, 2021 AT 10:58 AM (Merged)
Tiny
JNOVACK
  • MECHANIC
  • 723 POSTS
Check fuse 16 and 34 if they are okay then unplug from harness under seat and check for voltage if you have voltage then it is the heating element under seat.
Was this
answer
helpful?
Yes
No
+11
Monday, January 18th, 2021 AT 10:58 AM (Merged)
Tiny
KASEKENNY
  • MECHANIC
  • 18,907 POSTS
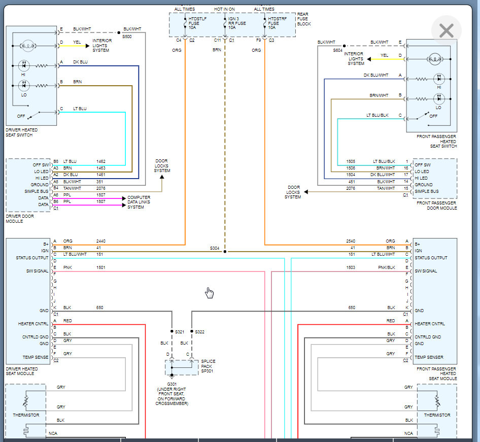
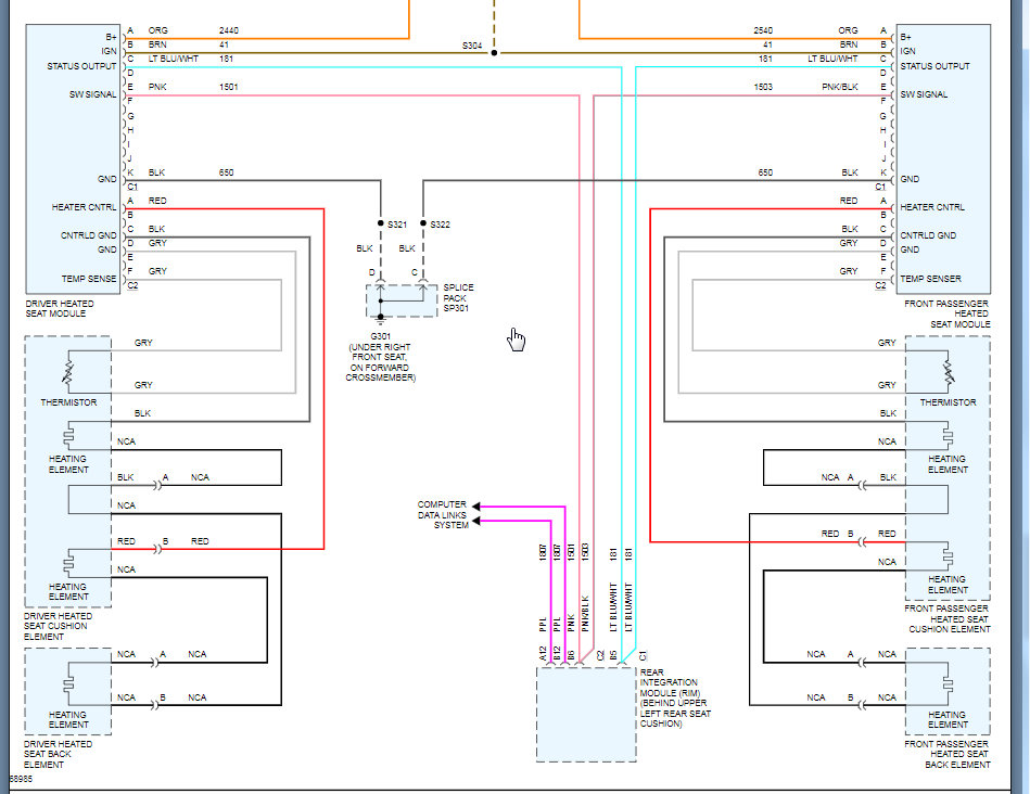
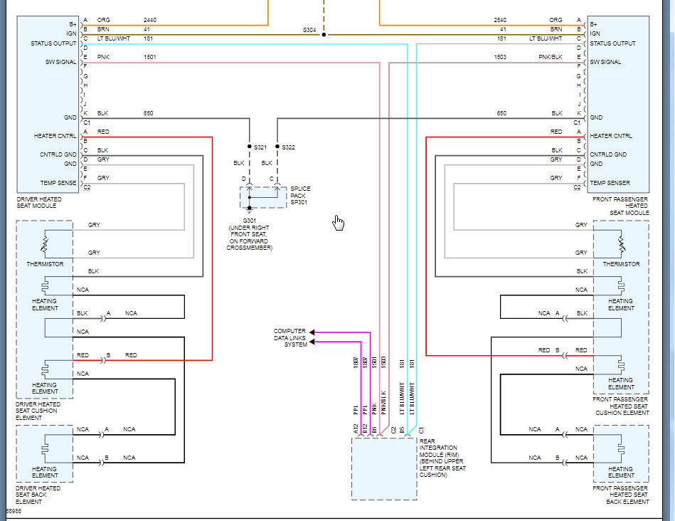
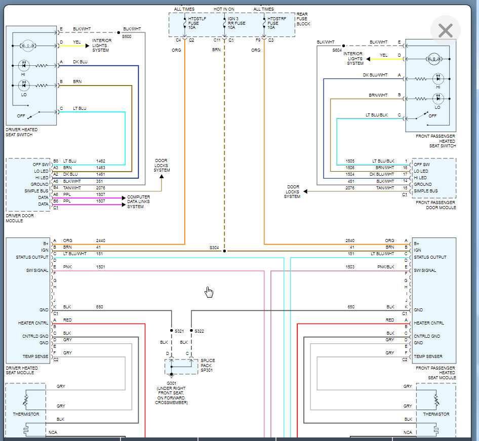
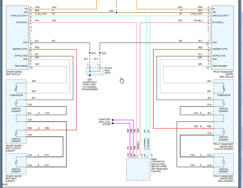
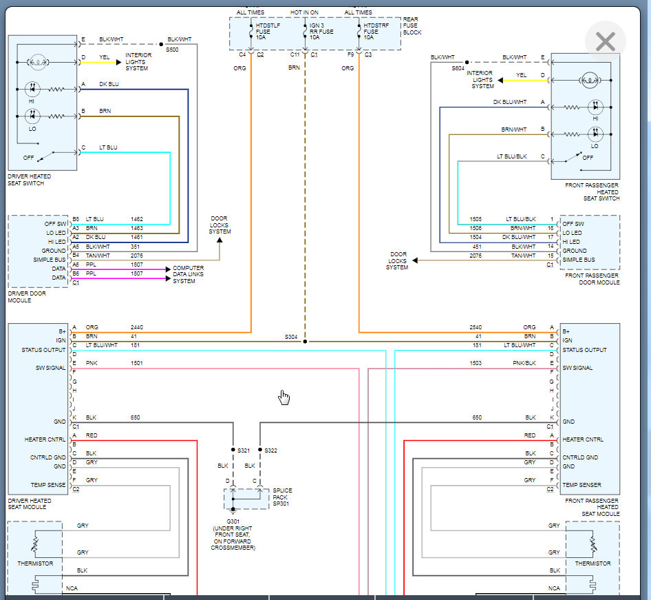
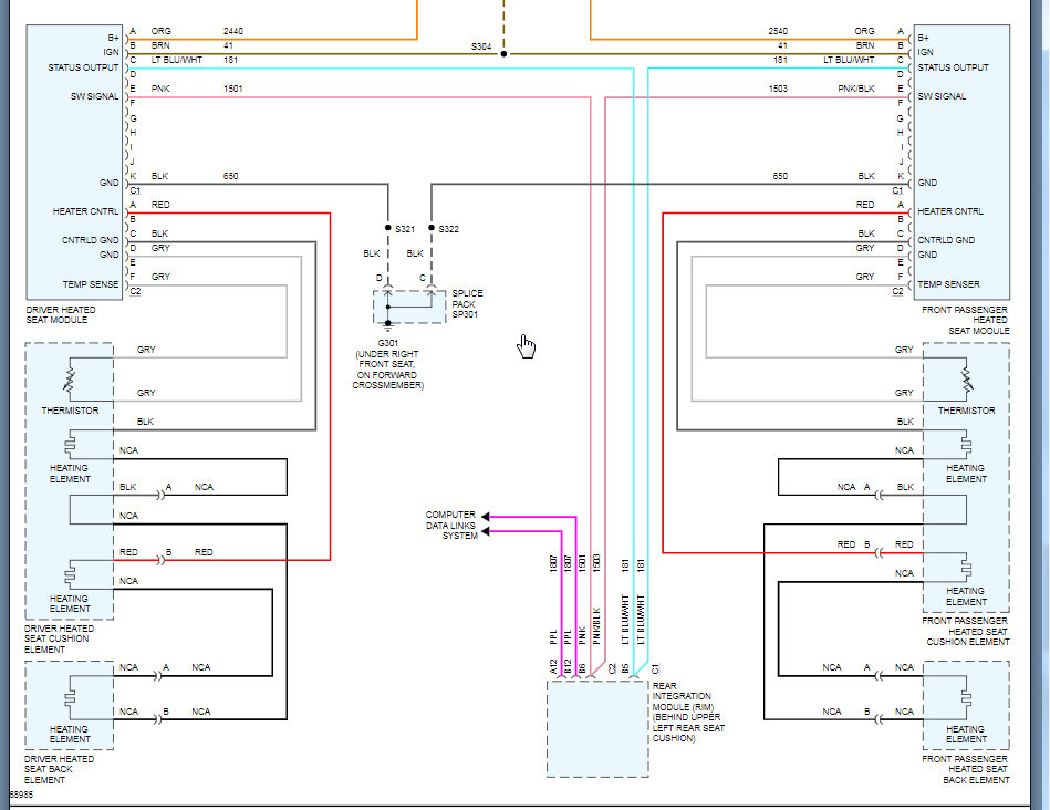
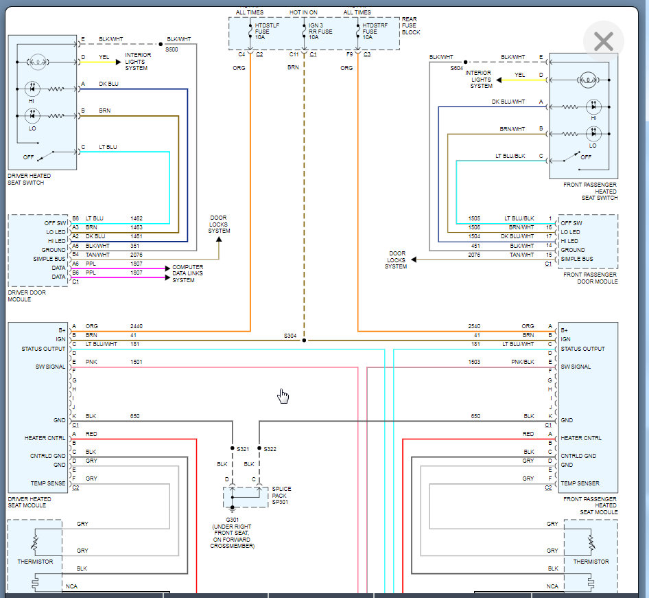
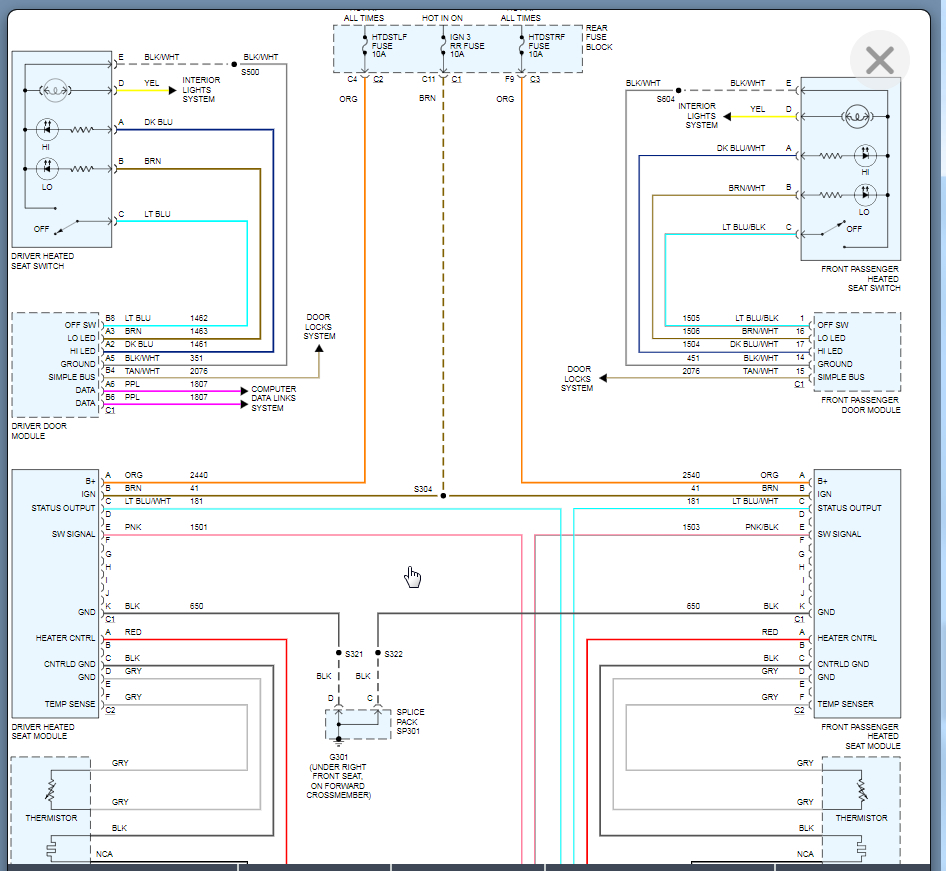
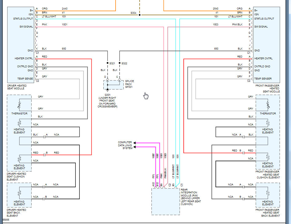
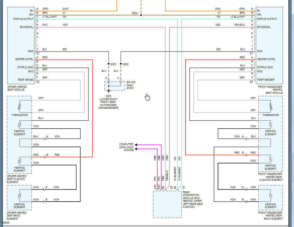
If you review this material you will see that that switch inputs run from the switch to the door module. Then from the door module to the rear integration module which sends a direct signal to each of the heated seat modules to turn them on either hi or lo.

So we need to go to the heated seat module and check for voltage on the SW signal wire. As you can see from the wiring diagram both signal wires are coming out of the same terminal on the rear integration module so I suspect it has failed.

Here is a guide that will help with this:

https://www.2carpros.com/articles/how-to-check-wiring

I included the process below on how to replace this module and the programming of it as well.
Was this
answer
helpful?
Yes
No
+3
Monday, January 18th, 2021 AT 10:58 AM (Merged)

Please login or register to post a reply.