Thursday, December 29th, 2011 AT 12:58 AM
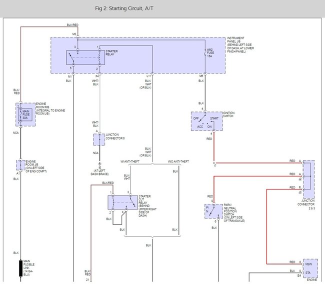
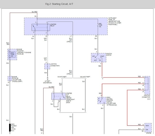
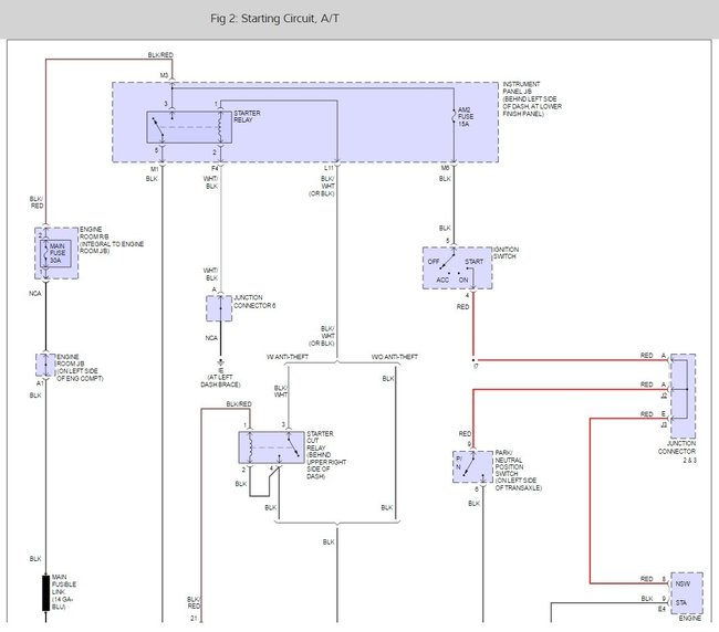
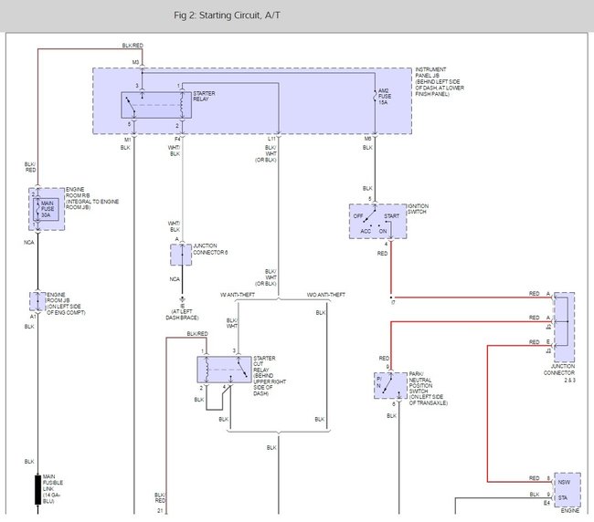
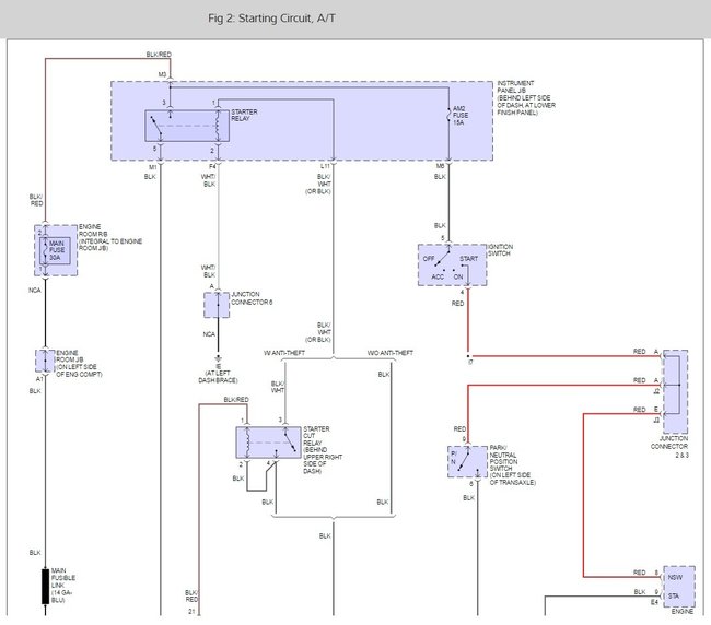
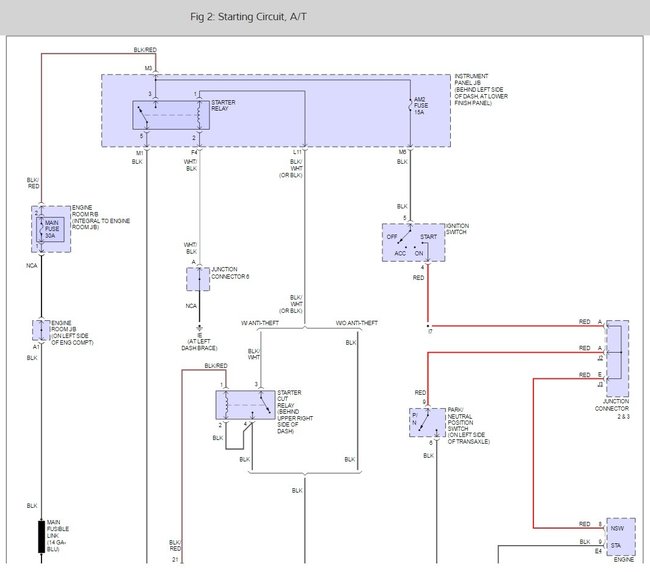
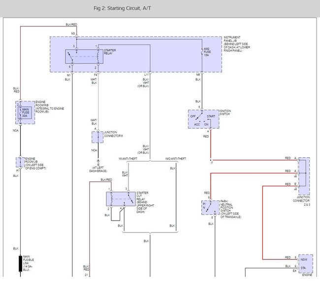
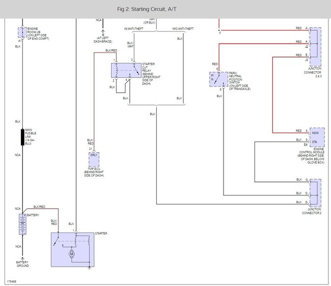
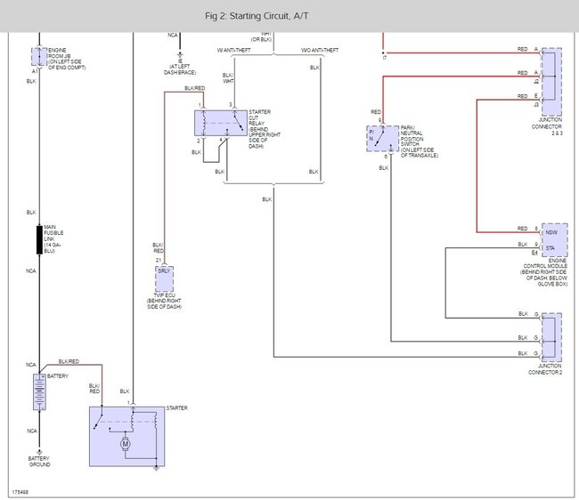
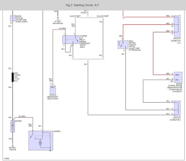
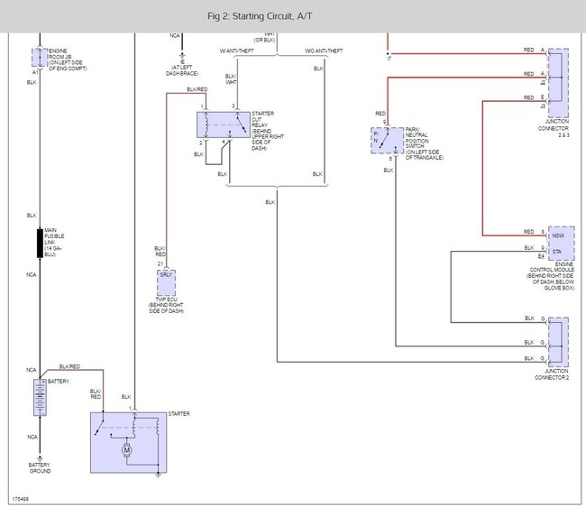
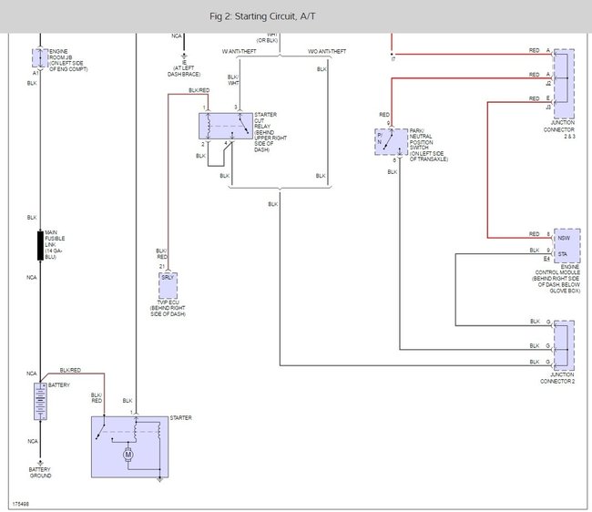
My 2003 toyota corolla wont start, checked battery, alternator they seem fine I cannot hear the fp primeing and not even a clicking sound from the starter. Any suggestions? Ty





