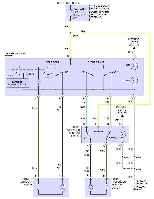
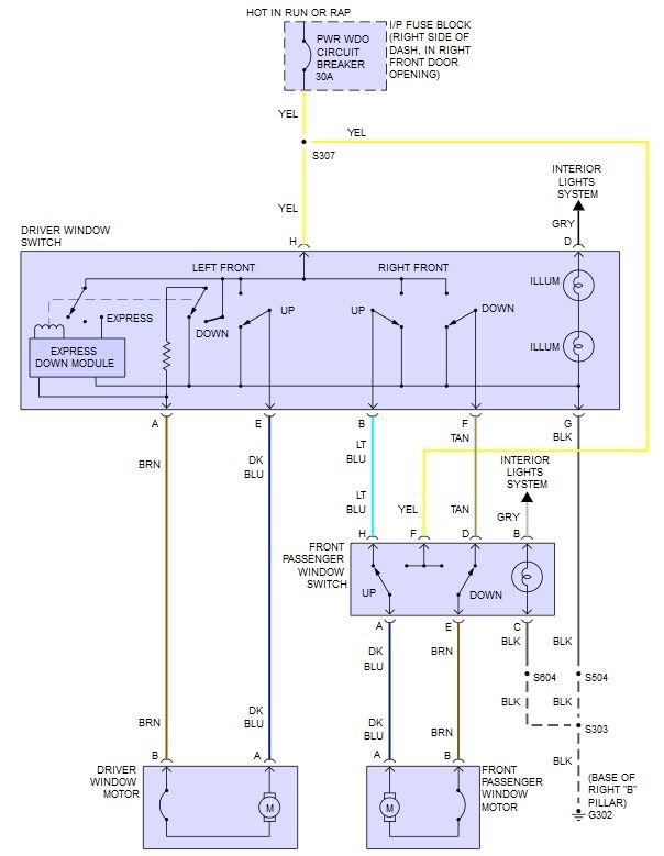
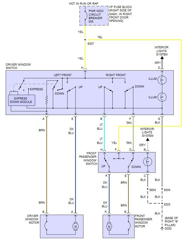
Windows stopped working

Tiny
STACYNELSON777
  • MEMBER
  • 2003 PONTIAC MONTANA
  • 17,000 MILES
The windows stopped working. I do not know what to do.
Monday, April 2nd, 2012 AT 5:40 PM

38 Replies

Tiny
FIXITMR
  • MECHANIC
  • 9,990 POSTS
When you checked fuses did you check them for power?
Was this
answer
helpful?
Yes
No
Monday, April 2nd, 2012 AT 6:27 PM
Tiny
XJSHEN
  • MEMBER
  • 246 POSTS
  • 2003 PONTIAC MONTANA
  • 3.4L
  • 6 CYL
  • FWD
  • AUTOMATIC
  • 72,000 MILES
Passenger side window motor only works on the switch up direction, but does not spin at switch down direction. Motor spins two to three second shortly with click sound but does not spin and does not raise window up. Window power switch and regulator is normal. And motor looks work but wire have problem.
Was this
answer
helpful?
Yes
No
Friday, June 19th, 2020 AT 1:42 PM (Merged)
Tiny
STEVE W.
  • MECHANIC
  • 15,676 POSTS
Okay, If you are hearing the motor run in one direction it is not the wiring to the motor. It uses the same wiring to go both directions and simply reverses the polarity.

If you are pushing up on the switch and the window is not moving but it sounds like the motor is turning the issue is either stripped teeth on the regulator or the internal gear on the motor has broken.

If the window is already up but you cannot lower it using either switch then the likely problem is the passenger side switch itself is not passing power to the motor.
Was this
answer
helpful?
Yes
No
+2
Friday, June 19th, 2020 AT 1:42 PM (Merged)
Tiny
XJSHEN
  • MEMBER
  • 246 POSTS
Thanks!
I saw the motor spin normal when window switch on up button but only spin slightly movement and stop with click sound when switch on down button. The regulator looks okay, and window switch works normal. The window is already up to top but it could not be lower and the passenger side switch works normal for lock and unlock. Is the motor problem? Thanks a lot for your direction and instruction!
Was this
answer
helpful?
Yes
No
+1
Friday, June 19th, 2020 AT 1:42 PM (Merged)
Tiny
STEVE W.
  • MECHANIC
  • 15,676 POSTS
Sounds like a bad switch. The motor is easy to test. Remove the trim panel, remove the two wire connection to the motor. Now use two wires, of different colors, connected to the battery to touch the pins in the connector ON the motor. When you apply power with the wires connected one direction the window should go either up or down. Reverse the wires and touch them again and the window should go the opposite direction.

To test the switches, connect a digital volt meter to the two pins inside the connector that you removed from the motor. Most meters will tell you if they are hooked up "backwards" on DC. So when you have it connected to the wires, Pushing the switch one direction should read battery voltage and pushing the switch the other way will show a minus sign in front of the battery voltage. Because the switches simply reverse the polarity to raise/lower the window.
Was this
answer
helpful?
Yes
No
+1
Friday, June 19th, 2020 AT 1:42 PM (Merged)
Tiny
XJSHEN
  • MEMBER
  • 246 POSTS
Hello Steve,
Thanks a lot for your help and nice instruction. I tested voltage and all were normal. Actually, the motor was problem and regulator not match with motor caused window does not down. Strangely, my motor was very old motor, out side shell was fragmented. Anyway I replaced both motor and regulator. Again thanks!
Was this
answer
helpful?
Yes
No
Friday, June 19th, 2020 AT 1:42 PM (Merged)
Tiny
STEVE W.
  • MECHANIC
  • 15,676 POSTS
Sounds like maybe someone had been in there before and just used what they had. But you got it fixed which is what counts. Come back anytime with any auto questions we'll be here. Tell any friends about us.
Was this
answer
helpful?
Yes
No
Friday, June 19th, 2020 AT 1:42 PM (Merged)
Tiny
XJSHEN
  • MEMBER
  • 246 POSTS
You are right. I saw there were touched traces in side of window parts since I have never touched and never have received service on the window. Any way I learned how to replace window motor and regulator.I just paid $30 to buy motor and regulator. Again thanks!
Was this
answer
helpful?
Yes
No
Friday, June 19th, 2020 AT 1:42 PM (Merged)
Tiny
KEN L
  • MASTER CERTIFIED MECHANIC
  • 55,297 POSTS
Nice work, we are here to help, please use 2CarPros anytime.

Steve W. Is one of our best!

Cheers, Ken
Was this
answer
helpful?
Yes
No
Friday, June 19th, 2020 AT 1:42 PM (Merged)
Tiny
PJQJ2000
  • MEMBER
  • 1 POST
Hi Ken, I’m new here. Great thing you going here thank you! 1969 Electra. Rear quarter window motor spins only one way even reversing the 2 wires. I had completely cleaned it out and re greased all good. The reason why I pulled it out was that it didn’t go up. Now with the motor and regulator installed. (Not the window yet) it only went down. The switch at the window and the drivers switch for same window only goes down. Thank you in advance!
Was this
answer
helpful?
Yes
No
Friday, June 19th, 2020 AT 1:42 PM (Merged)
Tiny
STEVE W.
  • MECHANIC
  • 15,676 POSTS
Welcome to 2CarPros. Nice ride.
Before you do anything, test it using two jumper wires and power directly from the battery. If you apply battery voltage with the wires one direction, and the motor goes up or down, then reverse the polarity and the motor goes the opposite direction, the motor is okay. If it still only turns one direction with the polarity reversal, the motor is bad.
If it does reverse okay then you have a problem in one of the switches. Grab a digital volt meter and connect it in place of the motor. When the switch is moved one way read the voltage and pay attention to the symbol that may show up on the meter saying - or neg. Most meters will indicate if the leads are connected "correctly" by showing a - sign if they are reversed. That symbol will tell you if moving the switch the other way is reversing the polarity or not. So say the first time you move the switch you get a reading of - 12.3 Now move the switch the opposite way. You should see 12.3 if the polarity is reversing.
If you see the same reading both times you have either a wiring or switch problem.
Was this
answer
helpful?
Yes
No
Friday, June 19th, 2020 AT 1:42 PM (Merged)
Tiny
TBOYD57
  • MEMBER
  • 1 POST
  • 2001 PONTIAC MONTANA
  • 6 CYL
  • FWD
  • AUTOMATIC
  • 135,000 MILES
The power window on the driver's door is not closing properly. It appears to be "off track" or something. It gets part way up and then the back end tilts forward. This prompts 2 questions, 1. What would be causing that problem and 2. What is the best way to remove the door panel so I can take a look at it?
Was this
answer
helpful?
Yes
No
Friday, June 19th, 2020 AT 1:43 PM (Merged)
Tiny
CRYSTA84
  • MEMBER
  • 2 POSTS
Normally, I wouldn't even attempt to answer anything about a car! But, I just got my 2003 Montana back from the dealer a week ago. This was exactly one of the problems they diagnosed for me. They told me that the run channel was binding, and need replaced. It's binding on the front part of the window, and causing the back to tilt forward. Although the mechanic that looked at it, said it just needed lubricated.
Good luck!
Was this
answer
helpful?
Yes
No
+1
Friday, June 19th, 2020 AT 1:43 PM (Merged)
Tiny
WALLY83
  • MEMBER
  • 8 POSTS
Hi I have a 2001 and the window does the same thing all I did was spry it with armerall and it fixed it just reaply every couple months
Was this
answer
helpful?
Yes
No
+1
Friday, June 19th, 2020 AT 1:43 PM (Merged)
Tiny
1ATONY
  • MEMBER
  • 1 POST
If anyone else runs into this type of an issue.Here's a great video that will show you exactly how to take the door panel off of your 97-05 Pontiac Montana.
http://www.youtube.com/watch?v=SJRc1zTJ5Cw
Was this
answer
helpful?
Yes
No
+1
Friday, June 19th, 2020 AT 1:43 PM (Merged)
Tiny
MURRAYANDREW1
  • MEMBER
  • 2 POSTS
Thanks to A1Tony, this video really helps me with my door speaker repair!
Was this
answer
helpful?
Yes
No
Friday, June 19th, 2020 AT 1:43 PM (Merged)
Tiny
CADIEMAN
  • MECHANIC
  • 3,544 POSTS
U will need to replace the front channel and the 2 window clips.1 in the front and 1 in the back.
Was this
answer
helpful?
Yes
No
Friday, June 19th, 2020 AT 1:43 PM (Merged)
Tiny
SWEET_MAMA
  • MEMBER
  • 5 POSTS
  • PONTIAC MONTANA
I have a 2001 Pontiac Montana 3.4L. The Passenger side window has stopped operating. Neither switch (driver side or passenger side) will work. When I press the switch down I hear nothing. When I lift it up, as to put the window up, I hear a sound like it is trying to work. I took the motor to a napa store. The guy put it on the battery and said he got it to turn both ways. He said something about a relay. I would like to fix this myself and would like some help troubleshooting. Can you help?
Was this
answer
helpful?
Yes
No
Friday, June 19th, 2020 AT 1:43 PM (Merged)
Tiny
2CARPRO JACK
  • MECHANIC
  • 11,533 POSTS
Just because it worked on the bench doesnt mean it can work under load. If the switch is supplying power in both directions (up and down) then it could very well be the motor. With the motor installed can you physically move the window up and down? If so be sure the regulator isnt broken.
Was this
answer
helpful?
Yes
No
Friday, June 19th, 2020 AT 1:43 PM (Merged)
Tiny
SWEET_MAMA
  • MEMBER
  • 5 POSTS
Thanks for your reply. The regulater is confirmed in working order. The motor is operable down when hooked up to the switch. However it is not working when the switch is pushed down(to put the window up). Neither switch will cause the motor to go down. The switch on the passenger side is giving a reading on a meter. Have not checked the driver side. Am I getting close to assume the switch on the driver side is the bad one?
Was this
answer
helpful?
Yes
No
+2
Friday, June 19th, 2020 AT 1:43 PM (Merged)

Please login or register to post a reply.