There are four things that I see over and over again, that keep an ignition lock cylinder from turning.
1.
The steering wheel lock is under pressure.
When you turn off your car and remove your key.
A spring loaded post sticks up in to one of many holes in the steering wheel.
This locks the steering wheel in place, making your car harder to steal, because a bad guy cant turn the steering wheel if they somehow get your car started without the key.
But this can also keep you from turning the ignition lock.
If the steering wheel is under pressure because your front wheels are against a curb, or you have the wheel cranked all the way to one side or the other. The pressure from the steering wheel on the spring loaded post keeps you from being able to turn the key.
So while trying to pull the steering wheel one direction or the other, try to turn the key, this may solve your problem.
2-A.
The pins are not falling into place.
You kinda need to know how a lock works for this part.
Look at a key and you will see there are different depth cuts in it.
Those different cuts correspond with different length pins in the lock cylinder.
See how the red pins are of different length?
But with the key inserted, they are all even with the blue pins.

When the red pins are held in the correct position by the correct key, the spring loaded blue pins are flush with the outer housing of the lock, and the red pins are flush with the inner cylinder of the lock
And thus the inner cylinder can be rotated.

If debris such as pocket lint, ear wax, or just plain old dirt gets into the pins and causes enough friction for the spring loaded blue pins to not be able to push the red pins back in place.
Then the red pins will be partially stuck in the hole for the blue pins and the cylinder can not turn.
Putting the key in the lock and then tapping on it with a small hammer may help until you have the chance to have the lock cleaned.
Do a search for the word "bump key" if you want to know more about how a lock cylinder works.
2-B.
The same goes for if a key is worn out.
If a key is badly worn, then it will not put the red pins in the correct spot and some of the pins will keep the cylinder from turning.
If your key is worn out, try a spare if you have one.
Or put the key in and "Jiggle" it while trying to turn the lock.
3.
A problem with the interlock cable from the gear selector to the lock cylinder. Make sure you are completely in park.
You pretty much have to take things apart and visually inspect it to verify this problem.
4.
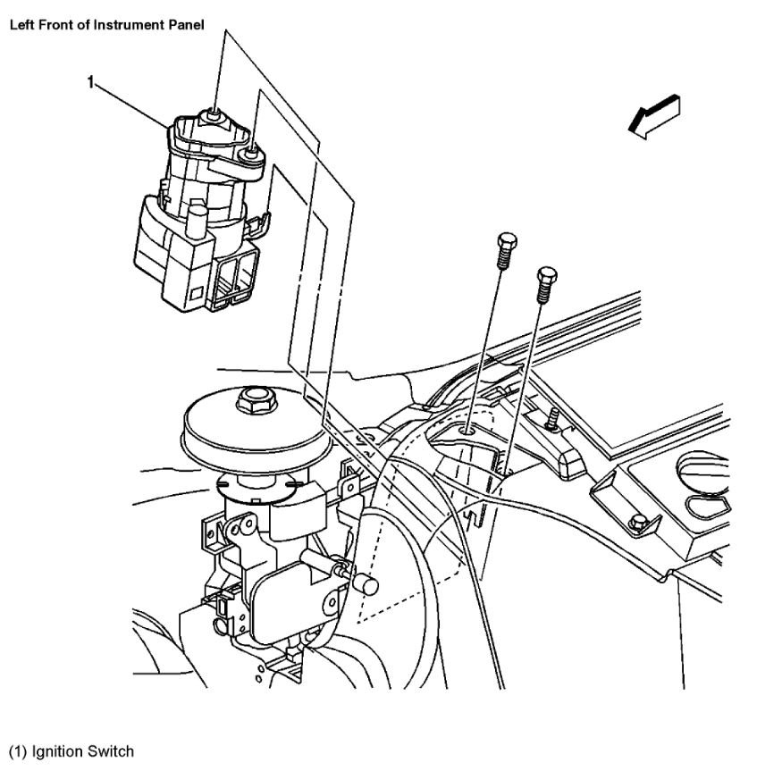
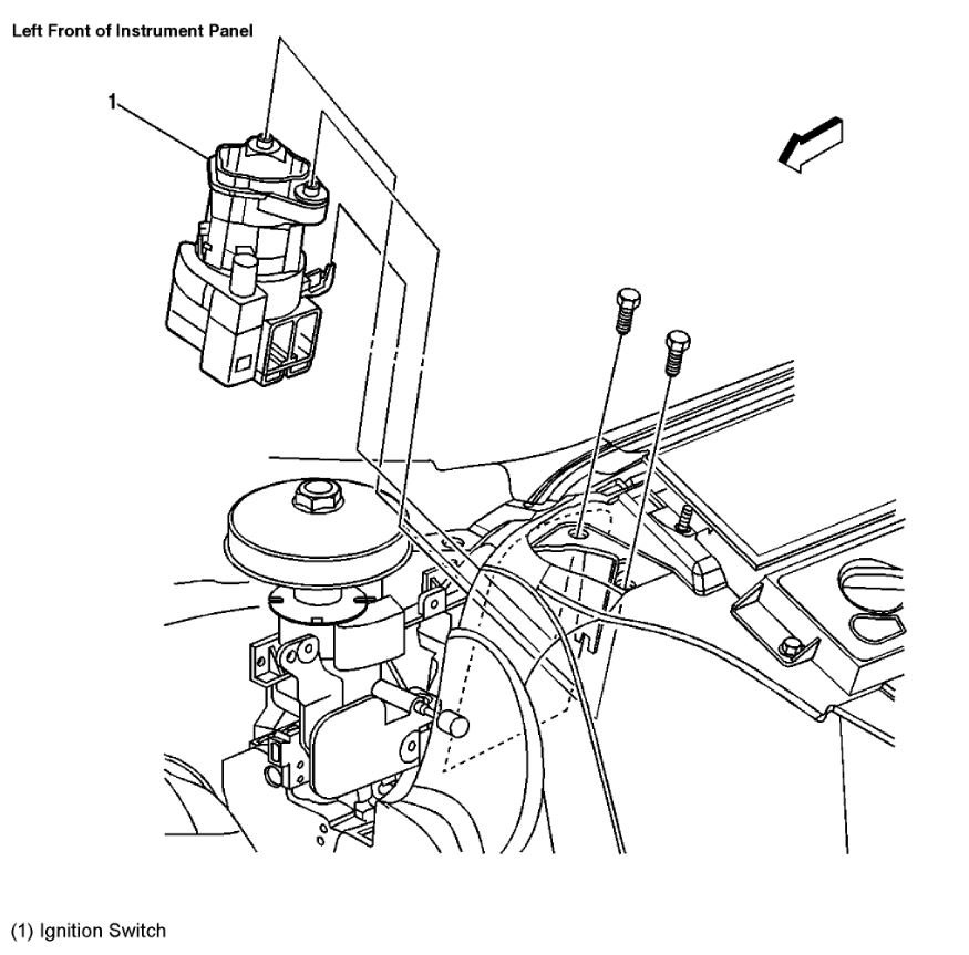
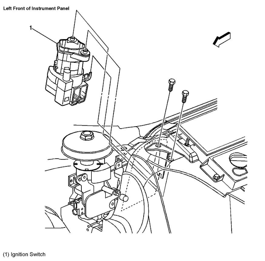
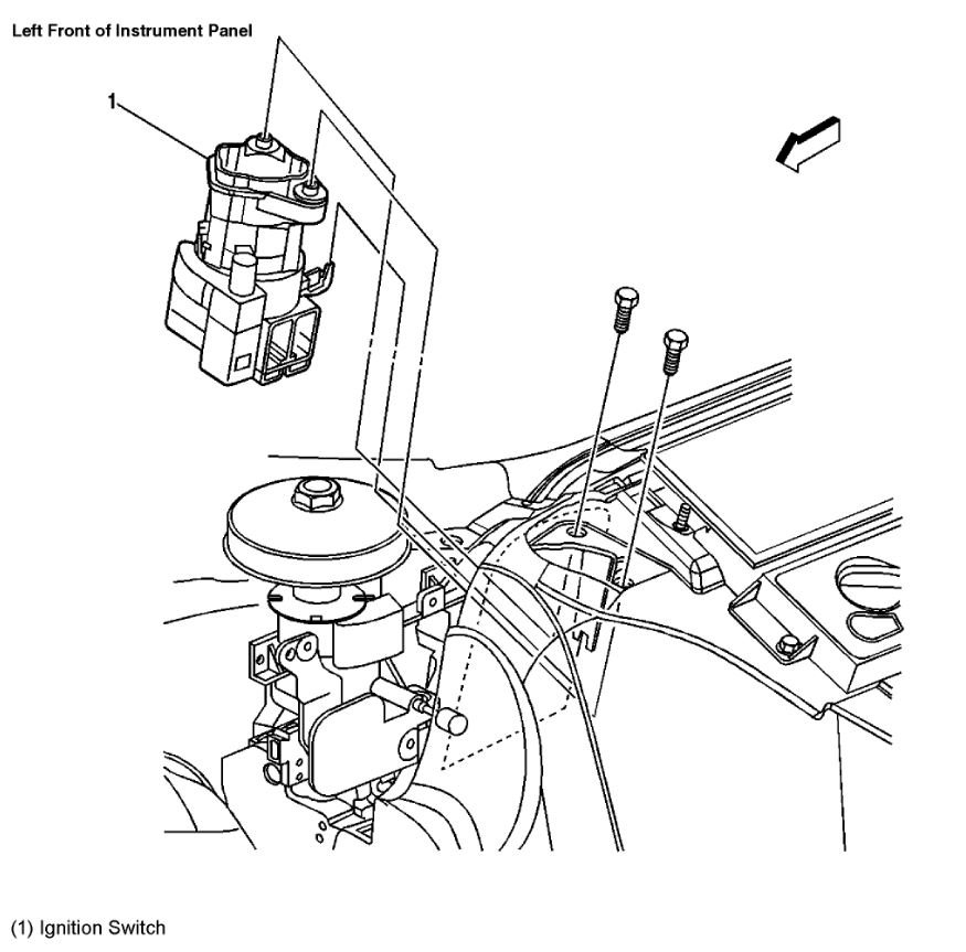
A mechanical problem with the linkage from the lock cylinder to the electrical part of the ignition switch.
good luck
Tuesday, September 11th, 2018 AT 6:05 PM
(Merged)