Radiator fans don't come on and engine overheats?

Tiny
BIKERBILL34
  • MEMBER
  • 2003 NISSAN ALTIMA
  • 4 CYL
  • 2WD
  • AUTOMATIC
2003 Nissan Altima, Radiator fans don't come on and engine overheats. What sensor drives the fans?
Monday, December 20th, 2010 AT 10:55 PM

11 Replies

Tiny
SATURNTECH9
  • MECHANIC
  • 30,869 POSTS
It's the engine coolant temp sensor.
Was this
answer
helpful?
Yes
No
+4
Monday, December 20th, 2010 AT 11:26 PM
Tiny
WRENCHTECH
  • MECHANIC
  • 20,761 POSTS
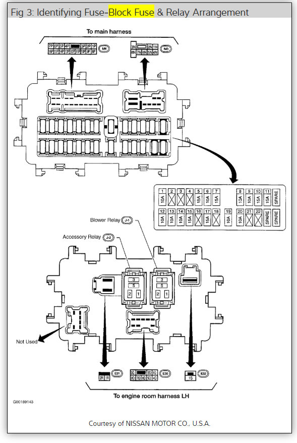
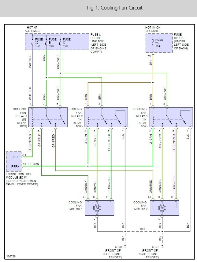
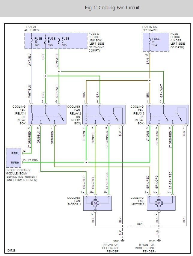
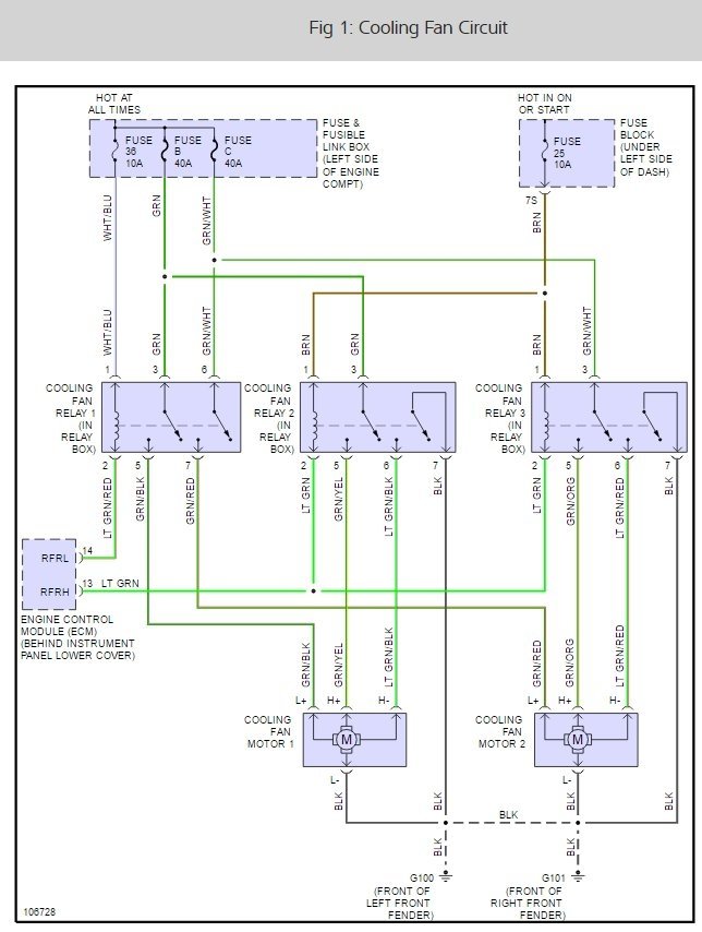
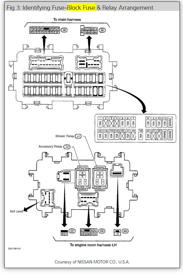
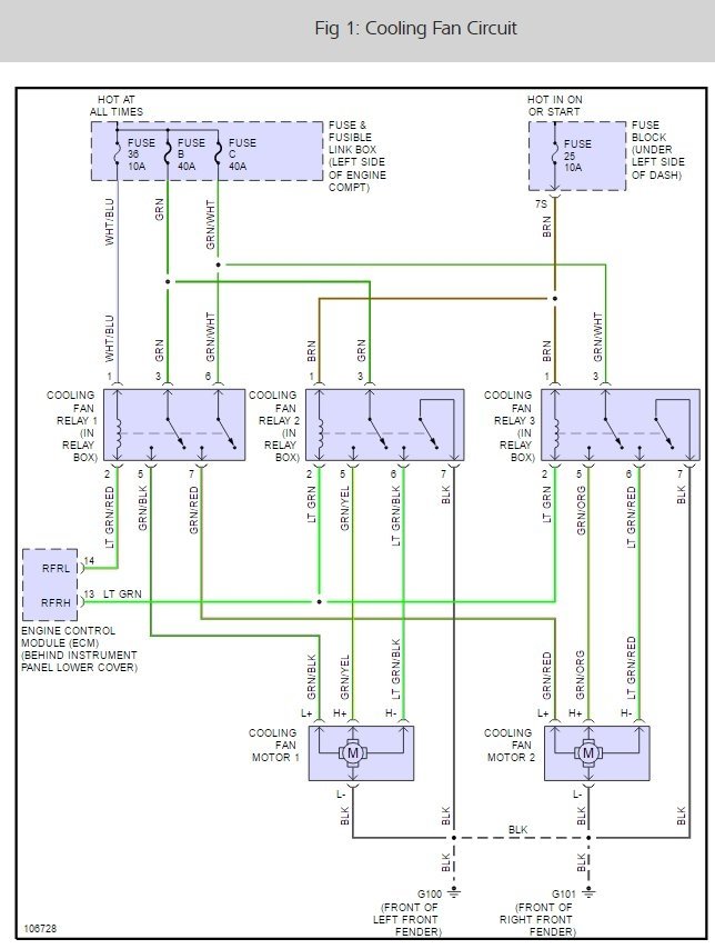
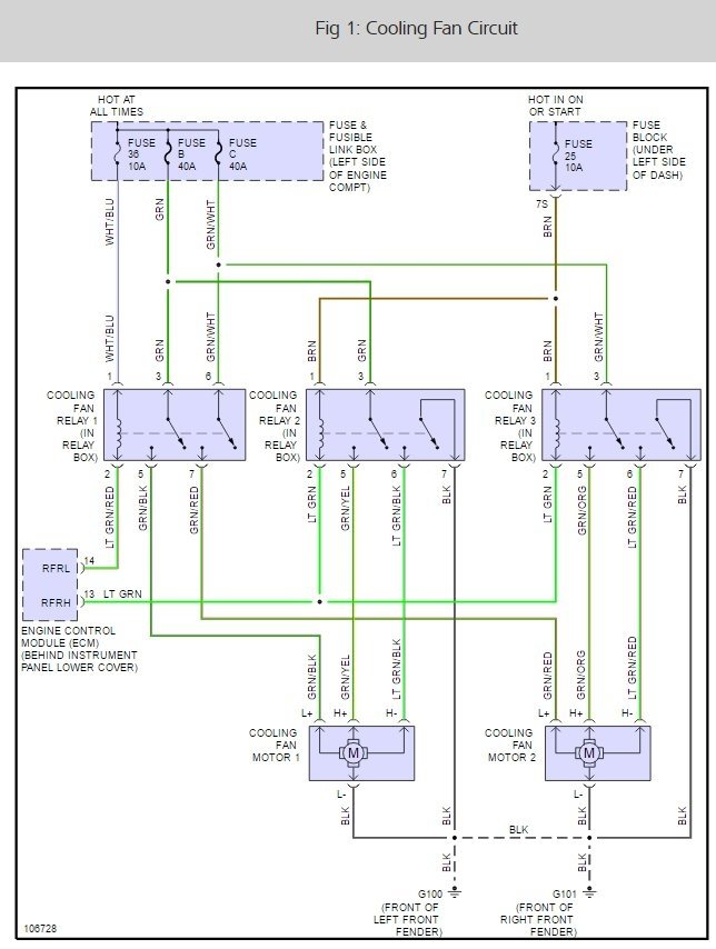
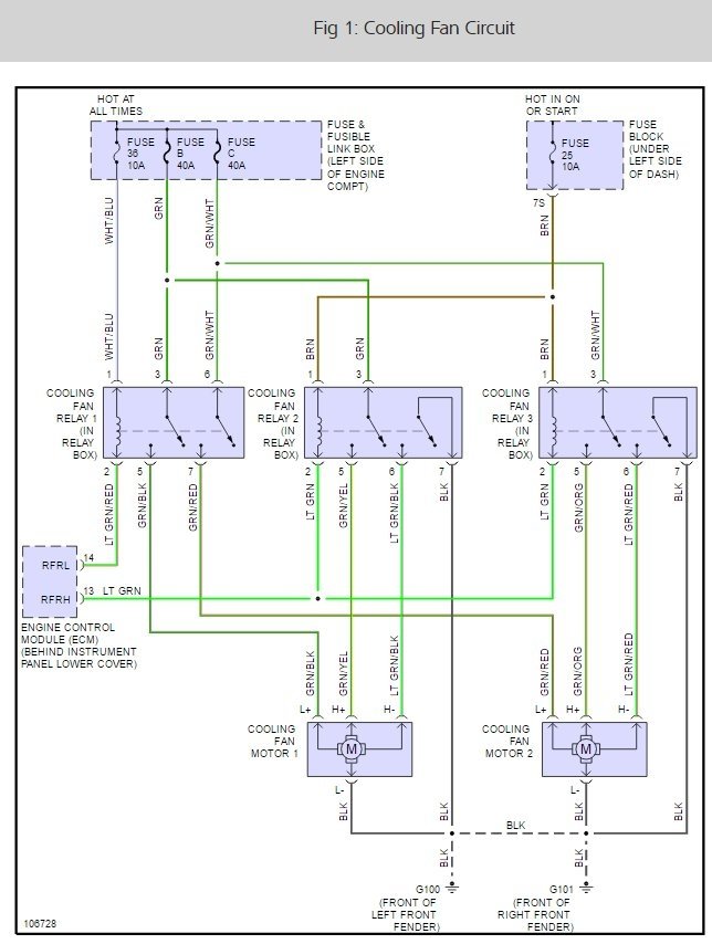
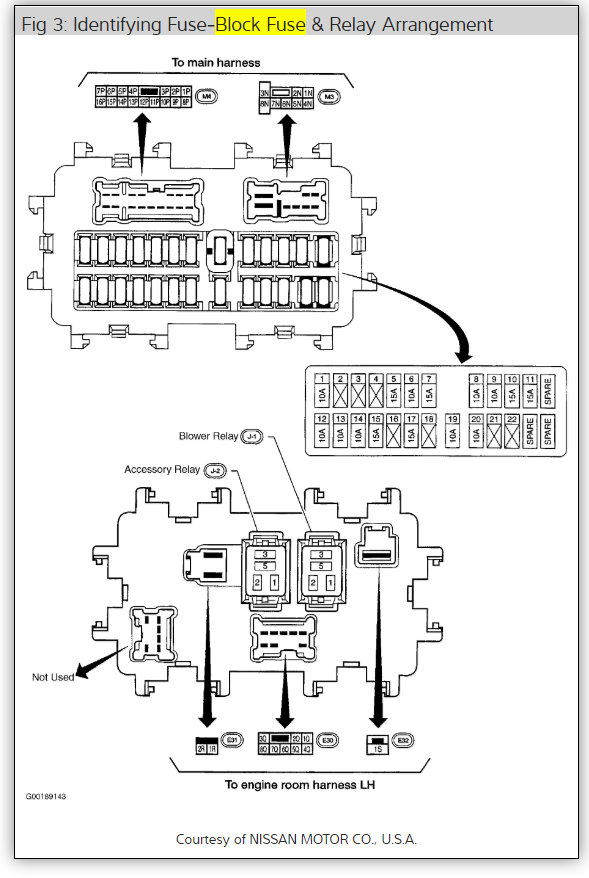
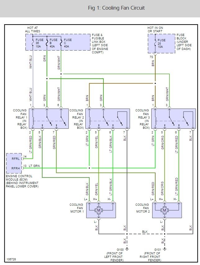
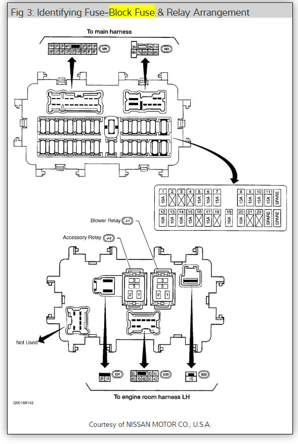
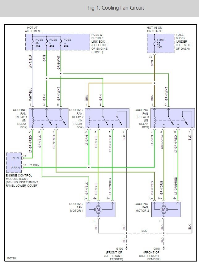
That's controlled by something called an "Intelligent Power distribution Module" which is controlled by the ECM after referencing the coolant temp sensor. There are (2) 40 amp fuses to check also. Here are the wiring diagrams and coolant sensor location and the location to the cooling fan relays.

https://www.2carpros.com/articles/how-to-check-an-electrical-relay-and-wiring-control-circuit

Check out the diagrams (Below). Please run some tests and get back to us.

Cheers
Was this
answer
helpful?
Yes
No
+6
Tuesday, December 21st, 2010 AT 12:18 AM
Tiny
BIKERBILL34
  • MEMBER
  • 2 POSTS
I've checked the fuses, and all 3 fan relays check good. The coolant temp sensor was replaced, so its new. I'm kinda stuck, don't know anything about these Japanese cars. The only fan that comes on with the a/c is the blower. I bypassed the fan relays and can make both fans come on. However the relays check good. I've got good voltage to the coil side of all three relays, however there is no ground. So I swapped out the ECM with a used one my buddy had and everything works again :) ya. Thanks for your help and diagrams with guides you guys are the best.
Was this
answer
helpful?
Yes
No
+1
Tuesday, December 21st, 2010 AT 3:29 PM
Tiny
WRENCHTECH
  • MECHANIC
  • 20,761 POSTS
Glad you could get it fixed, that kind of problem can be tough. Please use 2CarPros anytime we are here to help

Cheers
Was this
answer
helpful?
Yes
No
-1
Thursday, December 23rd, 2010 AT 9:32 PM
Tiny
BETOLIVA
  • MEMBER
  • 4 POSTS
  • 2000 NISSAN ALTIMA
  • 2.4L
  • 4 CYL
  • FWD
  • AUTOMATIC
  • 110,000 MILES
Hi, I am not an expert but know a little, everything started when my A/C was not cooling enough. So I noticed that both fan were barely moving I could stopped them with my finger. So with car on I disconnect the coolant sensor and both fan kicked in at high speed right away like when car is overheating. Check system and was a little low on Freon had small leak at evaporator. So I replaced evaporator, drier, coolant sensor. Vacuum system added a little oil and recharged it (134a) I got cold air but fans did not move low side was at 35 and high side was going higher and higher so I shut off A/C, even though I was getting power to fans I replaced both of them with new ones. Also replaced trinary high pressure switch vacuumed again recharged and same thing. Could the problem be the ECM? Please help me.
Thanks in advance.
Was this
answer
helpful?
Yes
No
Monday, June 28th, 2021 AT 10:52 AM (Merged)
Tiny
KEN L
  • MASTER CERTIFIED MECHANIC
  • 55,090 POSTS
Hello,

It could be the ECM give you problems but it could be one of the relays, lets check the wiring diagram first and do some power and ground testing using a test light.

https://www.2carpros.com/articles/how-to-use-a-test-light-circuit-tester

Here is a wiring diagram to get you started (below)

Please run some tests and get back to us so we can continue helping you.

Cheers, Ken
Was this
answer
helpful?
Yes
No
Monday, June 28th, 2021 AT 10:52 AM (Merged)
Tiny
BETOLIVA
  • MEMBER
  • 4 POSTS
Hi Ken I will be away for about 10 days, I will get back to you then. Thanks for your help.
Was this
answer
helpful?
Yes
No
Monday, June 28th, 2021 AT 10:52 AM (Merged)
Tiny
KEN L
  • MASTER CERTIFIED MECHANIC
  • 55,090 POSTS
Sounds good, please do.
Was this
answer
helpful?
Yes
No
Monday, June 28th, 2021 AT 10:52 AM (Merged)
Tiny
BETOLIVA
  • MEMBER
  • 4 POSTS
Hi Ken, I've try what you told me tested all a/c and fans relay they all have power, have continuity on wiring also check voltage at coolant sensor (getting 4.8v just with ignition key on)which is normal, put everything together turn a/c on and bingo fans came on too, shut it off and let it cool off for about 2 hours and fans did NOT came on I thought it was cause engine was cold so suspected a defective coolant sensor(previously replaced with a new one) decided to check it again the next day, Next day turn a//c on and fans started to work right away in other words I have an intermitting problem now, also I wiggled wiring just in case no difference, please help I Am more confuse now. Sorry for this loooong reply. Thanks again.
Was this
answer
helpful?
Yes
No
Monday, June 28th, 2021 AT 10:52 AM (Merged)
Tiny
BETOLIVA
  • MEMBER
  • 4 POSTS
Sorry I forgot could it be the Thermal controller that is attached to evaporator? I know that it controls temp. On the evaporator but what other function it has. Thanks again.
Was this
answer
helpful?
Yes
No
Monday, June 28th, 2021 AT 10:52 AM (Merged)
Tiny
KEN L
  • MASTER CERTIFIED MECHANIC
  • 55,090 POSTS
I don't think so, it must be one of the relays having a bad connection inside. Feel if any of them are hot?
Was this
answer
helpful?
Yes
No
Monday, June 28th, 2021 AT 10:52 AM (Merged)

Please login or register to post a reply.