Wednesday, September 7th, 2011 AT 3:24 PM
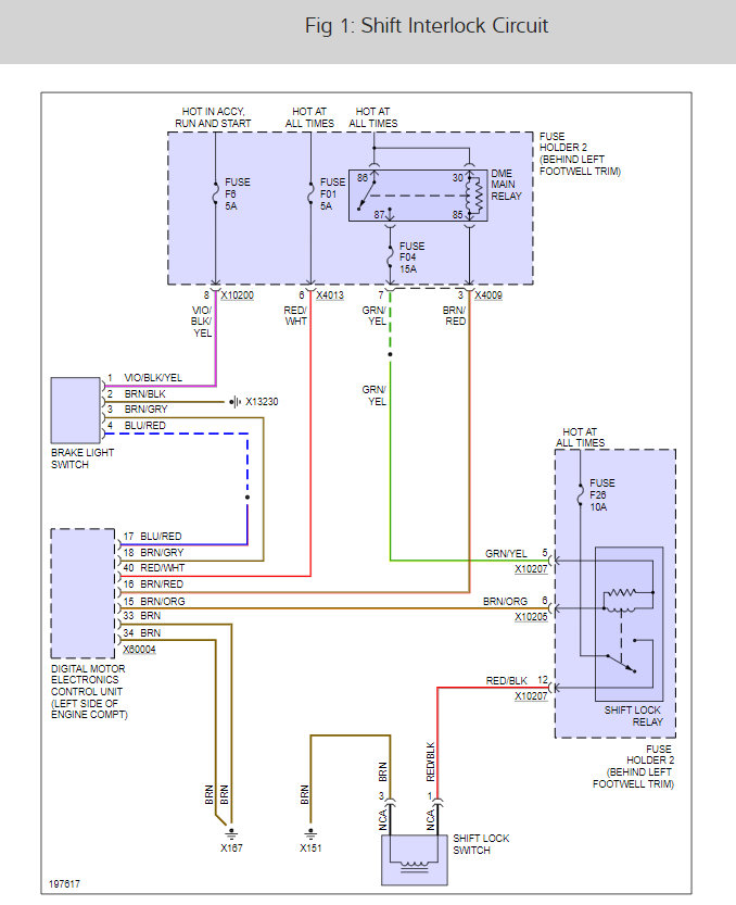
Everything will power up as usual when the key is turned but no power is transferred to the starter. I have messed with the switch with my hand and have gotten it to start every once in a while. I there a certain way to bypass the switch to make sure it is the problem before I drop $125 for a used assembly? Or even is there any way to repair the old switch? Thanks.












