12v constant no power, where is the fuse located for this wire?

Tiny
ALSTON RAASCROCK
  • MEMBER
  • 2003 MAZDA PROTEGE
  • 90,000 MILES
I was installing an aftermarket radio, everything worked good until I touched the 12v constant and either the red or black. Now there is no power coming from the constant. Where is the fuse located for this wire?

Also, I believe the aftermarket market alarm was hooked up to that wire also so now the alarm refuses to lock and unlock. The fuse for door locks good just not working from remote. Please help.
Monday, August 7th, 2023 AT 6:55 PM

1 Reply

Tiny
JACOBANDNICKOLAS
  • MECHANIC
  • 110,194 POSTS
Hi,

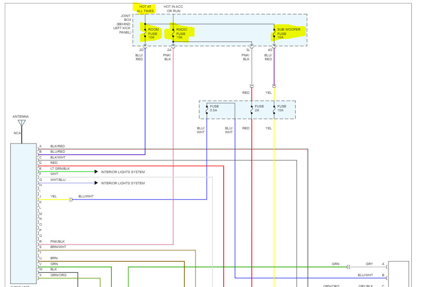
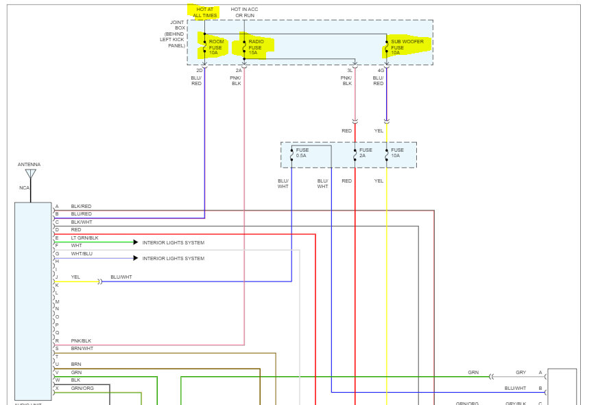
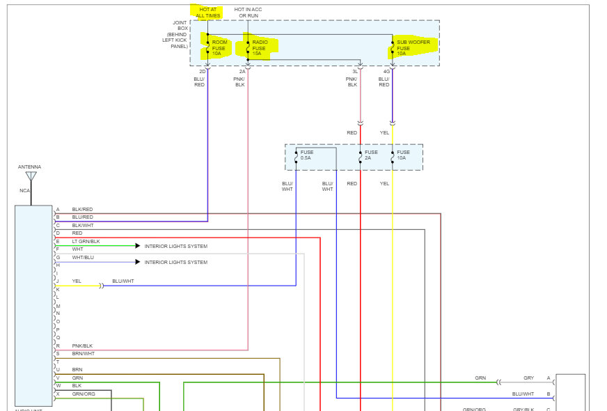
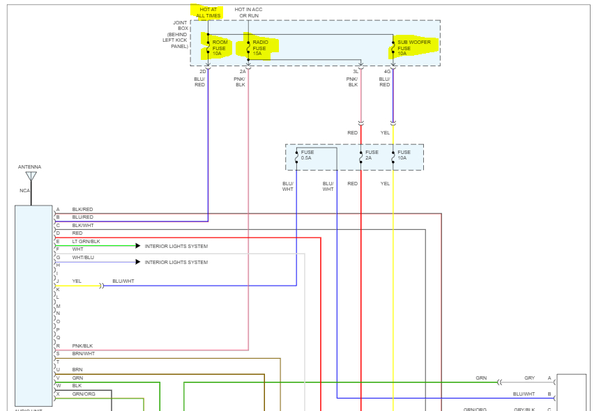
If it was a wire that always has power and was a blue wire with a red tracer, that was to the room fuse. The radio fuse only has power when the key is in the ACC or the on positions.

If you look below, I attached pics from the OEM schematic. Pics 3, 4, and 5 are directions to replace the room fuse. This fuse is in the vehicle, left side and behind the kick panel.

The kick panel is where your left foot would lean against.

When you check the fuse, in addition to just making sure it appears good, confirm there is power to and from it.

Here is a link you may find helpful:

https://www.2carpros.com/articles/how-to-check-a-car-fuse

Let me know what you find.

Take care,

joe

See pics below.
Was this
answer
helpful?
Yes
No
Monday, August 7th, 2023 AT 9:44 PM

Please login or register to post a reply.