Right rear brake light and turn signal do not light except when locking car

Tiny
JOWE498
  • MEMBER
  • 2003 BUICK LESABRE
  • 3.8L
  • 6 CYL
  • AUTOMATIC
  • 60,000 MILES
All exterior lights work except right rear turn signal and brake light. Including when using flashers. Bulbs replaced, no help.
You had similar problem listed for 1998 model. Was wondering if the wiring diagram is the same. Flasher/ Hazards switch is separate from turn signal assembly.
Friday, April 23rd, 2021 AT 7:21 PM

5 Replies

Tiny
JACOBANDNICKOLAS
  • MECHANIC
  • 110,192 POSTS
Hi,

First, make sure you are using a dual element bulb.

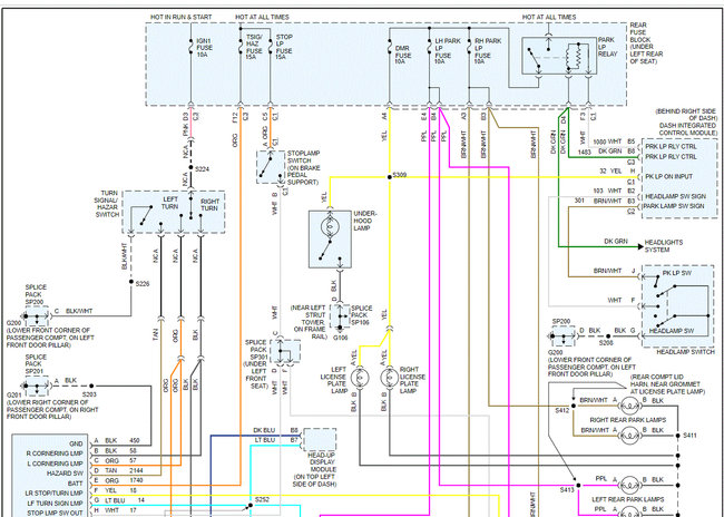
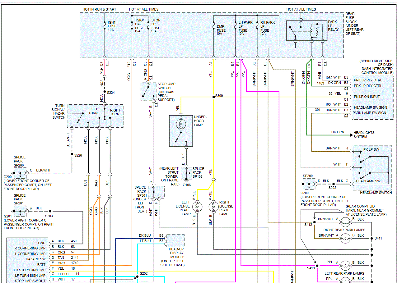
I attached the wiring schematic below specific to your vehicle. I highlighted the right brake light/signal light in the second pic. I had to cut the pic in half to make it readable for you. Also, I added an enlarged pic (pic 3) of the wiring at the light. Purple is to power/fuse box under the rear seat. Yellow to dark green goes to the hazard/flasher/brake light module for the right rear. If there is no power at that point, I suspect the module is bad and will need to be replaced. However, we aren't that far yet.

Is the front light flashing? If it is, then I need you to check for power at the yellow wire at the socket for power when the signal is on or the brakes are applied.

If there is power, check the ground located in the trunk, right side, ahead of the tail lamp. You can simply test the black wire at the light for continuity to ground.

Do this and let me know what you find. Also, I need to know if the front right signal is working.

Here is a link you may find helpful when testing:

https://www.2carpros.com/articles/how-to-check-wiring

Take care,

Joe

See pics below.
Was this
answer
helpful?
Yes
No
Friday, April 23rd, 2021 AT 8:19 PM
Tiny
JOWE498
  • MEMBER
  • 3 POSTS
Front light is working. Using dual element bulb. I'm aircraft mechanic, but helping math nerd nephew long distance try to troubleshoot his own car. Unfortunately weather will delay any meter readings until Sunday at least. Thanks in advance.
Was this
answer
helpful?
Yes
No
+1
Friday, April 23rd, 2021 AT 8:25 PM
Tiny
JACOBANDNICKOLAS
  • MECHANIC
  • 110,192 POSTS
No problem. Let me know what you find or if you have other questions.

Also, since the front is flashing, make sure he checks the yellow wire at the connector. That is what triggers the signal and powers the brake light. If I'm reading the schematic correctly, the purple is only the parking lights.

Take care and have a good weekend.

Joe
Was this
answer
helpful?
Yes
No
Friday, April 23rd, 2021 AT 9:24 PM
Tiny
JOWE498
  • MEMBER
  • 3 POSTS
So, I was drooling about having a good problem to troubleshoot, (back probing the module output to verify the fault etc.) And it ended up as a double relamp. I made my nephew start over. We swapped left and right rear bulbs and magic it worked. So either he blew the first one or it was bad from stock. I can't say since I wasn't there. I'm the text relay man.
Either way I want to thank you for providing me with the correct wiring diagram and responding so quickly. All the free wiring print sources (like BBB industries) I had quit providing information. You guys are awesome. I'm glad I found your site.
Was this
answer
helpful?
Yes
No
Tuesday, April 27th, 2021 AT 1:28 PM
Tiny
JACOBANDNICKOLAS
  • MECHANIC
  • 110,192 POSTS
Hi,

No problem whatsoever. I'm just glad to hear it's fixed. Please feel free to come back any time in the future. You're always welcome here.

Take care,

Joe
Was this
answer
helpful?
Yes
No
Tuesday, April 27th, 2021 AT 6:50 PM

Please login or register to post a reply.