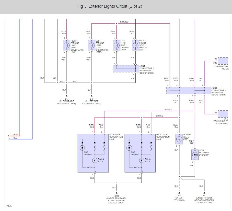
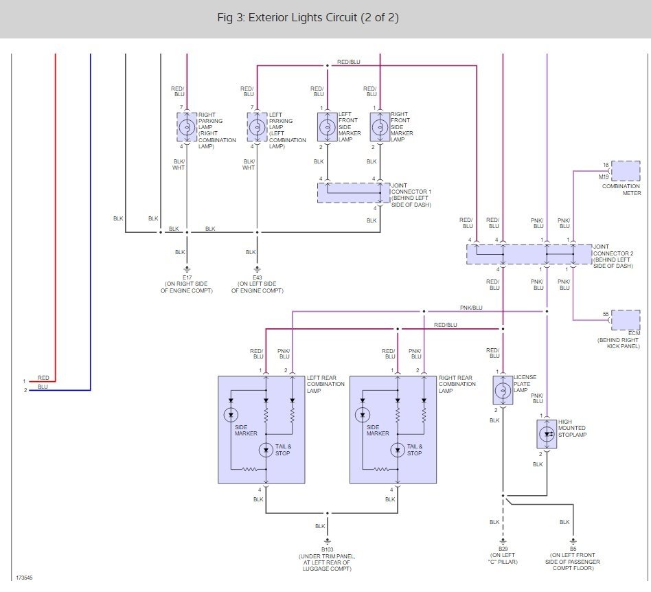
Saturday, April 18th, 2015 AT 1:22 PM
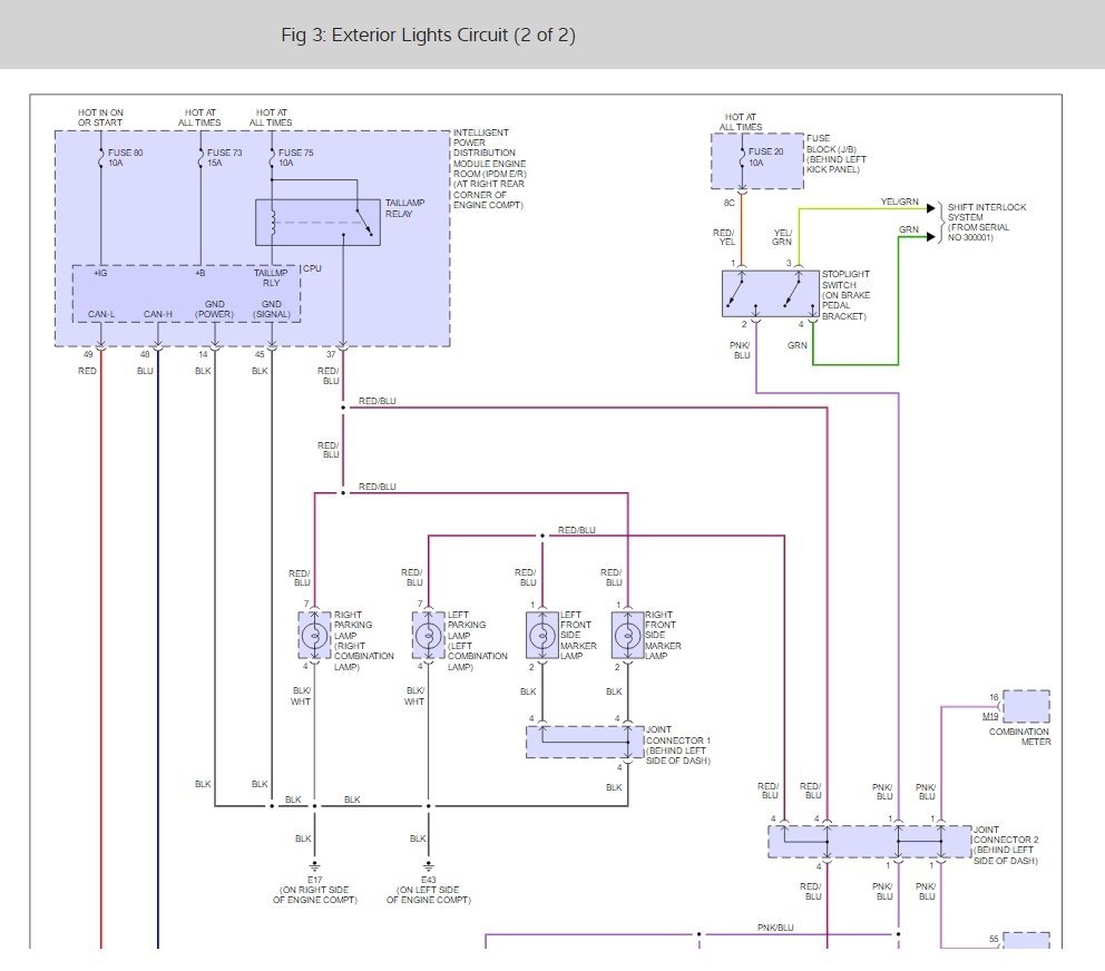
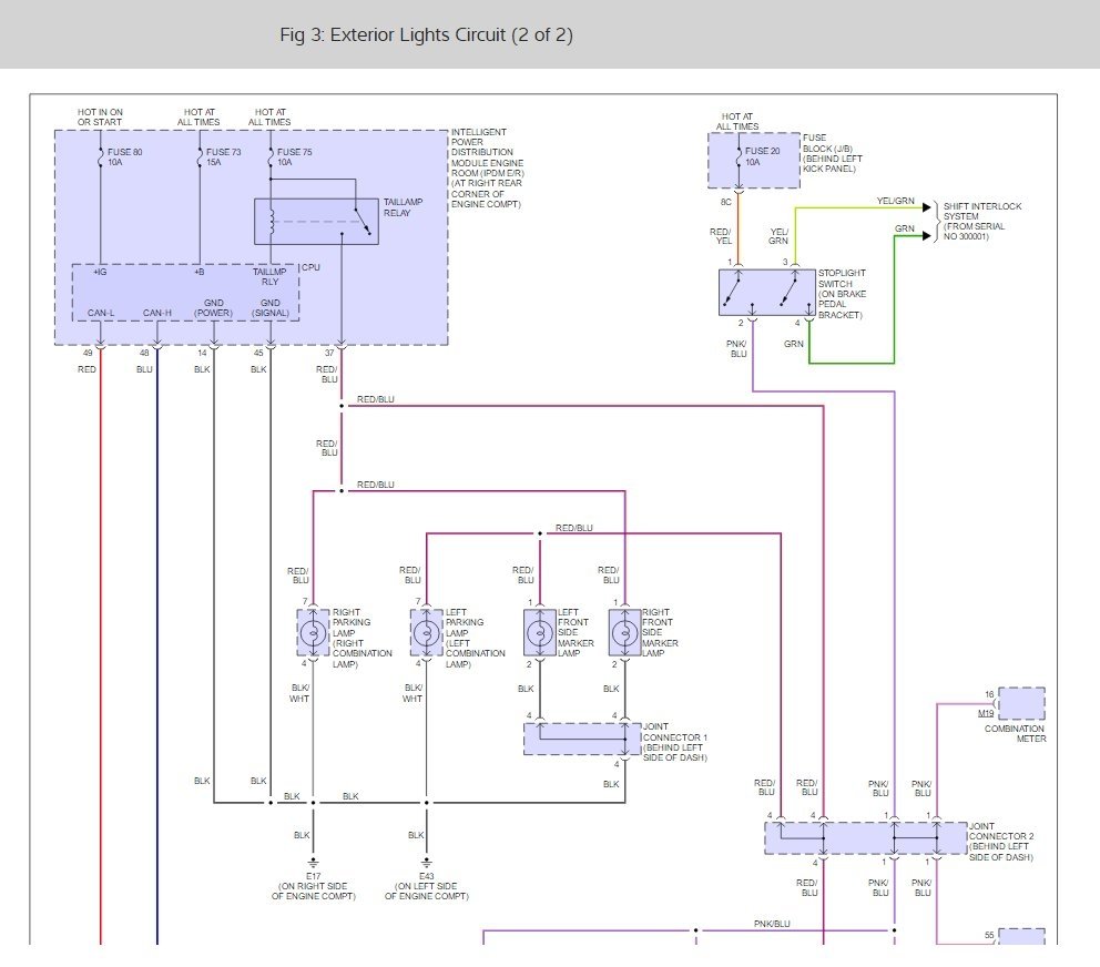
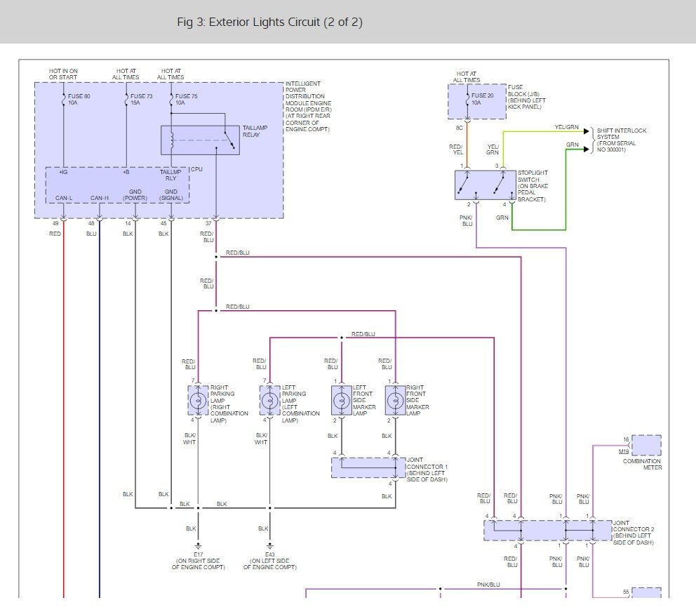
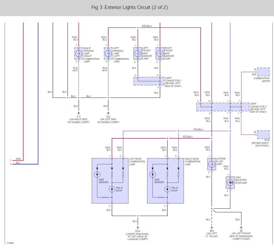
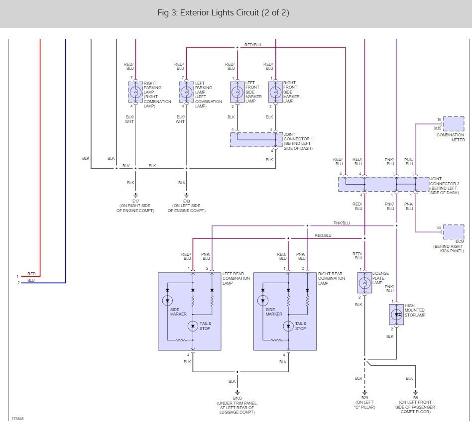
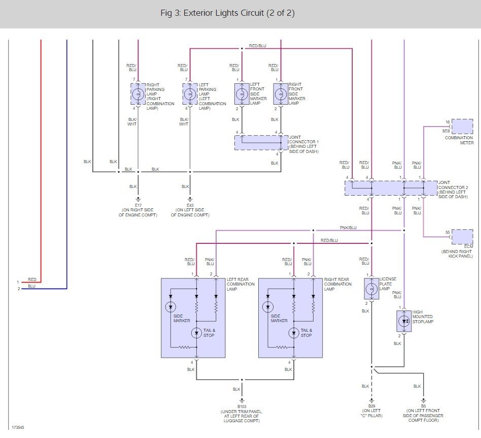
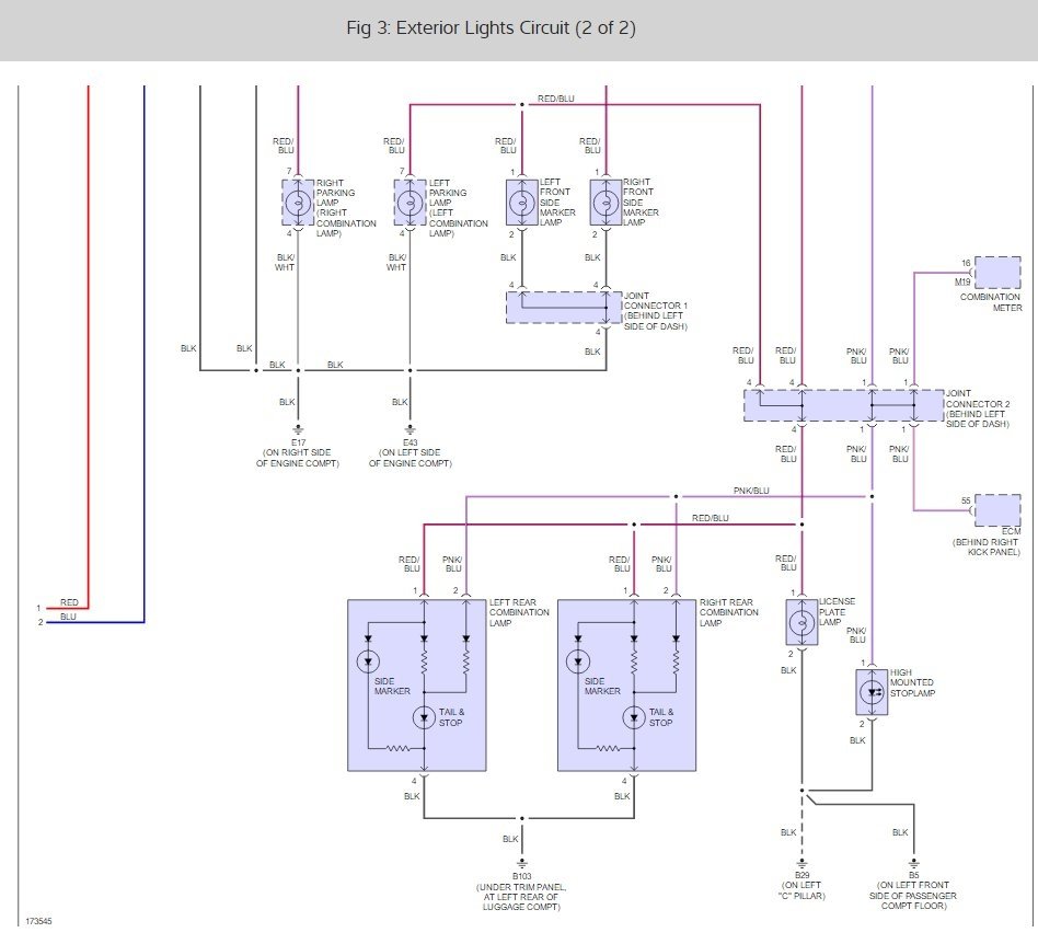
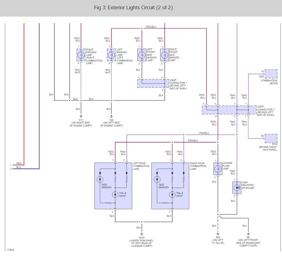
My brake lights are always staying on. I've tried to push the button by hand on the brake light switch and yet they still stay on. I don't know if they should shut off for this, but I even removed the brake light switch entirely and my brake lights are still on. Do I need a new brake light switch?



