Tuesday, July 19th, 2011 AT 12:15 AM
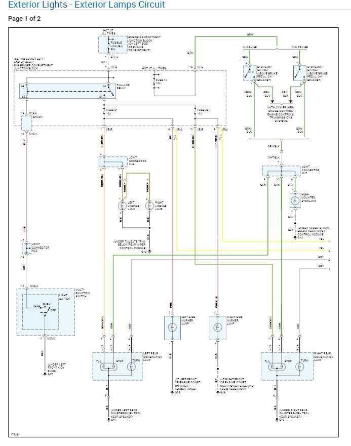
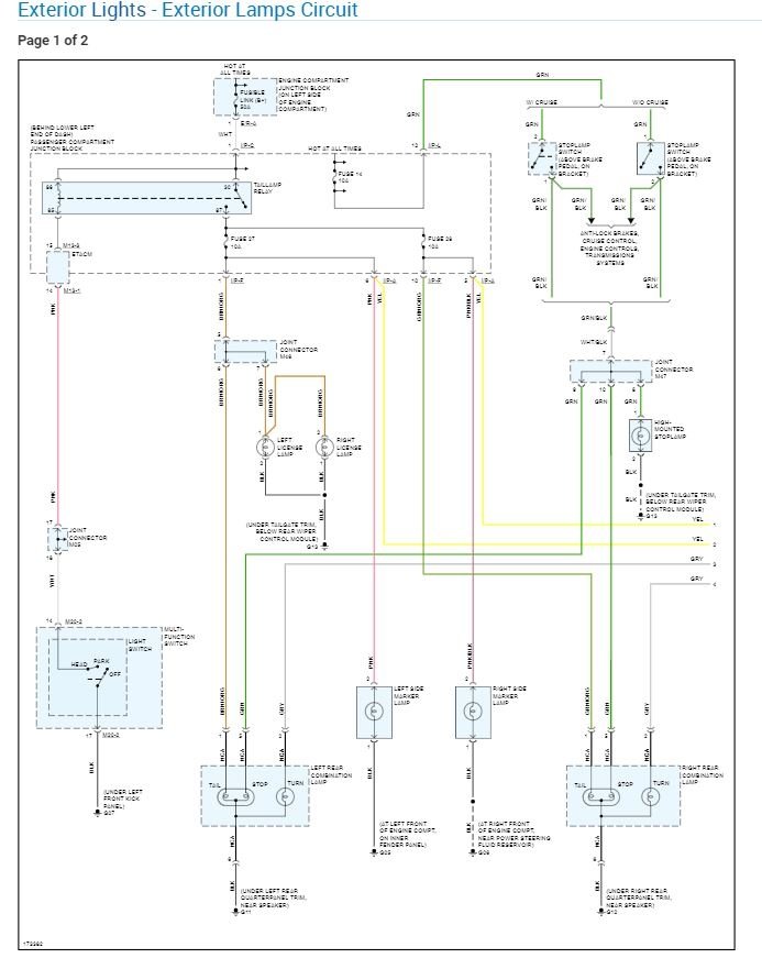
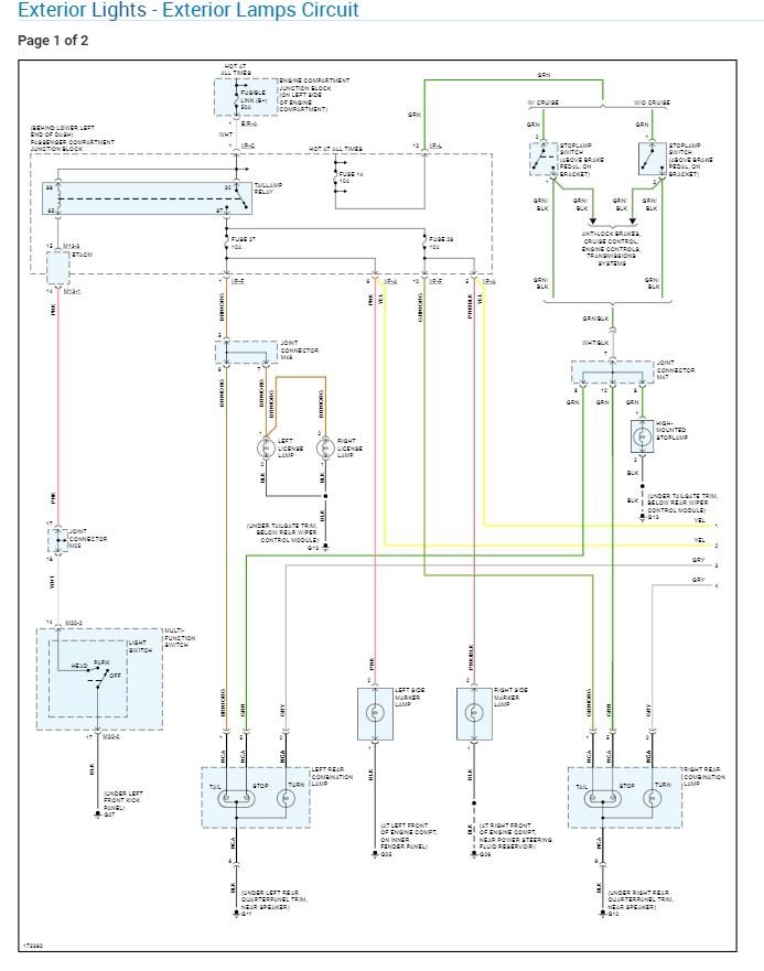
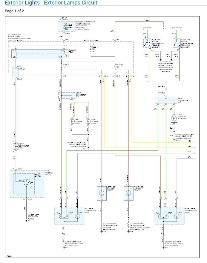
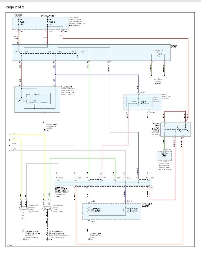
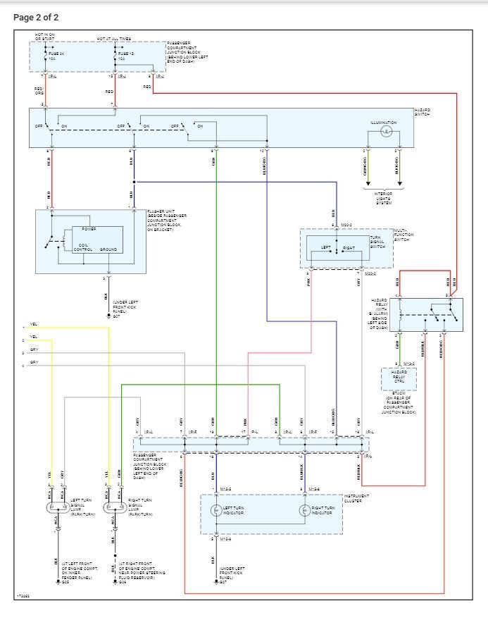
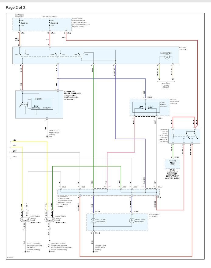
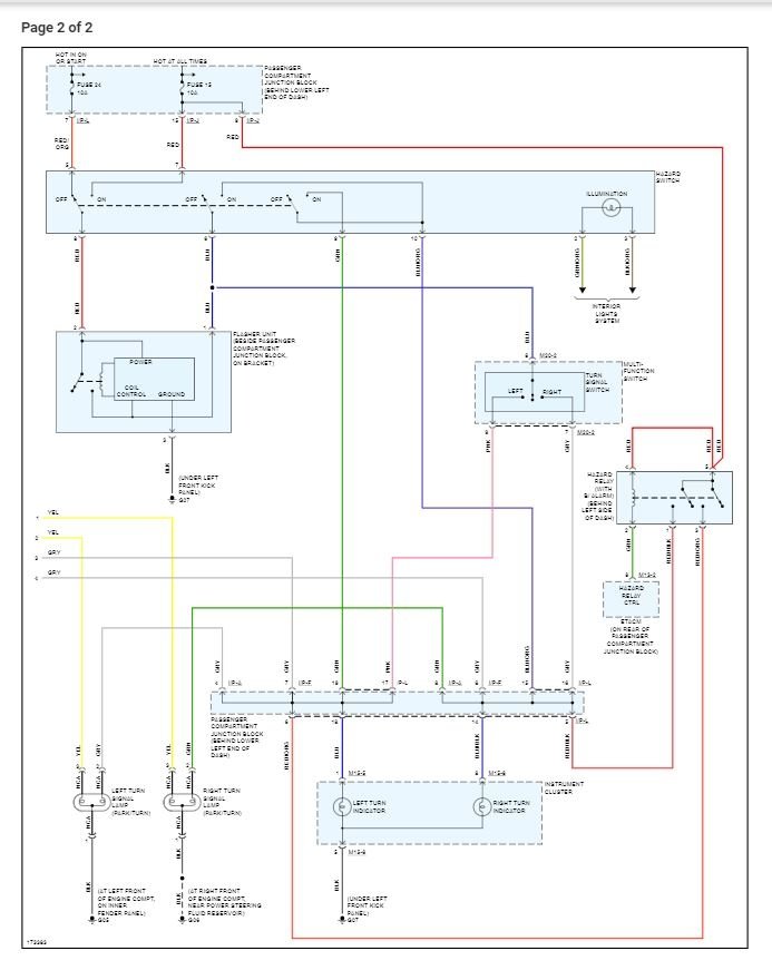
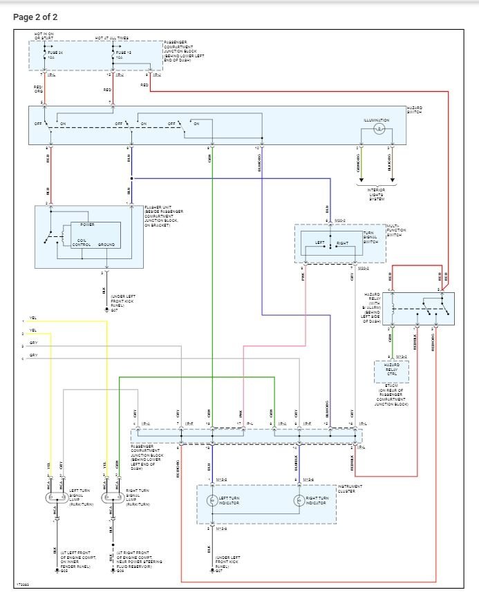
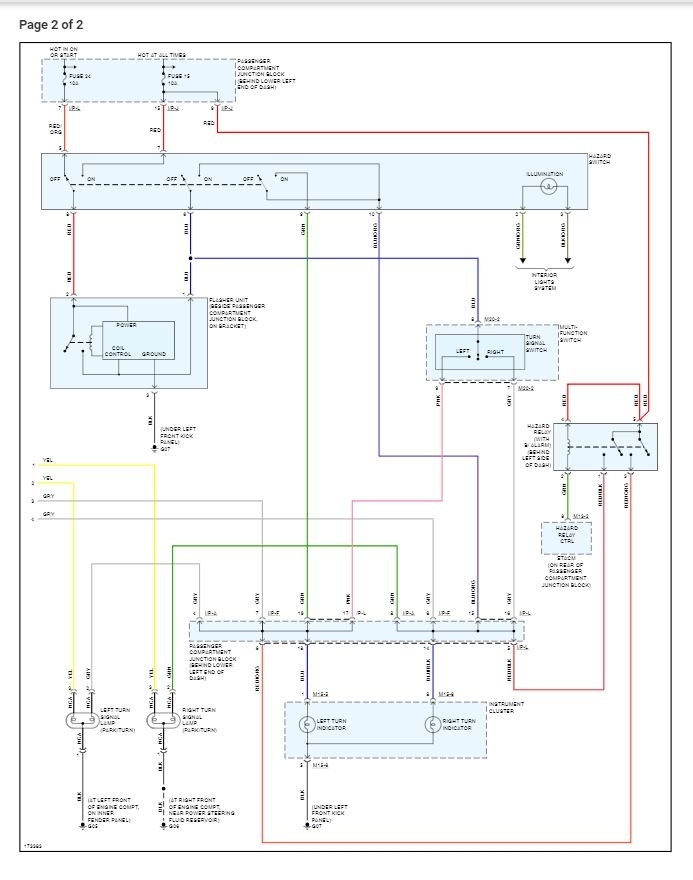
My vehicle listed above hazard lights do not work. Is there a separate flasher for the turn signals and a separate flasher for the hazard lights? If so, where are they located? Thanks, Dan





