Wednesday, October 3rd, 2012 AT 11:46 PM
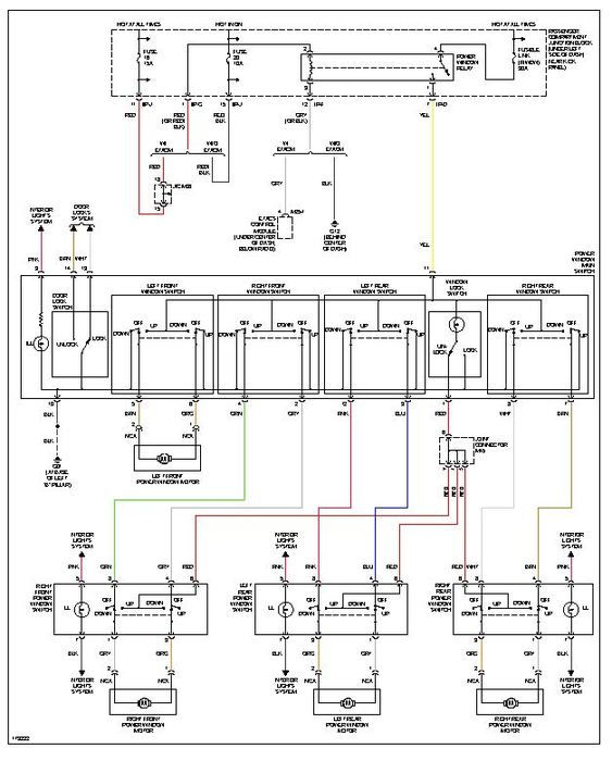
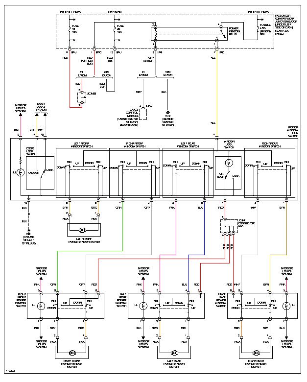
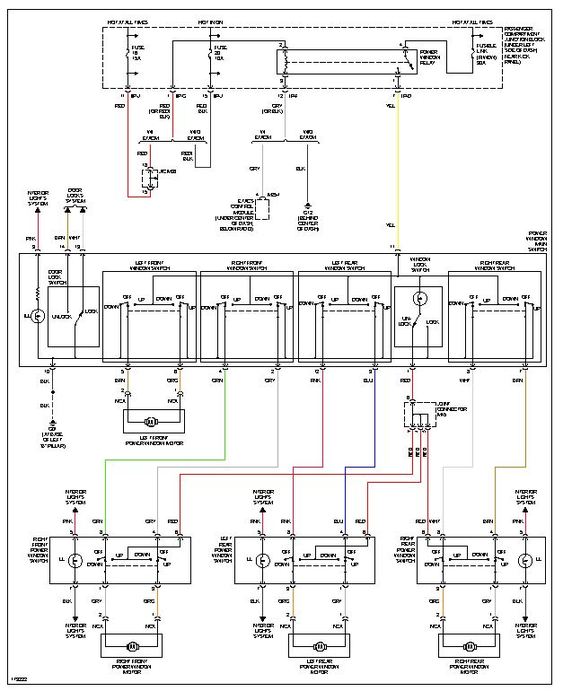
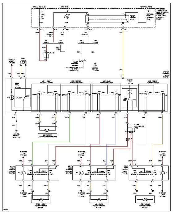
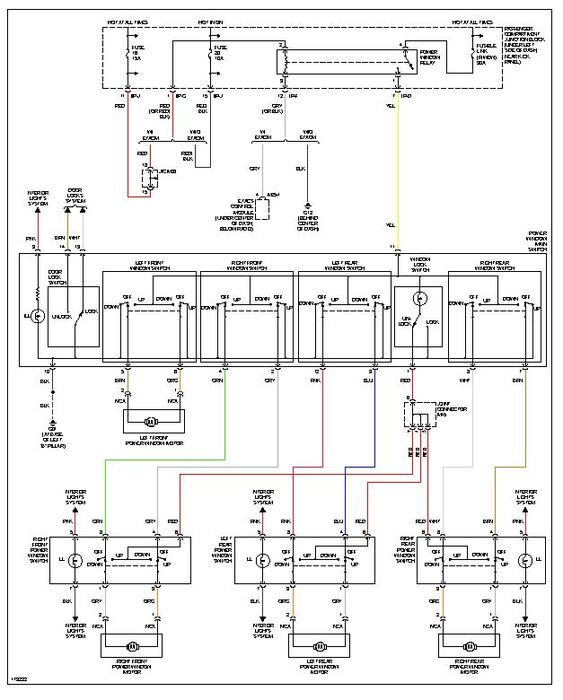
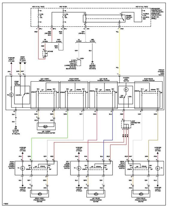
I have a 2003 hyundai elantra the drivers door was bent back an cut the wiring harness that goes into the door I replaced the door and the wiring harness and now none of my windows will roll down I have checked all the fuses and made sure all the connections were good it sounds like I have power in my drivers door but still none of my windows will roll down
