My engine is not turning over?

Tiny
KEY2PWR
  • MEMBER
  • 2003 HUMMER H2
  • 4WD
  • AUTOMATIC
  • 115 MILES
I have a 2003 H2 Hummer. When I insert the key and try to start, nothing no click nothing. Check battery connection to be sure they are clean and tight, I turned the headlights on and try to start the engine. I notice the lights went completely out I also jacked up the car and try to jump the started with a screw driver and all I hear is a high spin but no crank just spins? What you think it might be?
Thursday, August 18th, 2011 AT 6:20 PM

8 Replies

Tiny
HMAC300
  • MECHANIC
  • 48,601 POSTS
It can be your solenoid or the starter relay. it should be in your under hood fuse box it will be clearly marked on the inside cover of the box. you can also try having an assistant try to start the truck then you crawl under and tap the starter with a hammer on the side. Sometimes that jars it to work. it can also be a starter drive not working which the fix is to replace the starter.
Here's a few guides to look over, they will help you understand what is going on and how to fix it

https://www.2carpros.com/articles/starter-not-working-repair

https://www.2carpros.com/articles/everything-goes-dead-when-engine-is-cranked
Was this
answer
helpful?
Yes
No
Thursday, August 18th, 2011 AT 7:58 PM
Tiny
KEY2PWR
  • MEMBER
  • 5 POSTS
How can you tell if the Relay is bad? I have a remote start I can hear the relay click when I try the remote start, I try hitting the starter and nothing, will a bad starter cause the lights to completely out when you try to start the car?
Was this
answer
helpful?
Yes
No
Thursday, August 18th, 2011 AT 8:04 PM
Tiny
HMAC300
  • MECHANIC
  • 48,601 POSTS
Yes a bad starter can cause the lights to go out, but check your battery first, charge it up and have it tested. Most auto parts stores do this for free. The relay is small it's in the underhood elelctrical center. But if the solenoid is bad, that's onthe starter.
Was this
answer
helpful?
Yes
No
Thursday, August 18th, 2011 AT 8:07 PM
Tiny
KEY2PWR
  • MEMBER
  • 5 POSTS
I got a new battery last Monday 8/8/11 and sunday night I got home and this Monday I was going to go out and this happen also Yesterday I had a friend try to give me a jump we hooked the cables up and let it sit for about 15 minis and try to start same thing nothing.
Was this
answer
helpful?
Yes
No
Thursday, August 18th, 2011 AT 8:13 PM
Tiny
HMAC300
  • MECHANIC
  • 48,601 POSTS
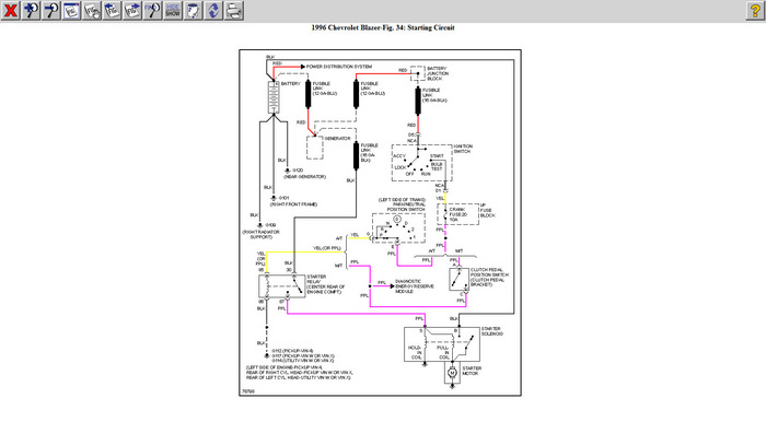
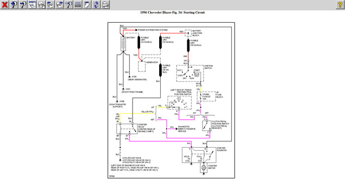
Ok you din't say that in your first email but no big deal you can take teh starter off an dtake it to an auto parts store they can check that as well, if it'snot the starter then it's either the ignition switch or something wrong with power going thru the nuetral safety switch. If you have a test light when you try to have an assistant start the truck put the test light on the "s" terminal or where the purple wire connects. If you get a bright light there then it's probably a starter problem. Here is a diagram for a blazer start but it shold be fairly close to what yours is.
Was this
answer
helpful?
Yes
No
-2
Thursday, August 18th, 2011 AT 10:47 PM
Tiny
KEY2PWR
  • MEMBER
  • 5 POSTS
Hmac300 thanks the diagram its a little to small to see, I just moved to this new place and I don;t know anyone around here so I'm stock and nothing is walking distance I been trying to get that truck to start, I thought it might be the ignition switch someone told me if you turn the lights on and and try to start the truck if the lights dim or go out its not the ignition switch, some told me today if you try to jump the starter and if it don't crank just spins its the starter, man I don't know what to think. I got to try to get the truck running and I can take it to the mechanic. The truck was running well I went to the store got stuck in traffic the check engine light came on I told my self I'll go to the mechanic Monday and let him check what it might be, made a few stops after that then I got home parked the truck next day I got in the truck turned the key no click noting and its been like that all week, I been reading what people been saying and going out to test what they say to do and no luck, lest thing I did was jacked up the truck and try to jump the starter with a screw driver and it did not crank the stater just spins, I don't know what to think.
Was this
answer
helpful?
Yes
No
Thursday, August 18th, 2011 AT 11:25 PM
Tiny
VANJAE22
  • MEMBER
  • 1 POST
  • 2003 HUMMER H2
  • 6 CYL
  • 4WD
  • AUTOMATIC
  • 106,000 MILES
My H2 wont turn over, thought it was the battery but it tested good
Was this
answer
helpful?
Yes
No
-1
Wednesday, October 3rd, 2018 AT 5:55 PM (Merged)
Tiny
FACTORYJACK
  • MECHANIC
  • 4,159 POSTS
It is possibly the starter. The next step in determining this would be to check the start signal at the starter with a test light. You can access the starter through the RH front wheel well, the signal wire is the small wire/stud. You can sometimes get it to free by tapping on the case firmly, with a hammer, or something that will reach it. You have to be cautious not to short the large stud/cable, it is battery positive, and unfused at that point.
Was this
answer
helpful?
Yes
No
Wednesday, October 3rd, 2018 AT 5:55 PM (Merged)

Please login or register to post a reply.