Shift solenoids

Tiny
KHLOW2008
  • MECHANIC
  • 41,814 POSTS
Hi loomietune,

Yes, it seems the shift solenoids are not functioning correctly. Get a scan done to check for trouble codes. Some transmission trouble codes do not trigger the Check Engine Lamp.
Was this
answer
helpful?
Yes
No
Thursday, January 21st, 2021 AT 1:45 PM (Merged)
Tiny
PHIVESONS6
  • MEMBER
  • 1 POST
  • 1999 HONDA ACCORD
  • 4 CYL
  • FWD
  • AUTOMATIC
  • 150,000 MILES
Coding - Trans. Shift solenoid faulty
Please advise. Does this mean we need a rebuilt transmission or can a single solenoid be replaced? What kind of repair charge should be expected? RPM's were high but power was down (acceleration only about 40 mph). Shifting has always been questionable since it seems to take a minute or so for car to fully downshift when you come to a stop. Other than that downshifting issue, between shifts has always been relatively smooth. FYI car was purchased Nov.'08 with 136000 miles. Maint. Records good & timing belt changed.

I anxiously await your reply.
C
Was this
answer
helpful?
Yes
No
Thursday, January 21st, 2021 AT 1:45 PM (Merged)
Tiny
RASMATAZ
  • MECHANIC
  • 75,992 POSTS
There's a few shift solenoids within the valve body hard to say which one is causing the problem.


https://www.2carpros.com/forum/automotive_pictures/12900_shift_solenoids_1.jpg

Was this
answer
helpful?
Yes
No
+5
Thursday, January 21st, 2021 AT 1:45 PM (Merged)
Tiny
CASTROJG
  • MEMBER
  • 2 POSTS
  • 1999 HONDA ACCORD
Transmission problem
1999 Honda Accord 4 cyl 177, 00 miles

When taking off, while still cool, it does not do too much of this, once it's warmed up, it start slipping (gears). I handle it as if it were manual, listen to the engine, let go of accelerator, it goes into gear, then I accelerate again. The real, real problem is when I come to a stop. It takes about 2 - 3 seconds, then it jerks, and then goes into low gear. When I put it in reverse, it makes like a crunching noise, it thumps, then jerks, the gets in gear. It's smell, after being in high gear (highway, runs fine on highway), like of burnt oil. I've been bad and have not had the transmission oil work/change done, since I got it 1 yr ago.
Was this
answer
helpful?
Yes
No
Thursday, January 21st, 2021 AT 1:45 PM (Merged)
Tiny
KHLOW2008
  • MECHANIC
  • 41,814 POSTS
Hi castrojg,

Since it is running fine when it is cold, replace the fluid and see if it improves the situation. Bad fluid can cause the symptoms described.

Did the D4 lamp blinks while driving?
Was this
answer
helpful?
Yes
No
+1
Thursday, January 21st, 2021 AT 1:45 PM (Merged)
Tiny
CASTROJG
  • MEMBER
  • 2 POSTS
Yes! It blinks, even after I change the gear to reverse, park, or any other gear. When I am arriving at approximately 20 mph, to stop, the car downshifts, as if downshifting in a manual trans car, to first gear (from 3rd). Once it has downshifte on it's own, then resume after a stop, the car seems to drag, as if in a very low gear or as if hauling a very heavy load. The car must be turned off so the blinking D4 light will turn off, then again, the downshift, blinking, and heavy drage. Please help. P.S. - Fluids have already been replaced, as well as a tune-up
Was this
answer
helpful?
Yes
No
Thursday, January 21st, 2021 AT 1:45 PM (Merged)
Tiny
KHLOW2008
  • MECHANIC
  • 41,814 POSTS
When the D4 light is blinking, an error in the trans control/managment has been detected and you need to retrieve the Diagnostic Trouble Code ( DTC ) to understand which component is malfunctioning and the rectification to be carried out.

Most parts outlets would perform the scan free for you. Let me know the exact DTC.
Was this
answer
helpful?
Yes
No
+1
Thursday, January 21st, 2021 AT 1:45 PM (Merged)
Tiny
PHILLY4830
  • MEMBER
  • 1 POST
  • 1999 HONDA ACCORD
  • 1.8L
  • 4 CYL
  • 2WD
  • AUTOMATIC
  • 190,000 MILES
Okay, my car will not shift in gears. The only way it will shift is revving it up passed 1,500 rpm's then it will shift. I have not replaced the shift solenoids yet, but I think this is the problem. My question is, I think I have a shift solenoid on top of the engine and one towards the bottom, I think they call this A and B solenoids. I already have talked to another mechanic and he replaced both of his solenoids with brand new ones and had a flush done he said that fixed the problem. Before I invest in buying solenoids, do you think this is going to solve my problem or do I need to look at something else? I already bought a new transmission and it still does the same. I can drive my car in low gear and it will go, I can drive my car in regular gear as long as I get up to fifty mph then it will shift in drive, but it is not shifting gears at low speeds. I have the EX model. Here is my VIN number: 1HGCG3277XAO16979.
Was this
answer
helpful?
Yes
No
Thursday, January 21st, 2021 AT 1:45 PM (Merged)
Tiny
ASEMASTER6371
  • MECHANIC
  • 52,796 POSTS
Good afternoon.

The first thing I would do is verify you have power to the shift solenoids. They will not work without power and that power comes from the PCM. Use a volt meter and check the powers. There are other solenoids in the valve body as well. These work or are commanded to work based on the vehicle speed sensor input and the speed sensor on the transmission as well. When the PCM sees those signals, it will command the shift solenoids on and off.

If you know someone with an advanced scan tool, you can access the transmission and drive the car and command the solenoids on and off to see if the transmission shifts.

Do you have any codes stored?

Roy

https://www.2carpros.com/articles/automatic-transmission-problems

Was this
answer
helpful?
Yes
No
Thursday, January 21st, 2021 AT 1:45 PM (Merged)
Tiny
TERRYLE00
  • MEMBER
  • 4 POSTS
  • 1998 HONDA ACCORD
  • 6 CYL
  • FWD
  • AUTOMATIC
  • 149,000 MILES
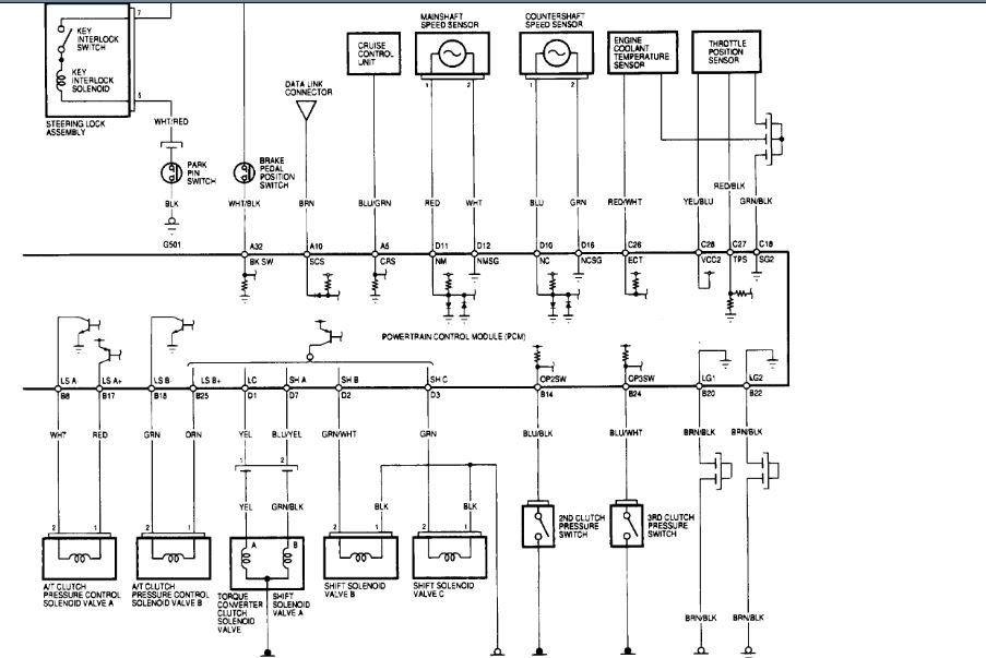
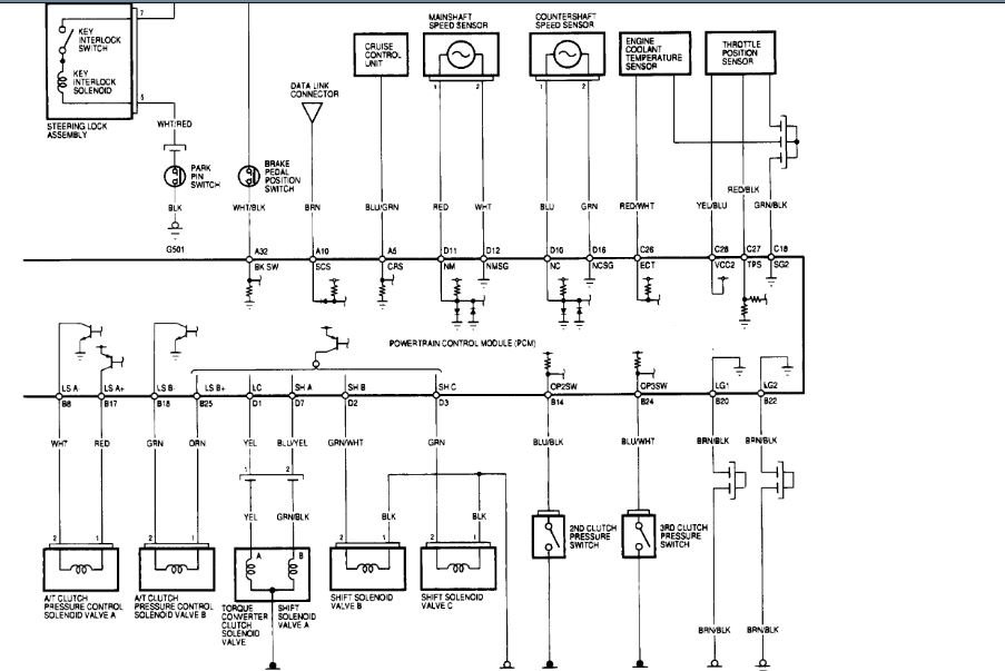
I have a 98 honda accord v6 and i am having trouble locating the shift solenoid can anyone please help it is solenoid # 7 on the illustration.


http://www.2carpros.com/forum/automotive_pictures/455821_solenoids_2.jpg

Was this
answer
helpful?
Yes
No
Thursday, January 21st, 2021 AT 1:45 PM (Merged)
Tiny
HONDA TECH 1818
  • MECHANIC
  • 536 POSTS
It's above the starter to the right, it's hard to look because it's behind the wire harness. Here is a better diagrams for the location below. Check out the diagrams (Below). Please let us know if you need anything else to get the problem fixed.
Was this
answer
helpful?
Yes
No
Thursday, January 21st, 2021 AT 1:45 PM (Merged)
Tiny
MIKEDEROUIN88
  • MEMBER
  • 137 POSTS
  • 1996 HONDA ACCORD
  • 198,000 MILES
Hello again!

I am working on a 1996 Honda accord 2.2 The car wont shift at all if you take off in (D4). However if you manually shift from (1) to (2) it shifts great but no (D3) or (D4). My theory is that the (3-4) solenoid has failed since (D4) controls the auto shift as well. I would like to swap these solenoids off another transmission to test this, before I tell my customer he needs a transmission.

What I need from you is a diagram of which solenoids are for what on this transmission. Any other pointers would be great as well. And to help you out there are no codes, the fluid is bright red and un-burnt and it is a non serviceable transmission.
Was this
answer
helpful?
Yes
No
Thursday, January 21st, 2021 AT 1:46 PM (Merged)
Tiny
ASEMASTER6371
  • MECHANIC
  • 52,796 POSTS
The upper solenoid is the lock up solenoid.

The lowers are a/b shift solenoids. They are replaced as an assembly.

Roy
Was this
answer
helpful?
Yes
No
Thursday, January 21st, 2021 AT 1:46 PM (Merged)
Tiny
KHLOW2008
  • MECHANIC
  • 41,814 POSTS
Honda is different from others. The solenoids A and B are for all shifting modes. The valve body is the one doing the up and down shifting, of course with the aid of the TCM and solenoids.

Do you have any trouble codes?
Is the TPS functioning correctly?
After manually shifting from 2 to D3 or D4, what happens?
Was this
answer
helpful?
Yes
No
Thursday, January 21st, 2021 AT 1:46 PM (Merged)
Tiny
MIKEDEROUIN88
  • MEMBER
  • 137 POSTS
No trouble codes and no response at all in D3 or D4. Is A for 1-2, and B for 3-4? Even though they are replaced as an assembly? Is the valve body accessabl through the pan?
Was this
answer
helpful?
Yes
No
Thursday, January 21st, 2021 AT 1:46 PM (Merged)
Tiny
KHLOW2008
  • MECHANIC
  • 41,814 POSTS
No trouble codes and no response at all in D3 or D4. Does that mean the engine is revving up?

Is A for 1-2, and B for 3-4? I mentioned earlier, they are used by all gears and is only on/off solenoids for pressure.

Is the valve body accessible through the pan? No, because there isn't any pan.

Looks like you have an internal fault with the valve body. Is reverse working correctly? Any slippage?
Was this
answer
helpful?
Yes
No
Thursday, January 21st, 2021 AT 1:46 PM (Merged)
Tiny
MIKEDEROUIN88
  • MEMBER
  • 137 POSTS
Reverse works good 1 and 2 sewn to be perfectly normal, just no response out of d3 and d4. Is their a separate tcm from the ecm.
Was this
answer
helpful?
Yes
No
Thursday, January 21st, 2021 AT 1:46 PM (Merged)
Tiny
LITTLEBIT06221983
  • MEMBER
  • 12 POSTS
  • 1993 HONDA ACCORD
These are the codes that I got from the D4 light
Code 14 = Short or open circuit in FAS wire or faulty ECM.
Code 1 = Fault in lock-up control valve A.
Code 2 = Fault in lock-up control valve B.
Code 3 = Fault in Throttle Position Sensor.
Code 7 = Fault in shift control solenoid valve A.
Code 8 = Fault in shift control solenoid valve B.

What do I need to do to fix the problem. I am not car technical but my husband is. Please help.
Was this
answer
helpful?
Yes
No
Thursday, January 21st, 2021 AT 1:46 PM (Merged)
Tiny
ASEMASTER6371
  • MECHANIC
  • 52,796 POSTS
Lots of codes for the trans. The odds of all those items failing is really remote.

You may have a wiring issue. I suggest a shop as a code never identifies a bad part just a failed system.
Roy
Was this
answer
helpful?
Yes
No
Thursday, January 21st, 2021 AT 1:46 PM (Merged)
Tiny
KHLOW2008
  • MECHANIC
  • 41,814 POSTS
Erase the trouble codes and retest then recheck the trouble codes again. Ensure interior of vehicle is dry. Water getting to the TCM can trigger such codes.
Was this
answer
helpful?
Yes
No
Thursday, January 21st, 2021 AT 1:46 PM (Merged)

Please login or register to post a reply.