Sunday, September 4th, 2011 AT 3:55 AM
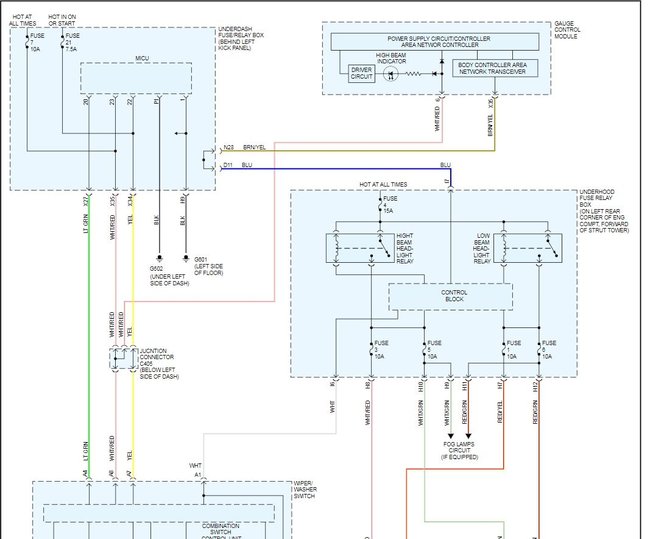
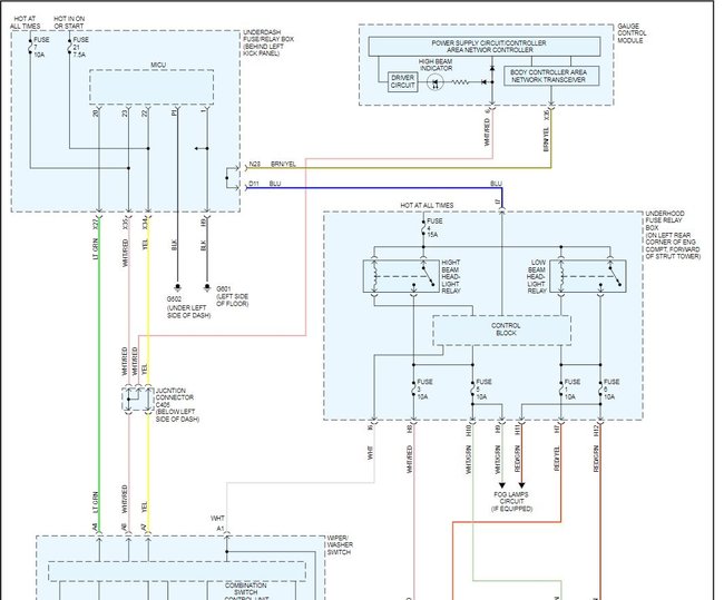
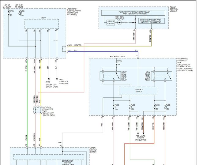
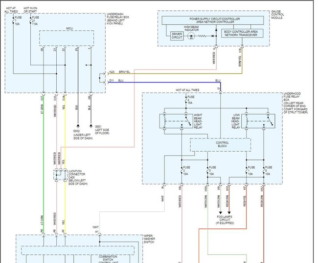
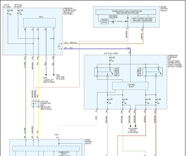
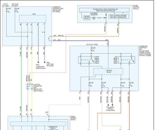
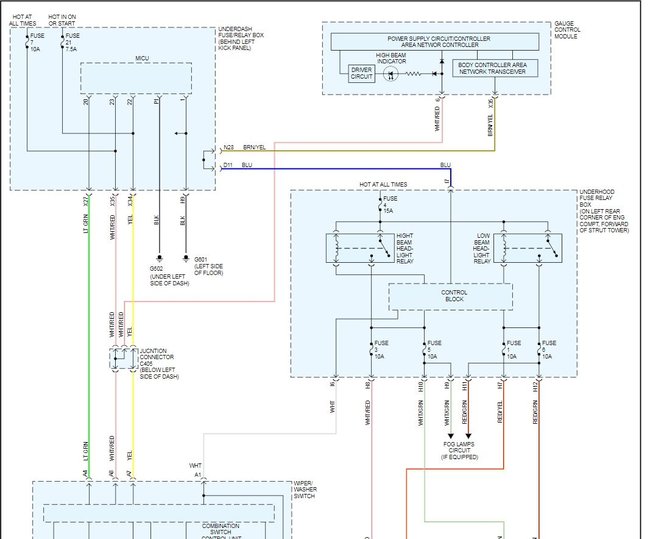
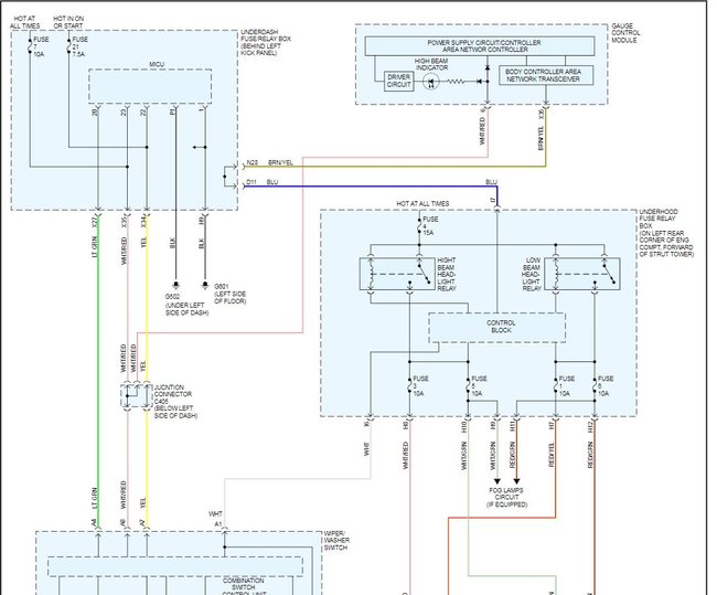
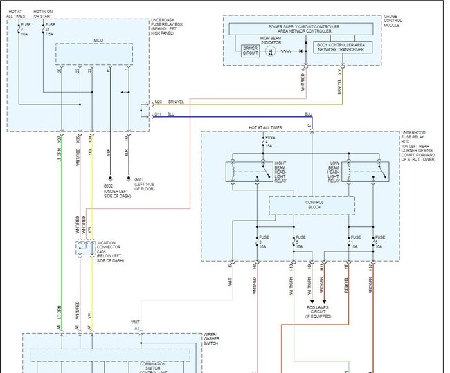
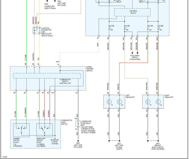
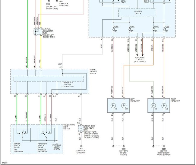
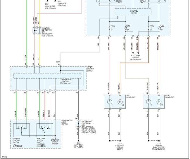
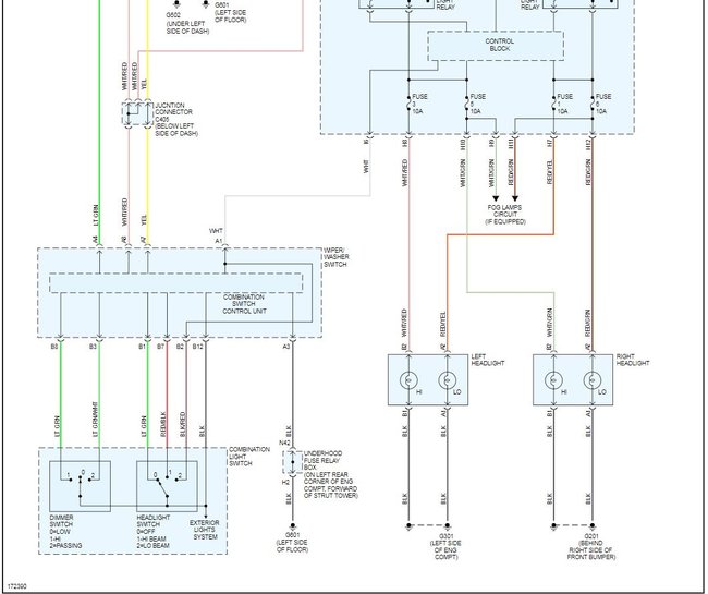
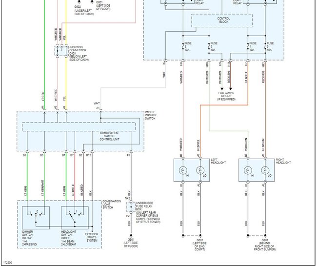
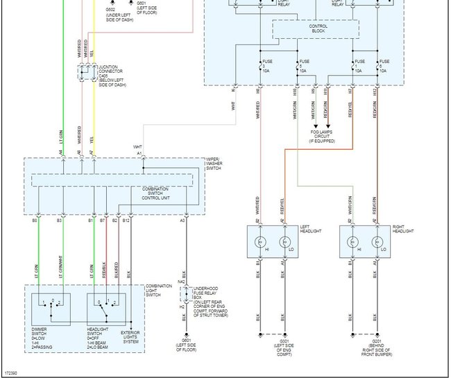
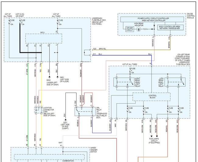
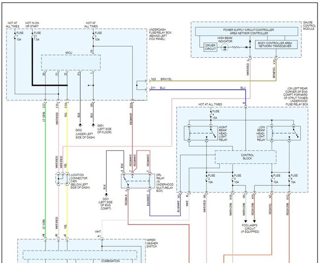
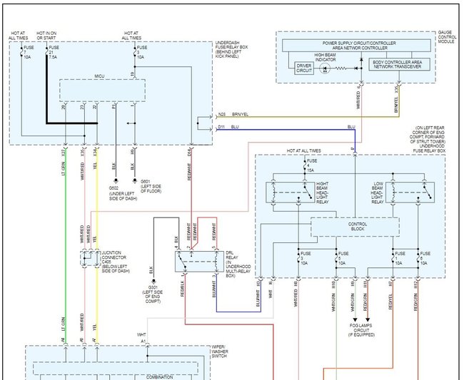
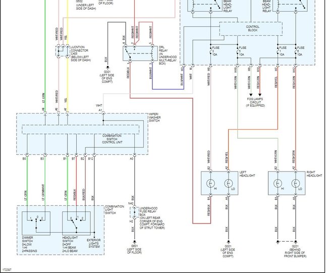
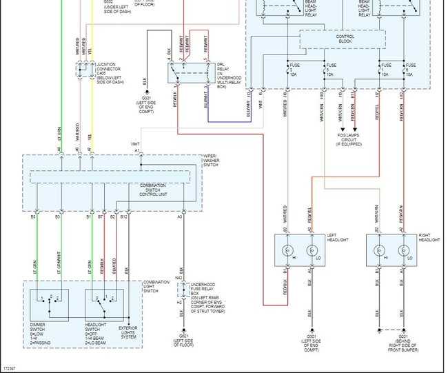
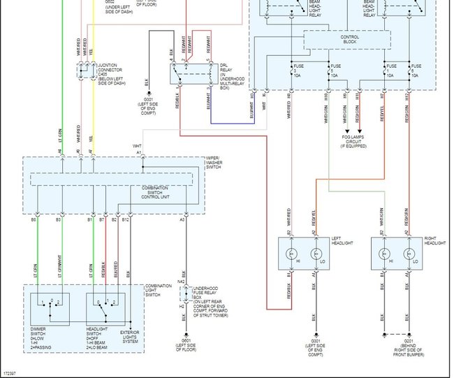
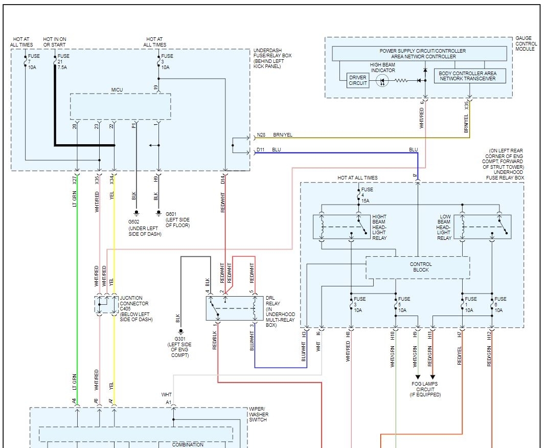
I can get both low beams to work, but only the right side high beam (right side when you are sitting at the steering wheel)won't work. I have checked all fuses, checked wiring, and checked bulbs. What could be the problem why will only one side will work? I have also noticed since the new headlights were installed, when I turn my lights on I can then push the bar back and turn the brights on as well, but I cannot get the brights to turn on without turning on the main lights first. What could I do to fix this problem as well. Thanks for any info.




