Tuesday, July 19th, 2011 AT 7:53 PM
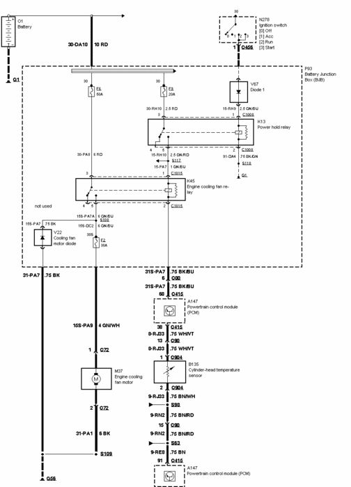
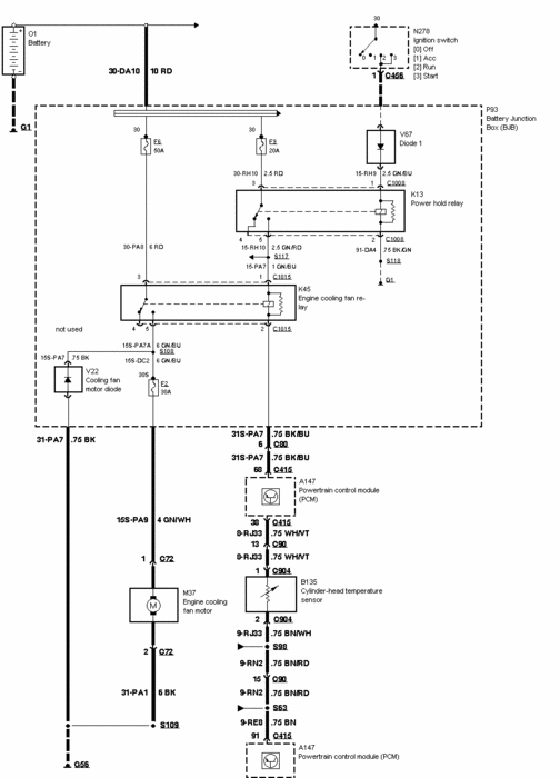
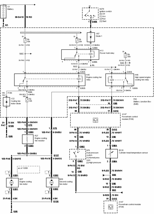
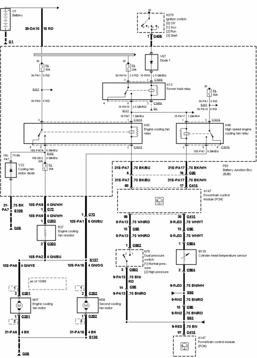
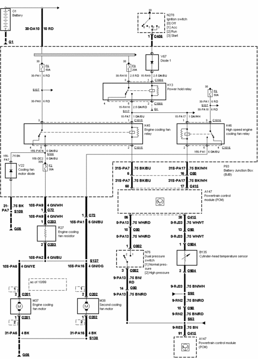
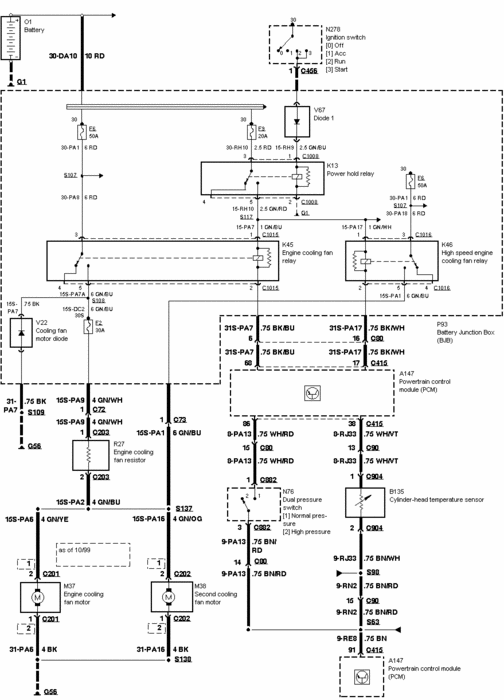
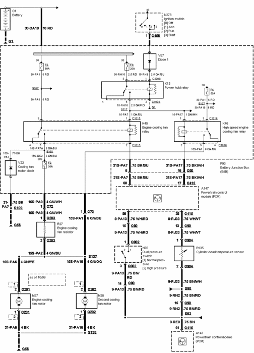
I need a diagram of the cooling fan assembly. I need one because I just swapped out my engine due to a faulty valve seat and when I hooked everything back up I noticed there was a connection at the top of the cooling fan assembly that was not plugged in because I could not find anything to plug into it. The connection is in between the two fan motors, at the top of the assembly right in the middle. If anyone could tell me what goes here, if anything, I would be eternally grateful.




