Intermittent not starting issue

Tiny
ECHOWNER
  • MEMBER
  • 2003 TOYOTA ECHO
  • 1.5L
  • 4 CYL
  • 2WD
  • AUTOMATIC
  • 240,000 MILES
Will start on occasion. Replaced starter, same issue. Cold, hot doesn't matter it starts when it wants.
Sunday, December 6th, 2020 AT 9:06 AM

5 Replies

Tiny
KASEKENNY
  • MECHANIC
  • 18,907 POSTS
This is most likely a fuel pump issue, but we need to review this material and determine what is happening when this is acting up. So that means we need to test this when it acts up.

https://youtu.be/dCjmRL3p4Cs

So unfortunately I can't give you any answers until we get some feed back on these issues. Here is a fuel pressure test that we need to do next time this acts up just to confirm what I suspect is the issue:

https://www.2carpros.com/articles/how-to-check-fuel-system-pressure-and-regulator

Let's do this the next time it acts up and we can go from there. Thanks
Was this
answer
helpful?
Yes
No
+1
Sunday, December 6th, 2020 AT 12:58 PM
Tiny
ECHOWNER
  • MEMBER
  • 3 POSTS
Thanks for fast reply. It won't even turnover, but when it does it runs fine. When I turn key I hear the click from relay, and what I think is starter spinning. Before swapping starter I'd tap it with mixed results which made me think starter.
Was this
answer
helpful?
Yes
No
Sunday, December 6th, 2020 AT 2:33 PM
Tiny
KASEKENNY
  • MECHANIC
  • 18,907 POSTS
Okay. That changes things.

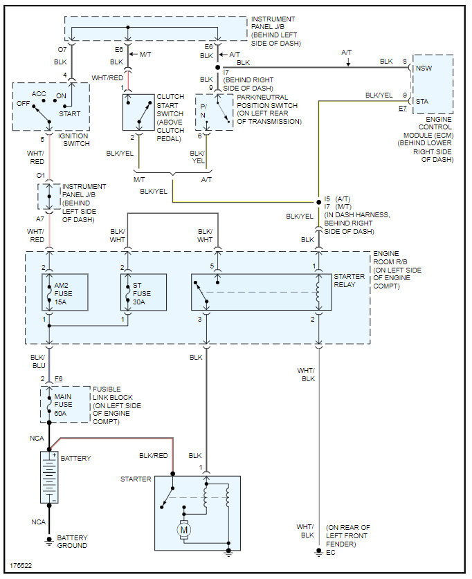
If the vehicle only clicks when you turn the key this would point to a starter issue. However, if you changed the starter then we need to check voltage at the starter on the two wires when this happens. I am sure you will have 12 volts on the battery feed but the control wire is what I am thinking we have an issue with.

I attached a wiring diagram for your review. Let me know what questions you have. Thanks
Was this
answer
helpful?
Yes
No
+1
Monday, December 7th, 2020 AT 5:16 PM
Tiny
ECHOWNER
  • MEMBER
  • 3 POSTS
Thank you sir, I will give it a go and follow up.

Thank you for what you do, glad I found this site!
Was this
answer
helpful?
Yes
No
Tuesday, December 8th, 2020 AT 3:14 PM
Tiny
KASEKENNY
  • MECHANIC
  • 18,907 POSTS
Sounds great. Let us know how you make out and come back in the future. We can help with any issues you have on your vehicles. Thanks
Was this
answer
helpful?
Yes
No
Wednesday, December 9th, 2020 AT 7:02 PM

Please login or register to post a reply.