Saturday, December 2nd, 2017 AT 7:57 AM
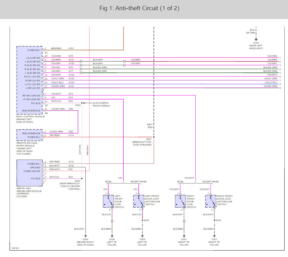
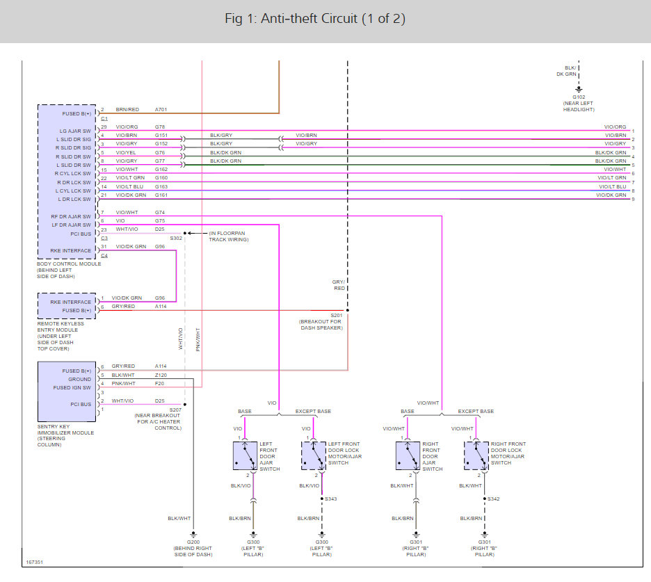
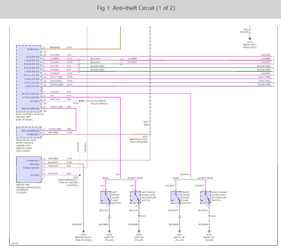
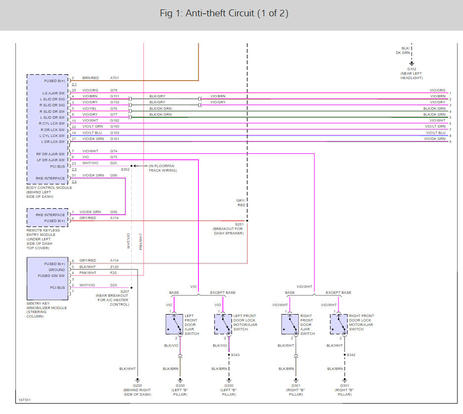
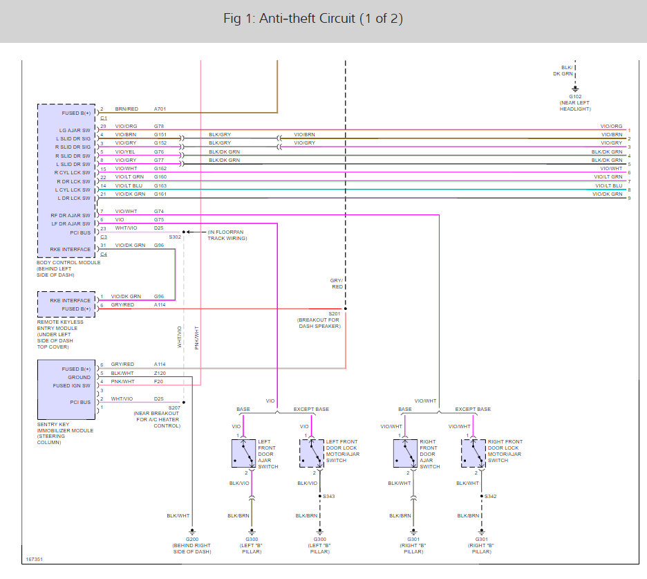
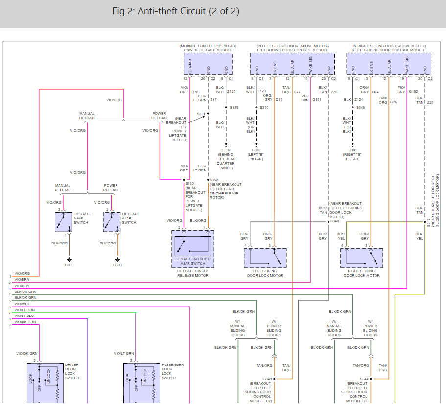
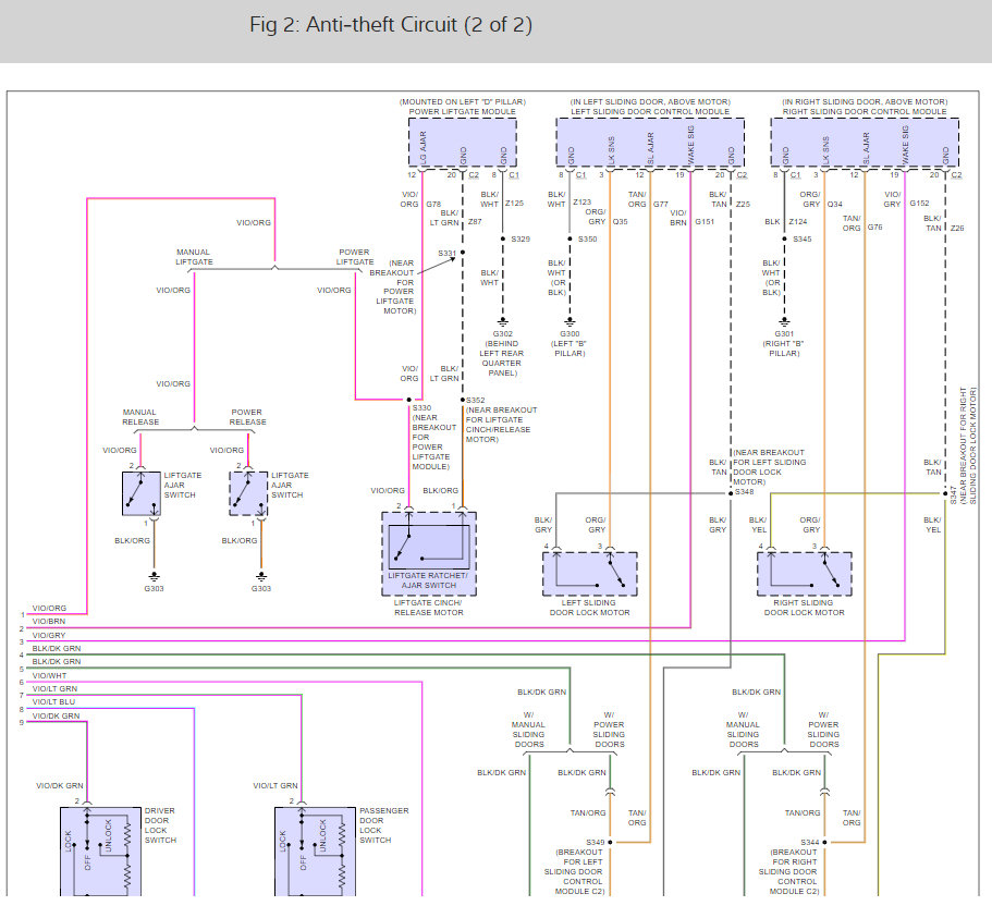
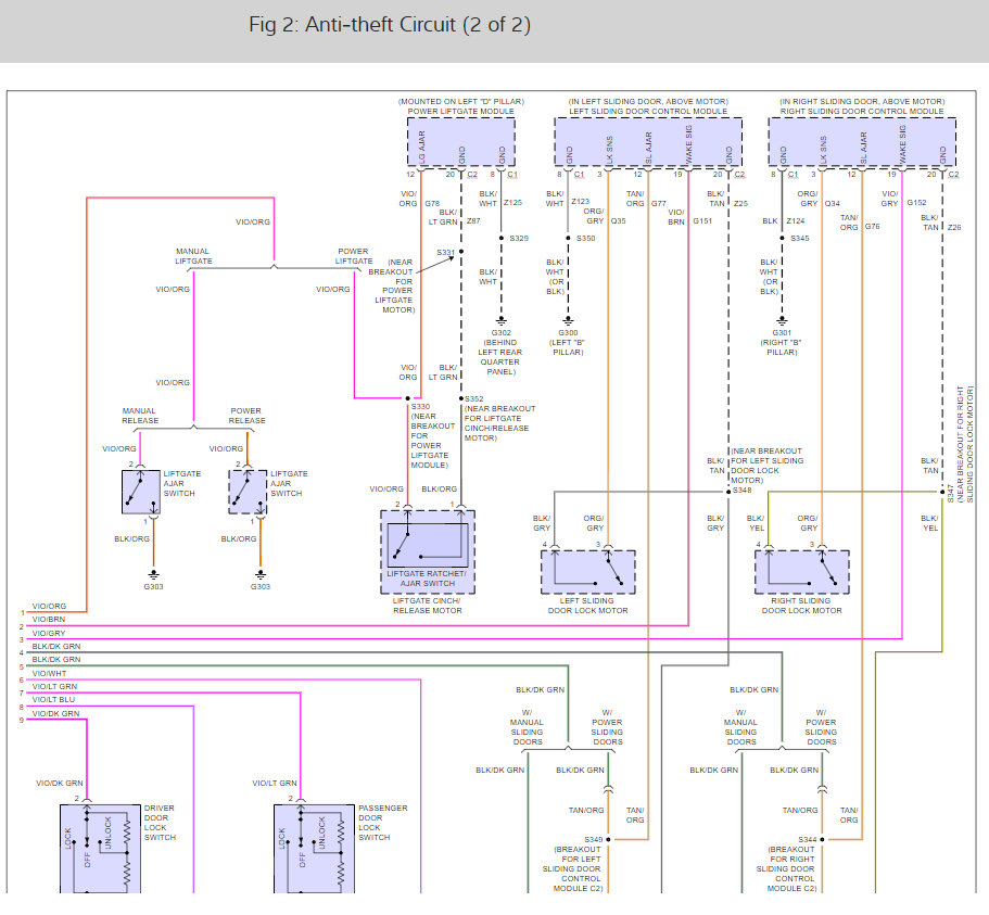
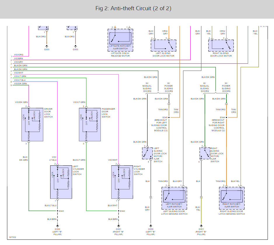
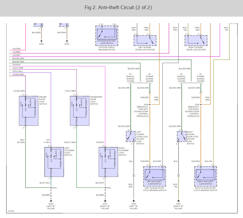
My van is the sport model. It turns over strong but will not start. My van started acting up about two months ago, it was staling out while driving but would start back up sometimes we had to wait a few. Now it turns over strong but will not start. My battery started draining over night and the car would jerk when stopping. I took it to the shop two or three times they kept telling me it needed different things. I have had the transmission tuneup, changed the input and output speed sensors, gave it a complete tuneup, changed the coil, new battery, crankshaft and camshaft sensors. Fuel pump is working getting fuel in line up to injectors. Had starter and alternator checked multiple times said both were working fine. But noticed my alarm was not setting on its own and the light was not coming on, I could open the door and nothing. If I set it with the key fob it sets and works. The guy at the shop said this could have been my problem all along, a short or bad alarm. Could you please give me some advice.









