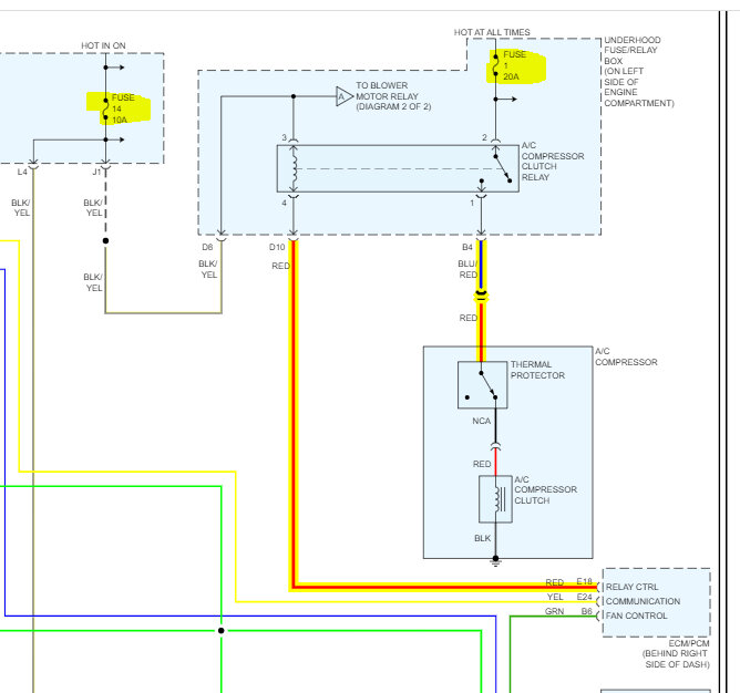
Checked fuses and relays, all of which were good. Checked for 12v power at the relay and have it.
Checked Freon level (with an AutoZone refill gauge, so don’t know the actual PSI) and it showed high, but compressor was not coming on, so I thought this might be normal without cycling.
Moved to the low-pressure switch. Disconnected the plug and jumped it to confirm the switch wasn’t keeping the compressor from cycling.
Also disconnected the 12v power supply at the compressor and checked for 12v at the connector both with and without the low-pressure switch jumped, with no sign of power to the compressor either way.
I also jumped the compressor straight to 12v power and the compressor clutch immediately engaged but did not cool. With the clutch engaged, I checked and monitored the pressure on the system, which still showed in the red.
I am trying to determine the cause for the no power situation so I can replace any necessary components before taking it to an A/C repair shop to have the system evacuated and recharged to spec. Any advice would be greatly appreciated!
Sunday, May 28th, 2023 AT 6:09 PM


