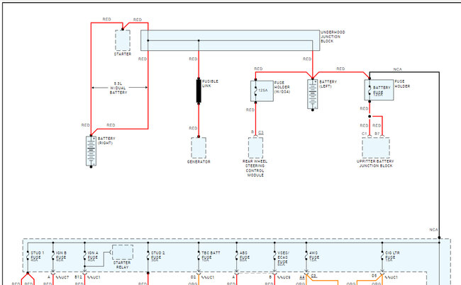
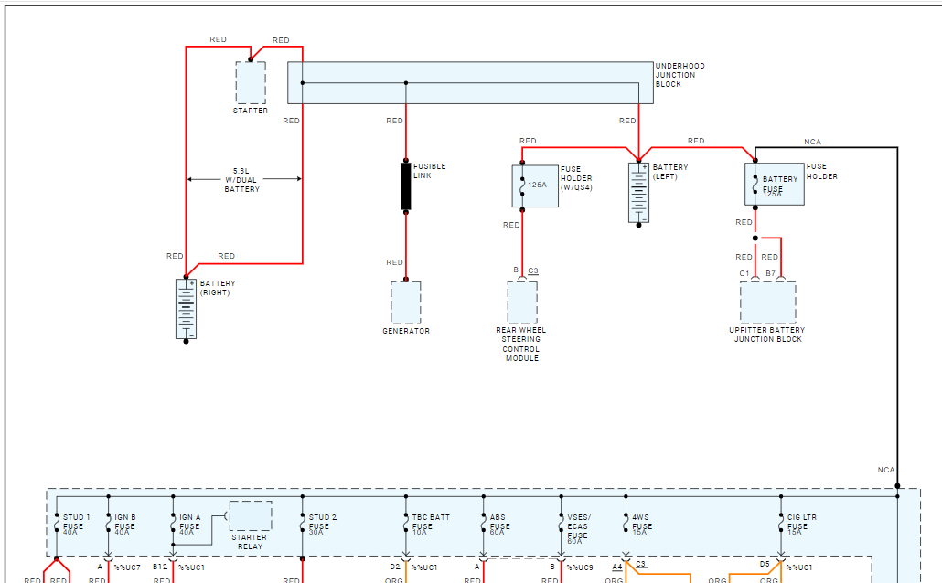
Monday, January 19th, 2015 AT 11:33 AM
Hi I have a 2003 suburban and every morning I get up to start my truck it doesn't start I did a draw test and it is pulling current but its not in either fuse box not the alternator nor the starter had it checked plus the battery is brand new could someone please give me some answers thanks


