Engine/transmission mounts

Tiny
PUPPY67
  • MEMBER
  • 2003 CHEVROLET CAVALIER
  • 135,000 MILES
I was told that my mounts were bad and need to be replaced A.S.A.P. When I try to look up the mounts and price them but, most of the sites only show 1 motor mount & 1 trans. Mount-but I was told there are 4 mounts for the motor & 1 trans. Mount. Can you tell me how many there should be? 2.2L DOHC WITH THE ECOTECH ENGINE A/T A/C ( not BI-FLEX fuel )THANK YOU.
Saturday, August 3rd, 2013 AT 9:55 AM

6 Replies

Tiny
JACOBANDNICKOLAS
  • MECHANIC
  • 110,194 POSTS
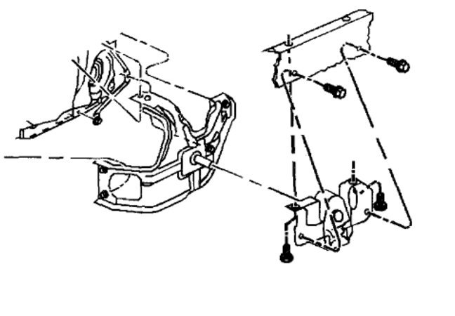
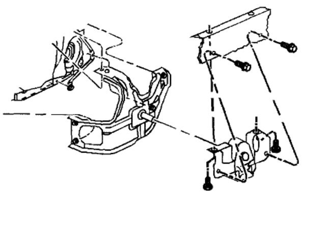
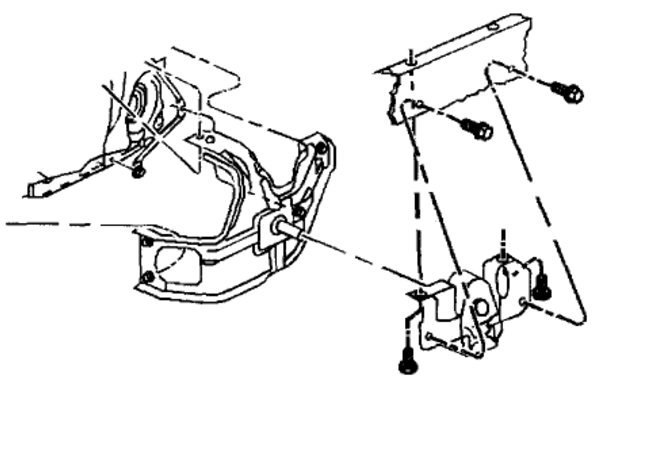
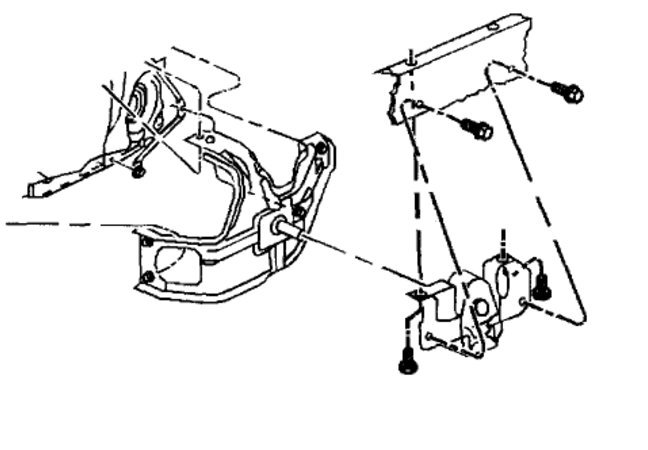
I believe that is correct. There is one for the trans and 4 different ones for the engine. Here are the instructions to replace the mounts. Check out the diagrams (Below). Please let us know if you need anything else to get the problem fixed.
Was this
answer
helpful?
Yes
No
+2
Saturday, August 3rd, 2013 AT 9:12 PM
Tiny
CAF385
  • MEMBER
  • 5 POSTS
  • 2001 CHEVROLET CAVALIER
  • 2.2L
  • 4 CYL
  • FWD
  • AUTOMATIC
  • 150,000 MILES
Hello, how do I replace the transmission mounts?
Was this
answer
helpful?
Yes
No
Thursday, July 18th, 2019 AT 1:11 PM (Merged)
Tiny
KEN L
  • MASTER CERTIFIED MECHANIC
  • 55,512 POSTS
Hello,

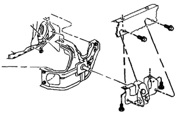
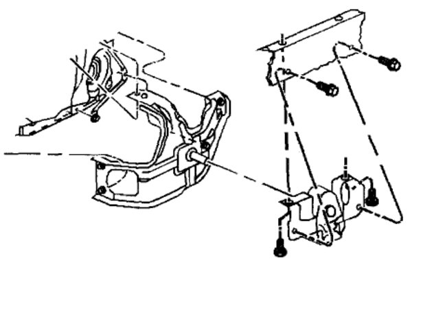
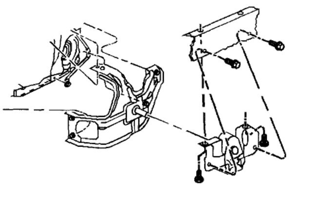
You will need to jack up the car first and put is on jack stands. Check out these guides which will get you some idea on what to expect when doing the job. Diagrams (below).

https://www.2carpros.com/articles/jack-up-and-lift-your-car-safely

Here is the instructions from the manual.
Remove the air intake duct.
Disconnect the TV cable, if equipped.
Remove the power brake booster check valve and hose.
Install the engine support fixture.
Raise and support the vehicle. Refer to Vehicle Lifting.
Remove the engine mount strut.
Remove the left front tire and the wheel assembly.
Remove the left front fender liner.
Remove the crossmember.
Remove the left front ABS wheel speed sensor connector.
Remove the harness from the suspension support.
Remove the left front ball joint.
Remove the stabilizer shaft from the left lower control arm.
Remove the front suspension support.
Remove the left side drive axle from the transmission.
Remove the transmission cooler pipes. Plug in order to prevent leakage.
Remove the P/S Pressure line from the P/S gear.
Remove the P/S return line from the P/S gear. Plug in order to prevent leakage.
Remove the transmission mount to body bolts.
Remove the pipe expansion bolt from the transmission support assembly.
Lower the engine and the transmission assembly just enough to be able to remove the transmission support assembly and the mount assembly.
Remove the transmission mount from the transmission support assembly.
Remove the transmission support assembly bolts.
Remove the transmission support assembly.

Please let us know if you need anything else to get the problem fixed.

Cheers, Ken

Was this
answer
helpful?
Yes
No
Thursday, July 18th, 2019 AT 1:11 PM (Merged)
Tiny
STEVENS
  • MEMBER
  • 1 POST
  • CHEVROLET CAVALIER
I have a 1997 Chevy cavalier 4d, 2.4L, automatic, 213,000+ miles. The car has been making this sound for a while, it makes a grinding noise at every initial acceleration, but after is that it runs fine; I’ve been told is the motor mount or the transmission mount. Which one is the problem and how much would it cost to have fixed?

Also, I’ve had my brake pads replaced and the tech. Let me know that the calipers were sticking, would a good spay of WD-40 do the trick?
Was this
answer
helpful?
Yes
No
Thursday, July 18th, 2019 AT 1:11 PM (Merged)
Tiny
E40WATER12
  • MECHANIC
  • 522 POSTS
Its common thing for the motor mounts to go on Cavaliers, Ive got 01 cavalier, My upper and lower mounts cracked already, I didnt replace them with stock mounts, Cause they were way too expensive, I bought poly mounts, They viberate more, But they saved me $$$$, Plus they add a bit more stiff-ness to my drive-train, Also you can get some aftermarket motor mounts for youre car, Dealer is way to much cash. For the mounts u are looking at $30-$100, Gm dealer $150-$250. Big difference in prices.

Good Luck.
Was this
answer
helpful?
Yes
No
+1
Thursday, July 18th, 2019 AT 1:11 PM (Merged)
Tiny
NAVARRO
  • MEMBER
  • 1 POST
I have a 01 Cavalier and when ever I engage the transmission, tap on gas or let off of gas pedal there is a clunking sound. My friend thinks it is a mount. But which one? I have read about upper and lower. The upper one looks fine and the sound is coming from the lower/underneath. Any one have an idea where the mounts are located, I have a haynes manual but I am not good with the pics.

Thanks
Was this
answer
helpful?
Yes
No
+2
Thursday, July 18th, 2019 AT 1:11 PM (Merged)

Please login or register to post a reply.