Monday, May 7th, 2012 AT 2:19 AM
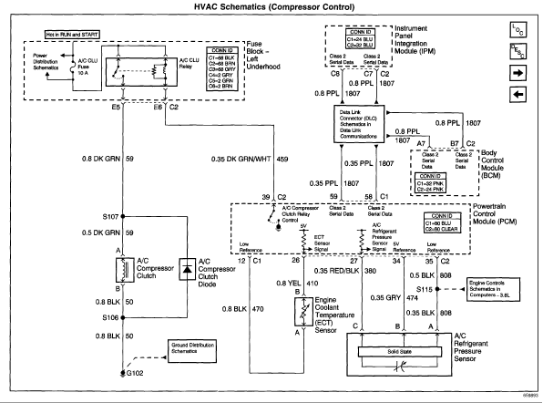
'03 park ave. Compressor doesn't come on after dealer engine change. Relay is good, fuse good, 12v present at both. A/c clutch supplied 12v and ground - clutch works. System is still charged. 12v present at both terminals of compressor plug (no ground)


