Stuck in park

Tiny
DBRANNEN1
  • MEMBER
  • 2002 SATURN L200
  • 4 CYL
  • 2WD
L200 stuck in park. It used to be intermittent that usually coincided with rain or damp weather and or cold. This time however rocking car, sunny weather or warming up car to operating temperature
has not helped.
Monday, December 6th, 2010 AT 4:13 PM

10 Replies

Tiny
JACOBANDNICKOLAS
  • MECHANIC
  • 110,192 POSTS
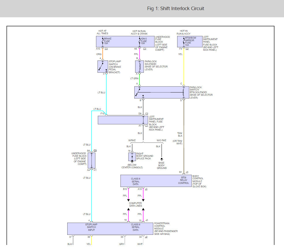
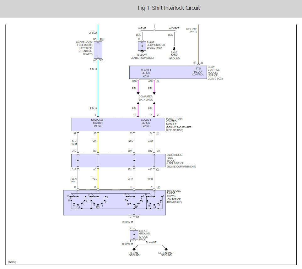
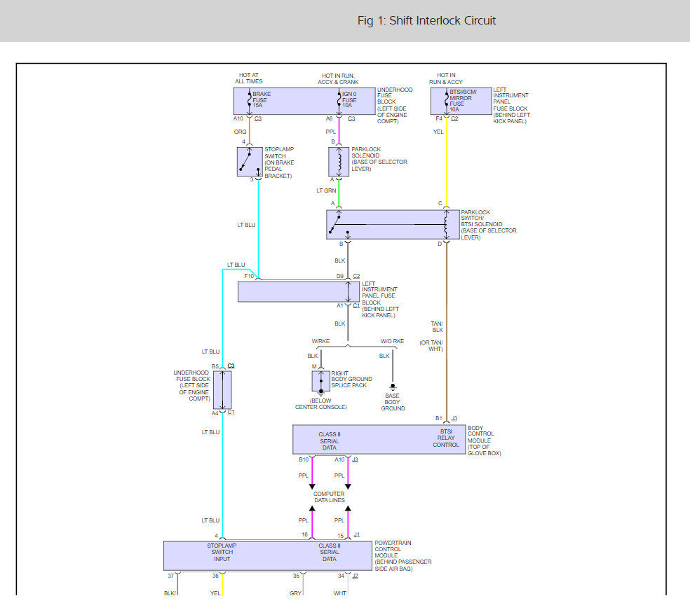
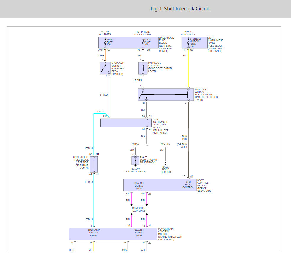
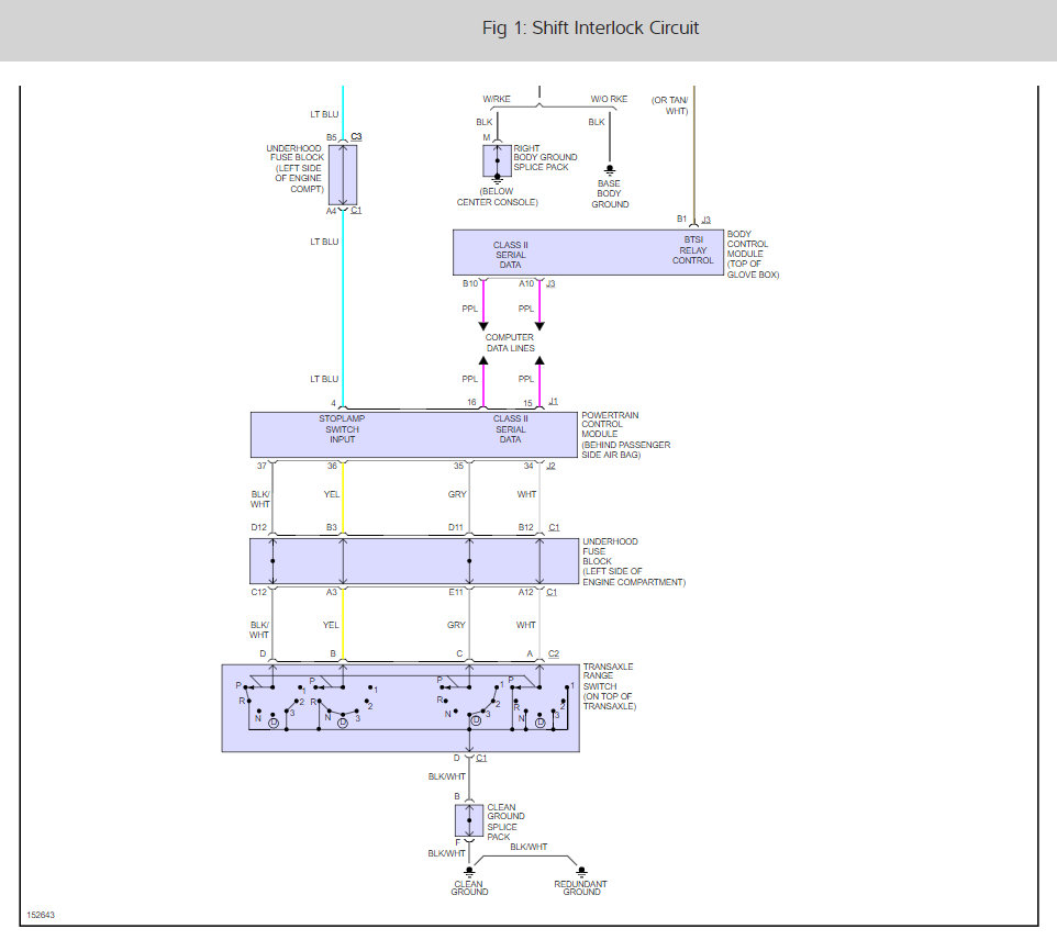
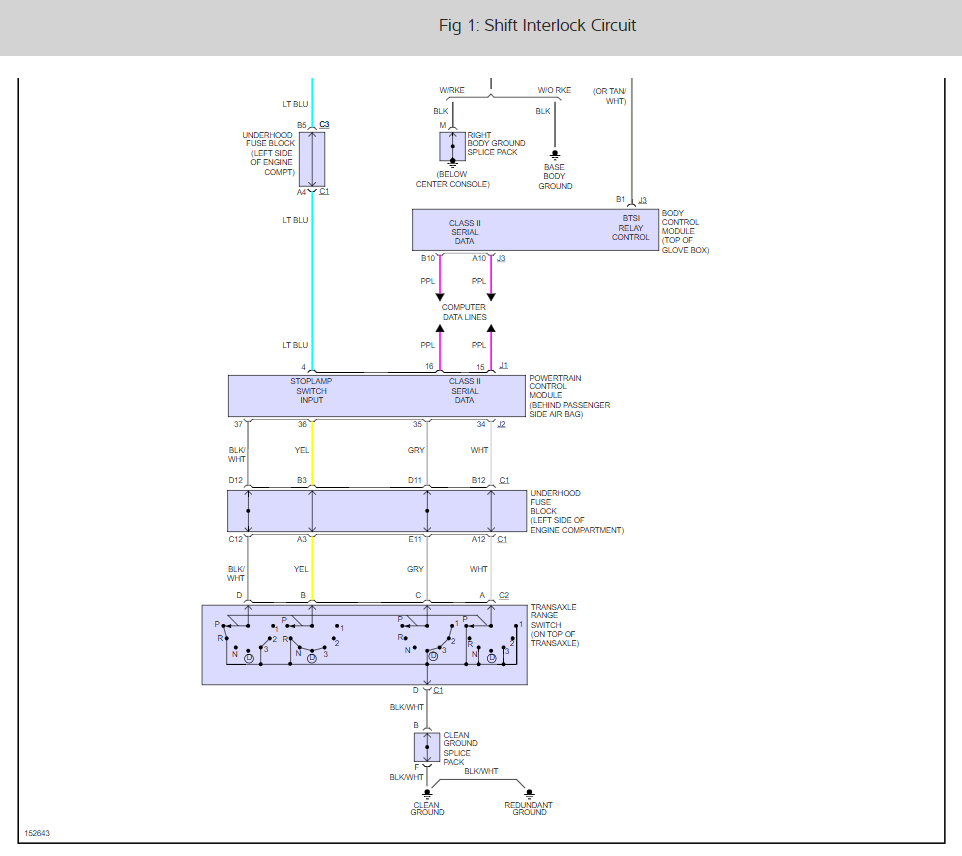
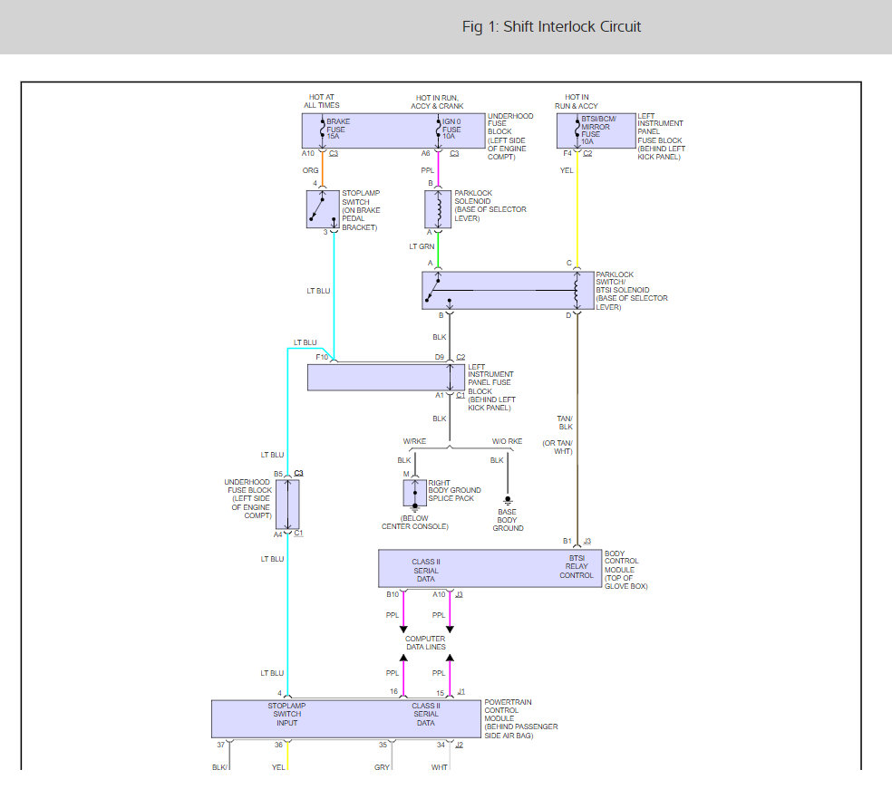
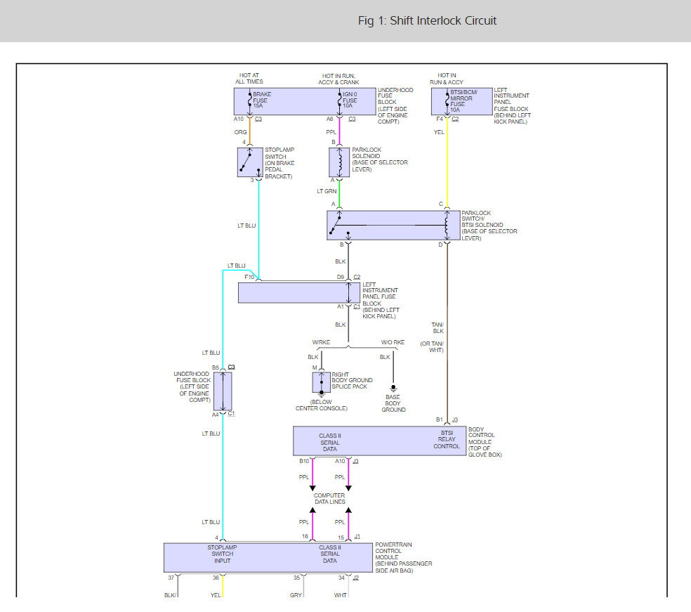
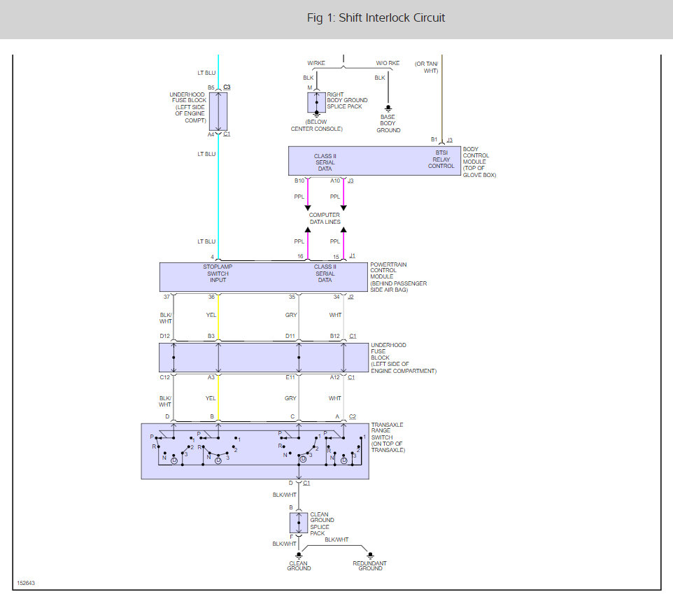
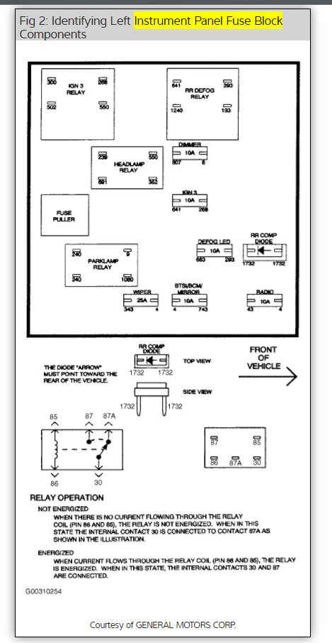
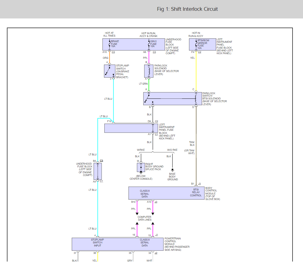
Are the brake lights working? I would check the brake and ignition fuse becasue they run the shift lock solenoid Here is a guide and some diagrams to help you run this simple test.

https://www.2carpros.com/articles/how-to-check-a-car-fuse

Diagrams (below)

Please let us know what happens and upload pictures or videos of the problem.

Cheers
Was this
answer
helpful?
Yes
No
Monday, December 6th, 2010 AT 4:16 PM
Tiny
LEGITIMATE007
  • MECHANIC
  • 5,121 POSTS
Check the brakes to see if they are working, and check the brake switch behind the brake pedal to see if it has come undone or partially undone, you may need to replace it
Was this
answer
helpful?
Yes
No
+1
Monday, December 6th, 2010 AT 4:18 PM
Tiny
SATURNTECH9
  • MECHANIC
  • 30,869 POSTS
.I have also seen bad body control module's cause that do your power door lock's key less entry fuel gauge inside light's all working?
Was this
answer
helpful?
Yes
No
-1
Monday, December 6th, 2010 AT 5:07 PM
Tiny
DBRANNEN1
  • MEMBER
  • 3 POSTS
Brake lights are working and parking light are working. Where behind the brake pedal is the brake switch located and whay does it look like. I just checked it and for now gear shift is working. Thanks everyone.
Was this
answer
helpful?
Yes
No
+1
Monday, December 6th, 2010 AT 6:32 PM
Tiny
DBRANNEN1
  • MEMBER
  • 3 POSTS
'checked "IT"' in my reply is the gear shift not brake switch. Still do not know about brake switch. Thanks
Was this
answer
helpful?
Yes
No
-1
Monday, December 6th, 2010 AT 6:51 PM
Tiny
JACOBANDNICKOLAS
  • MECHANIC
  • 110,192 POSTS
The reason we asked about the brake light switch is because the park lock actuator is powered through the brake light switch. It the switch is not working (no brake lights) it will not release from park. What I suggest is to make sure there is power to the park lock solenoid. If there is, replace the solenoid.
Was this
answer
helpful?
Yes
No
Tuesday, December 7th, 2010 AT 1:11 PM
Tiny
SCAINE3442
  • MEMBER
  • 2 POSTS
  • 2001 SATURN L200
  • 4 CYL
  • FWD
  • 112,000 MILES
While driving, security light will come on which then means the gauges will start freaking out and dash lights will flicker and odometer will quit working, this will happen many times during a short drive, sometimes the gauges will go back to normal but sometimes they go dead and will stay dead at which point the car will not shift out of park. The 2 times this happened I pulled a few fuses and put them back in and everything started working again until I drive it and the gauges will start freaking again. The car is currently in my garage stuck in park with dead gauges and the tool & airbag light are on and the door locks will not work as well as the keyless entry, all fuses are good and read 14v on both sides. The brake lights all work fine. Do I have a bad BCM? Thanks
Was this
answer
helpful?
Yes
No
Tuesday, May 14th, 2019 AT 11:50 AM (Merged)
Tiny
SATURNTECH9
  • MECHANIC
  • 30,869 POSTS
Yes you have a bcm and I would say it's bad from all the symptoms you have listed all the one's I have replaced have had some or all those symptom's. You will have to have the dealer install it because there programing involved programing the mileage in etc.
Was this
answer
helpful?
Yes
No
Tuesday, May 14th, 2019 AT 11:50 AM (Merged)
Tiny
SCAINE3442
  • MEMBER
  • 2 POSTS
Or could it be a bad ground somewhere?
Was this
answer
helpful?
Yes
No
Tuesday, May 14th, 2019 AT 11:50 AM (Merged)
Tiny
SATURNTECH9
  • MECHANIC
  • 30,869 POSTS
I have replaced so many 2000-2004 bcms I kept the old bad bcm's for tester's and labeled what they were doing. There is two different ones for each year and I have a complete collection for all four of those year's. So that should tell you how many of those went bad. It is very common for them to fail they fail sooner or later. You check ground's but the the first thing I would do is put one of my tester's in and see if it restore the stuff that was inop. So are you good at tracing wire's and checking ground's?Do you have a multimeter?Everything you have described is like prefect symptom's for a bad bcm.
Was this
answer
helpful?
Yes
No
Tuesday, May 14th, 2019 AT 11:50 AM (Merged)

Please login or register to post a reply.