HOME
ASK A QUESTION
REPAIR GUIDES
BECOME A MEMBER
LOG IN
Login with Facebook
OR
Remember me
NOT A MEMBER?
FORGOT PASSWORD?
CONTACT US
PRIVACY POLICY
TERMS AND CONDITIONS
☰
Home
Pontiac
Bonneville
Drivetrain
Transmission
How to pull the transmission in my Pontiac.
EMMETT 31
MEMBER
2002 PONTIAC BONNEVILLE
How to pull the transmission in my Pontiac Bonneville
Monday, March 5th, 2012 AT 1:23 AM
3 Replies
DRCRANKNWRENCH
MECHANIC
3,380 POSTS
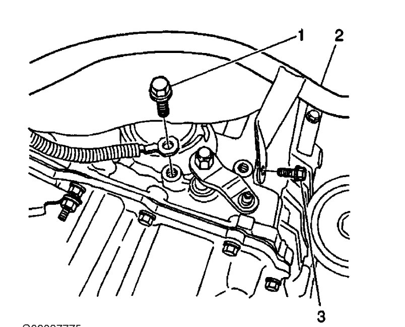
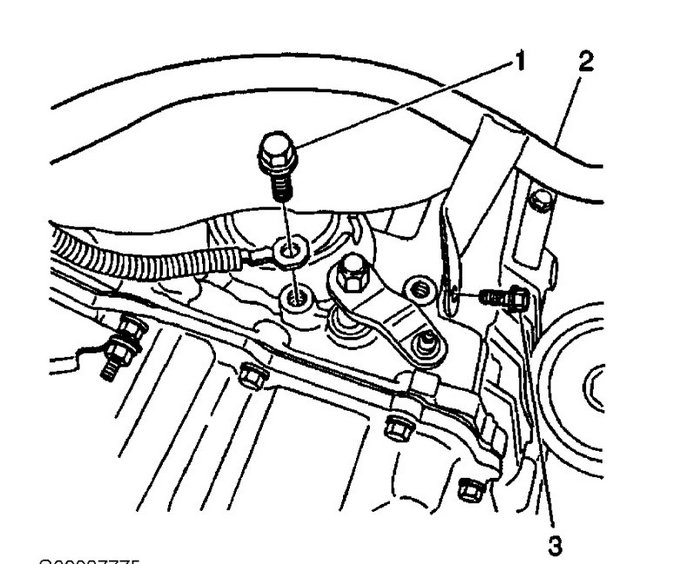
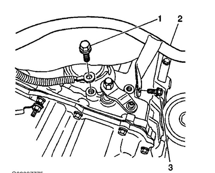
I am attaching intructions for transmission removal and the files are numbered in sequence. I am also attaching all referenced FIGs form instructions.
Images (Click to make bigger)
Was this
answer
helpful?
Yes
No
+1
Monday, March 5th, 2012 AT 1:52 AM
EMMETT 31
MEMBER
2 POSTS
Ty
Was this
answer
helpful?
Yes
No
+1
Monday, March 5th, 2012 AT 1:57 AM
DRCRANKNWRENCH
MECHANIC
3,380 POSTS
Your very welcome. Come back if you need anything.
Was this
answer
helpful?
Yes
No
+1
Monday, March 5th, 2012 AT 2:21 AM
Please
login
or
register
to post a reply.
Related Transmission Content
I Need To Figure Out The Gear Ratio?
I Need To Figure Out The Gear Ratio For My Transmission So I Can Buy The Correct One. How Do I Know What The Ratio Is Or How Can I Find Out?
Asked by
brtabor
·
1 ANSWER
1 IMAGE
2004
PONTIAC BONNEVILLE
VIDEO
Transmission Installation
Instructional repair video
GUIDE
Transmission Automatic
This article explains how an automotive automatic transmission and torque converter works.
1994 Pontiac Bonneville Transmission Trouble Codes...
I Get These Codes From My Snapon Mt2500 Scanner What Do They Mean?
Asked by
anotherchanceauto
·
1 ANSWER
1994
PONTIAC BONNEVILLE
2002 Bonneville Cv Joint Question
This Is A Continuation Of My Earlier Post From Early September 2007. The Car Is A 2002 Bonneville, 3.8l With 122k (automatic). Anyhow I...
Asked by
Zach Attack
·
1 ANSWER
2002
PONTIAC BONNEVILLE
2000 Pontiac Bonneville Cv Joint Or Axel?
Hello, When I'm Driving And Up To Highway Speeds I Hear A Wapping Noise Coming From The Front End. The Noise Somewhat Goes Away When I...
Asked by
greghrt
·
1 ANSWER
2000
PONTIAC BONNEVILLE
Cv Joint Repair
Hello, I Have A 1994 Pontiac Boneville With A 3.8 Litre Engine With 234,000 Km.S.I Am Doing The Front Brakes And Noticed The Drivers Side...
Asked by
dave jessop
·
1 ANSWER
PONTIAC BONNEVILLE
VIEW MORE
Ask a Car Question. It's Free!
Transmission Installation
Transmission - Manual
Transmission Automatic